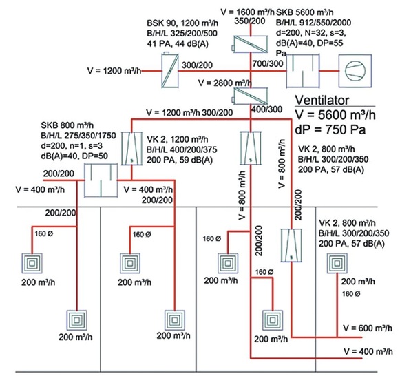
In der HOAI § 53 / Anlage 14 wird im „Leistungsbild Technische Ausrüstung“ in der Leistungsphase 2 die Vorplanung als die Projekt- und Planungsvorbereitung beschrieben. Hier setzt das neue Planungswerkzeug „Lüftung-Schemaberechnung“ an. Mit ihm ist es auf einfachste Weise möglich, ein Planungskonzept mit überschlägiger Auslegung der wichtigsten Systeme und Anlagenteile zu entwickeln. Durch Kopieren von Anlagenteilen mit anschließender Neuberechnung sind alternative Lösungsmöglichkeiten mit skizzenhafter Darstellung zur Integrierung in die Objektplanung möglich. Durch das Aufstellen eines berechenbaren Funktionsschemas bzw. Prinzipschaltbildes für jede Anlage werden alle Anforderungen der HOAI § 53, LP 2 erfüllt. Die erarbeiteten Konzepte können zur weiteren Planungsunterstützung in die nächsten Phasen der HOAI übernommen und vervollständigt werden. Für die Ausführungsfirmen dient das Programm auch zur Darstellung der Anlagenübersicht und zur Dokumentation. Funktionsübersicht: Schnelle schematische Trassierung der Luftkanäle; automatische Beschriftung der Dimension und Luftmenge; Beschriftung der Komponenten mit Auslegungsdaten; integrierte Druckverlustberechnung; Berechnung der vorläufigen Gesamtluftmenge; automatische Dimensionierung der Leitungen; Abfrage von Reserveleistungen bei offenen Enden; Übernahme der Luftmengentabelle aus der Kühllastberechnung; Übergabe von Luftmengen in die Raum-Nr.; einfache Platzierung der Luftauslässe mit Abnahme der Raumluftmenge; einfacher Einbau von Elementen in die Leitung; Stückliste Komponenten und vorläufige Stückliste durch Vorgabe der Kanallängen.
 
     
    