Springe auf Hauptinhalt Springe auf Hauptmenü Springe auf SiteSearch
Wärmepumpe und Solarthermie

Erfolgversprechendes Doppel

Wärmepumpen haben unter den Technologien zur Nutzung regenerativer Energiequellen mittlerweile einen festen Platz. Ebenso ist die solarthermische Nutzung zur Trinkwassererwärmung und Heizungsunterstützung seit Langem Stand der Technik. Eine Verbindung der beiden Technologien findet in zunehmendem Maße statt und wird von verschiedenen Anbietern beworben. Ein oft genannter Vorteil der kombinierten Anlagen ist die Steigerung der Leistungszahl (COP: Coeffi­cient of Performance und damit auch der Jahresarbeitszahl der Wärmepumpe. Anhand eines mit dem Fraunhofer Institut entwickelten Simulationsmodells hat Bosch Thermotechnik jetzt sinnvolle Wärmepumpen/Solar-Lösungen untersucht und zeigt deren Möglichkeiten und Grenzen auf.

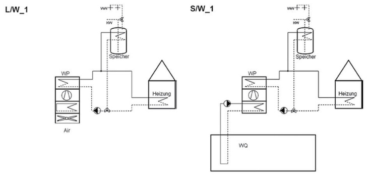
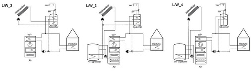
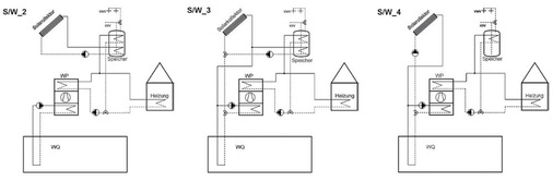
Abhängig von der Anbindung und der Art der Wärmequellen gibt es bei der Kopplung von thermischen Solaranlagen mit Wärmepumpen eine Vielzahl von Kombinationsmöglichkeiten. Die nachfolgende Betrachtung beschränkt sich auf gängige Luft/Wasser-Wärmepumpen (L/W) mit der Wärmequelle Luft und Sole/Wasser-Wärmepumpen (S/W) mit der Wärmequelle Erdreich. Für beide wurden drei Kombinationsmöglichkeiten mit Solaranlagen untersucht (Bild 3 und Bild 4). Eine ist die solare Anbindung zur reinen Trinkwassererwärmung. Bei dieser sogenannten direkten Kopplung übernimmt die Solaranlage – so weit möglich – die Trinkwassererwärmung und die Wärmepumpe ergänzt die Wärmeversorgung, wenn nicht genügend Sonnenenergie zur Verfügung steht oder Heizungsenergie gebraucht wird. In weiten Teilen des Sommers kann theoretisch die Wärmepumpe ganz ausgeschaltet bleiben (Systemvariante 2: L/W_2 und S/W_2).

Daneben interessiert vor allem, welches ­Potenzial die solare Regeneration der Wärme­pumpenquelle bieten kann. Dabei wird die solar erzeugte Energie ausschließlich dafür verwendet, das Temperaturniveau der Wärmequelle anzuheben (L/W_4 und S/W_4). Im Fall der Sole/Wasser-Wärmepumpe kann durch diese aktive Regeneration einer Auskühlung des Erdreiches und der damit verbundenen Absenkung des zur Verfügung stehenden Temperaturniveaus entgegengewirkt werden. Dabei wird das Erdreich selbst als Speicher für die solare Energie genutzt.

Letzteres funktioniert bei Luft/Wasser-Wärmepumpen systembedingt nicht. Hier muss dem ­System ein weiterer Speicher hinzugefügt werden, der auf niedrigem Temperaturniveau (4 bis 40 °C) arbeitet. Die Solaranlage kann dort Energie ­speichern, mit der die Temperatur der Wärmequelle Luft über einen Wärmeübertrager bei ­ Bedarf angehoben wird. So lässt sich das gerade in der Heizperiode auftretende Problem der ­Leistungs- bzw. Effizienzminderung durch kalte Außentemperaturen bei Luft/Wasser-Wärme­pumpen reduzieren.

Der dritte Lösungsansatz ist eine Kombination aus direkter Nutzung der Solarenergie zur Trinkwassererwärmung und zur Quellenanhebung (L/W_3 und S/W_3). Alle drei Systeme mit solarer Unterstützung wurden mit einem Referenzsystem ohne Solaranlage verglichen (L/W_1 und S/W_1, Bild 2). Recht schnell stellte sich im Laufe der energetischen Analysen und Simulationen heraus, dass das Verhalten der Luft/Wasser-Wärmepumpe innerhalb der untersuchten Systemkombinationen dem der Sole/Wasser-Wärmepumpen sehr ähnlich war. Deshalb beschränken sich die weiteren Ausführungen auf die vier Systeme mit der Sole/ Wasser-Wärmepumpe.

Voraussetzungen und Ziele

Die Rahmenbedingungen waren bei den Untersuchungen für alle Systemkombinationen identisch: Als Objekt dient ein Einfamilienhaus mit einem Gesamtverbrauch von 12000 kWh/a (nach der Wärmeerzeugung). Diese setzen sich aus einem Heizenergiebedarf von etwa 9500 kWh/a sowie einem Energiebedarf für die Trinkwassererwärmung von rund 2500 kWh/a zusammen. Die Heizleistung der installierten Sole/Wasser-Wärmepumpe beträgt 5,9 kW. Von dem 750-l-Frischwasserspeicher werden 300 l für den Trinkwasser-Bereitschaftsteil genutzt. Bei den Kombi-Lösungen mit rein solarer Trinkwassererwärmung sind zwei Sonnenkollektoren eingebaut, bei den Systemen mit Wärmequellenregeneration beziehungsweise -anhebung drei. Der zusätzliche Kollektor soll der Wärmequelle mehr überschüssige Energie zur Verfügung stellen.

Als elektrische Verbraucher schlagen – neben der Wärmepumpe – überwiegend die Pumpen für den Solekreislauf mit 120 W, den Solarkreis mit 60 W, den Heizkreis mit 80 W sowie den Trinkwasser-Ladekreis mit 80 W Leistungsaufnahme zu Buche. Die Wetterdaten für das untersuchte Objekt stammen vom Deutschen Wetterdienst und spiegeln die klimatischen Bedingungen der Region Bayern und Baden-Württemberg wider. Besonderes Augenmerk lag bei den Betrachtungen auf der energetischen Bilanzierung aller beteiligten Systemkomponenten sowie dem Systemverhalten mit seinen Schaltzyklen und Laufzeiten. Um aussagekräftige Bewertungen vornehmen zu können, wurden Jahressimulationen gefahren und parallel dazu bestimmte Betriebszustände sowie die Kurzzeitdynamik detailliert untersucht.

Was passiert im Speicher?

Um Einblick in die grundsätzlichen Abläufe in den Anlagen zu erhalten, wurden beispielhaft zwei Tage im April (6. und 7. April) beobachtet. Die Diagramme zum Speicherverhalten in Bild 5 geben Aufschluss über eine Reihe von Vorgängen im Speicher. Das Diagramm S/W_1 stellt dabei die Referenzanlage ohne Sonnenkollektor dar, S/W_2 die direkte Solareinbindung zur reinen Trinkwassererwärmung. Das Modell S/W_4 zeigt die aktive Regeneration – also die alleinige Anhebung der Wärmequellen-Temperatur – und S/W_3 die Mischform aus S/W_2 und S/W_4, die Kombination aus solarer Trinkwassererwärmung und Quellenanhebung.

Bei allen vier Varianten ist die Temperaturschichtung am Verlauf der blauen, grünen und roten Kurven deutlich erkennbar. Die blaue Kurve (T_SpuI) steht dabei für die untere Temperaturmessung auf 10 % der Speicherhöhe, die grüne (T_SpmI) für die mittlere auf 60 % und die rote (T_SpoI) für die obere Temperaturmessung auf 90 % der Speicherhöhe. Am Temperaturverlauf des mittleren Fühlers (grüne Kurve) sind die Schaltzyklen der Wärmepumpe für die Trinkwassererwärmung erkennbar.

Durch den Einsatz eines Speichers mit definiertem Bereitschaftsvolumen wird erreicht, dass die Wärmepumpe nicht zu jeder Zapfung in Betrieb geht. Bei einer Speichertemperatur von 45 °C am mittleren Speichertemperaturfühler schaltet die Wärmepumpe ein. Daraufhin wird die Temperatur des Bereitschaftsteils des Speichers innerhalb der folgenden 20 bis 30 Minuten auf 57 °C angehoben, bevor die Wärmepumpe abschaltet. Die vielen über den Tag verteilten Zapfungen aus dem Zapfprofil (DIN EN 13203-2 1) ) führen nicht zu einem übermäßigen Takten. Die Wärmepumpe belädt mit vier bis fünf Schaltzyklen täglich den Trinkwasser-Bereitschaftsteil. Hier werden auch die Unterschiede der monovalenten Wärmepumpenanlage (S/W_1) zu den Solarkopplungen am deutlichsten. Bei den Varianten mit reiner oder kombinierter solarer Trinkwassererwärmung (S/W_2 und S/W_3) erkennt man vor allem am zweiten, dem sonnigeren Tag, dass die Wärmepumpe zur Trinkwassererwärmung nicht benötigt wird. Es wird also erheblich elektrische Energie gespart.

Anders sieht es im Falle der solaren Regeneration der Wärmequelle (S/W_4) aus. Obwohl sich die Solarkreispumpe (mp_Kol) an beiden Tagen im Dauerbetrieb befindet, belädt die Wärmepumpe den Speicher wie beim monoenergetischen System (S/W_1). Grund ist die komplette Übergabe der Solarenergie an das Erdreich, was auch an den niedrigen Absorbertemperaturen (T_abs) erkennbar ist. Ohne Wärmepumpe ist sie so nicht nutzbar. Die Wärmepumpe muss also, wie beim System ohne Solarunterstützung, die Trinkwassererwärmung alleine übernehmen und hat deshalb auch ähnliche Schaltzeiten. Das geht auch aus Tabelle 1 hervor. Sie zeigt, wie sich die Energieflüsse an den zwei dargestellten Tagen in den Systemen unterscheiden. Besonders auffällig ist der hohe Solarertrag, der durch den reinen Erdreichbetrieb (S/W_4) möglich ist. Die elektrische Energieeinsparung des Kompressors – und damit auch die Wirkungsgradverbesserung der Wärmepumpe – ist allerdings vergleichsweise gering.

Die Zeit klärt auf

Auch wenn die Ergebnisse der beiden Beobachtungs-Tage schon recht aufschlussreich sind, spiegeln sie doch keine saisonalen Effekte wider. Aussagekräftige Antworten hierzu liefern erst Betrachtungen über einen Jahreszeitraum. Tabelle 2 vergleicht die Energiewerte der vier einzelnen Systeme und führt zusätzliche Betriebskriterien ein. Daraus geht auch hervor, dass die konventionelle Einbindung der Solaranlage (S/W_2) das größte Einsparpotenzial bei der erforderlichen Kompressorenergie bietet. Gegenüber der Variante ohne Solarkoppelung (S/W_1) verbraucht sie mit 2800 kWh/a genau 641 kWh/a weniger elektrische Energie für die Wärmepumpe. Bei der reinen Solarregeneration der Wärmequelle (S/W_4) sind es nur 135 kWh weniger.

Von der kombinierten Variante (S/W_3) könnte man die größte Reduktion erwarten. Hier offenbart sich jedoch das Problem der Prioritäten. Wird beispielsweise morgens Energie auf niedrigem Temperaturniveau dem Erdreich übergeben, dann fehlt diese zur Trinkwasser-Vorwärmung und muss mit elektrischer Antriebsenergie durch die Wärmepumpe erzeugt werden. Durch ausgefeilte Regelalgorithmen könnte zwar die Prioritätenfolge gelöst und die Systemeffizienz optimiert werden. Erforderlich wäre ein erhöhter regeltechnischer Aufwand, der allein wegen der Nutzung trotzdem niemals alle Betriebszustände optimal bedienen könnte.

Den Einsparungen bei der Antriebsenergie für die Wärmepumpe muss man allerdings die elektrischen Mehrverbräuche für die Solarkreispumpen gegenrechnen. Während die konventionelle Solar­anbindung mit einem typischen Wert von 94 kWh/a auskommt, verbraucht die Pumpe im reinen Regenerationssystem (S/W_4) durch die deutlich längeren Laufzeiten fast das Doppelte. Die kompressorseitig eingesparte Energie (135 kWh/a) wird damit in der Solarkreispumpe verbraucht.

Ein weiterer Vorteil ergibt sich für das System mit der direkten Solarnutzung (S/W_2), wenn man die Laufzeit und die Zahl der Starts der Wärmepumpe vergleicht. Hier sind deutliche Reduktionen zu sehen, weil die Nachheizung im Falle der Sonneneinstrahlung verzögert oder vermieden wird. Gegenläufig verhält es sich im Falle der Erdreichregeneration (S/W_4): Bedingt durch die bessere Leistungszahl erreicht die Wärmepumpe im Heizungsfall schneller das Ausschaltkriterium. Dies reduziert die Laufzeit, die Zahl der Starts nimmt aber deutlich zu.

Direkt ist effektiv

Alles in allem zeigten die wissenschaftlichen Untersuchungen deutlich, dass die Sonnenenergie bei der Koppelung mit Wärmepumpen am sinnvollsten direkt genutzt wird. Weil die Wärmeenergie dann nicht erst mit der Wärmepumpe erzeugt werden muss, resultiert aus der direkten solarthermischen Nutzung die größte elektrische Energieeinsparung. Sie liegt bei einer typischen Anlage zur Trinkwassererwärmung bei etwa 16 % des elektrischen Gesamtenergiebedarfs für Heizung und Warmwasser. Ein weiterer Vorteil ist die deutliche Reduzierung der Betriebsstunden und die Zahl der Taktungen.

Zwar kann eine aktive Regeneration der Wärmequelle bei einem unterdimensionierten Bohrloch eine Unterkühlung vermeiden. Aus energetischer Sicht ist sie bei gut ausgelegten Quellen unter Berücksichtigung der erforderlichen Zusatzenergie und Zusatzkosten jedoch nicht zu empfehlen. Die solare Quellenanhebung lässt den thermodynamischen Kreisprozess in der Wärmepumpe lediglich um rund 10 % effizienter ablaufen und ermöglicht daher nur eine geringe elektrische Energieeinsparung. Ergo sum: Wenn die solare Systemkoppelung effizient funktionieren soll, muss die Priorität eindeutig auf der direkten Nutzung der Solarwärme liegen.

NEU

Mehr Infos zum Thema im

TGA-Online-Dossier

Auf http://www.tga-fachplaner.de einfach Webcode 718 eingeben.

1) DIN EN 13203-2 Gasbeheizte Geräte für die sanitäre Warmwasserbereitung für den Hausgebrauch – Geräte, die eine Nennwärmeleistung von 70 kW und eine Speicherkapazität von 300 Liter Wasser nicht überschreiten – Teil 2: Bewertung des Energieverbrauchs, November 2006

Was unter Tage passiert

Wie sich das Erdreich bei einer solaren Regeneration langfristig verhält, war ein Schwerpunkt der Forschungen zu den Wärmepumpen/Solar-Kombina­tionen. Ausgehend von einem bislang ungestörten Erdreich sowie einem vernünftig ausgelegten Bohrloch ohne Unterkühlung oder Vereisung fällt die Temperatur in der Bohrlochumgebung bei einer Wärmepumpenbelastung in den ersten Jahren schnell ab, um sich dann innerhalb von fünf bis zehn Jahren auf einen 6 bis 8 K kälteren Wert einzuschwingen. Bild 6 zeigt das Erdreichverhalten eines Wärmepumpensystems ohne Solarkopplung (links) und das eines Wärmepumpensystems mit Solaranbindung zur reinen Erdregeneration (rechts) über fünf Jahre. Man erkennt im ersten Fall das schnelle Auskühlen der Erde in den ersten drei Jahren. Anschließend lässt die Abkühlung nach und das System nähert sich dem eingeschwungenem Zustand. Im fünften Jahr stellt sich eine mittlere Soletemperatur von 1,5 C ein (mittlere Austrittstemperatur der Sole bei Betrieb der Wärmepumpe). Bei der solaren Kopplung erreicht die Solarenergie im Sommer eine fast vollständige Regeneration. Die Amplitude der Schwingungen ist deutlich höher, sodass sich ein Mittelwert der Soletemperatur von 4,5 °C einstellt. Diese 3 bis 5 K höhere Quellentemperatur verbessert den COP der Wärmepumpe. Der system- und regelungstechnische Aufwand dafür ist jedoch relativ hoch und kann die zu erwartende Steigerung der Jahresarbeitszahl nur schwer rechtfertigen. Untersuchungen an der Universität Lundt in Schweden haben zudem gezeigt, dass einer Regeneration des Erdreiches Grenzen gesetzt sind. Wird durch die solare Beladung wieder die Temperatur des ungestörten Erdreichs erreicht, bewirkt jede weitere Beladung keinen deutlichen Temperaturhub mehr. Die Zusatzwärme verschwindet im Erdreich. Dies gilt für die typischen linearen beziehungsweise flächigen Quellen. Nur bei Sondenfeldern, die eine dreidimensionale Quelle eröffnen, können deutliche Temperaturüberhöhungen realisiert werden.

Ingo Rieger

Ist Produktmanager Solartechnik und Speicher, Buderus ­Deutschland, Bosch Thermotechnik, Wetzlar, https://www.buderus.de/de

Werner Hube

Dr.-Ing., Entwicklung Systemtechnik, Bosch Thermotechnik, ­Wernau, https://www.bosch-thermotechnology.com/corporate/de/startseite.html

Jetzt weiterlesen und profitieren.

+ TGA+E-ePaper-Ausgabe – jeden Monat neu
+ Kostenfreien Zugang zu unserem Online-Archiv
+ Fokus TGA: Sonderhefte (PDF)
+ Webinare und Veranstaltungen mit Rabatten
uvm.

Premium Mitgliedschaft

2 Monate kostenlos testen