Springe auf Hauptinhalt Springe auf Hauptmenü Springe auf SiteSearch
Horizontale Erdwärmeabsorber

Steigert Versickerung die Jahresarbeitszahl?

Kompakt informieren

  • Es wurde untersucht, ob durch die Kombination ­eines horizontalen Erdwärmeabsorbers mit einem Versickerungssystem die Arbeitszahl einer an diese Wärmequelle angeschlossene Wärmepumpe steigt.
  • Für die Bodenart Sand konnte per Simulation und im Versuch nachgewiesen werden, dass sich die Arbeitszahl durch zusätzliche Versickerung in begrenztem Umfang erhöhen lässt.
  • Mit dem Konzept können auch die Kosten für die Entsorgung von Niederschlagswasser gesenkt werden, wenn die örtliche Gebührengestaltung dies honoriert.

Die häufigste Bauform eines horizontalen Erdreichwärmeübertragers ist der Flächenkollektor. Er ist einfach zu installieren und preisgünstig herzustellen. Nachteil des Flächenkollektors ist die erforderliche Verlegefläche, die nicht bei jedem Baugrundstück zur Verfügung steht. Die für den Wärmeentzug vorgesehenen Flächen dürfen nicht überbaut, können aber bepflanzt sein. Für die thermische Regeneration des Bodens ist die natürliche Zuführung von Regenwasser wichtig.

Im Wesentlichen werden die Wärmespeicherfähigkeit und die Wärmeleitfähigkeit des Bodens von dessen thermischen Eigenschaften bestimmt, von der Wärmeleitfähigkeit und der volumetrischen Wärmespeicherkapazität. Diese sind abhängig von der Bodenart, der Dichte und vom Wassergehalt des Bodens. Die Entzugsleistung in Abhängigkeit der Bodenbeschaffenheit ist VDI 4640 Blatt 2 [1] zu entnehmen.

Das übergeordnete Ziel aller Planungen, Projektierungen und Ausführungen von Wärmequellenanlagen ist es, einen langfristig stabilen Betrieb mit hoher Effizienz zu gewährleisten. Im Rahmen einer Dissertation an der Moscow State University of Civil Engineering (MSUCE) wurde dazu versucht, einen unterirdischen Flächenkollektor derart mit einem Versickerungssystem zu kombinieren, dass einerseits durch die Versickerung Abwasserkosten gespart werden und andererseits die Wärmeausbeute des Erdkollektors durch die zusätzliche Feuchtigkeit erhöht wird.

Kriterium war die Arbeitszahl des Wärmepumpensystems, das Verhältnis der an das ­Heizungssystem (häufig inklusive der Trinkwassererwärmung) abgegebenen Energiemenge zur aufgenommenen elektrischen Energie. Die Jahresarbeitszahl einer Wärmepumpenheizungsanlage ist vergleichbar mit dem Jahresnutzungsgrad eines Wärmeerzeugers für gasförmige, flüssige oder feste Brennstoffe.

Simulation

Mit dem Simulationsprogramm WP-Opt wurde ein theoretischer Simulationswert für die Arbeitszahl als Vergleichswert mit der praktisch ermittelten Arbeitszahl aus den Versuchsreihen ermittelt. Neben der simulierten Ermittlung der Arbeitszahl wurde als Bestätigung dieses Simulationsergebnisses die theoretische Berechnung der Arbeitszahl gemäß VDI 4650 [3] durchgeführt, wobei auf diesen Vergleich nicht näher eingegangen wird. Folgende als konstant betrachtete Basiswerte waren Grundlage der Simulation:

  • die Normheizlast des Grundbaulabors ­beträgt 3,07 kW nach DIN EN 12831
  • die maximale Vorlauftemperatur beträgt 55 °C (für ein Radiatorheizsystem)
  • zur Verfügung stehende Verlegefläche 3 × 3 m
  • Rohrdurchmesser PE 32 × 2,9 mm
  • Solegemisch aus Ethylenglykol mit Wasser im Verhältnis 1:2 (Frostschutz bis –17 °C)
  • keine Sperrzeiten des Energieversorgers
  • keine Trinkwassererwärmung
  • monovalenter Betrieb der Wärmepumpenanlage
  • Klima- und Wetterdatenwerte Region Leipzig

Variiert wurde in drei Fallbeispielen die Qualität (Wärmeleitzahl) des untersuchten Sandes, um unterschiedliche Wassergehalte des Sandes darzustellen:

Fallbeispiel 1 repräsentiert trockener Sand mit einer sehr schlechten Wärmeleitzahl von 0,4 W/(m K) und einer spezifischen Wärmekapazität von 1,3 MJ/(m 3 K). Die in der Simulation ermittelte Arbeitszahl (inklusive Sole-Umwälzpumpe) dient im Folgenden als Bezugswert und wurde dazu auf AZ B = 1 normiert.

Für Fallbeispiel 2 mit feuchtem Sand und einer Wärmeleitzahl von 1,51 W/(m K) und einer spezifischen Wärmekapazität von 1,72 MJ/(m 3 K) wurde in der Simulation der Kennwert AZ FB2 = 1,049, also eine gegenüber dem Fallbeispiel 1 um 4,9 % höhere Arbeitszahl, ermittelt.

Für Fallbeispiel 3 mit nassem, feuchtegesättigtem Sand und einer Wärmeleitzahl von 2,7 W/(m K) und einer spezifischen Wärmekapazität von 2,3 MJ/(m 3 K) wurde in der Simulation der Kennwert AZ FB2 = 1,0735 ermittelt. Bei nassem, gesättigtem Sand erhöht sich somit in der Simulation die Arbeitszahl um 7,35 %.

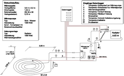
Versuchsaufbau

Der Versuch wurde entsprechend Abb. 2 aufgebaut. Eigens für die Versuchsreihe wurde eine Wärmepumpe mit 1300 W Heizleistung konstruiert. Nur so war es möglich, den gewollten Dauerlauf der Wärmepumpe zu gewährleisten und die Wärmequelle kontinuierlich mit der Entzugsleistung der Maschine zu belasten. Als Wärmesenke wurde ein Radiator mit 1500 W Heizleistung genutzt. Es erfolgte keine Optimierung der Wärmepumpe, da nicht die absolute Arbeitszahl, sondern eine prozentuale Steigerung der Arbeitszahl Untersuchungsgegenstand war.

Die Wassergehaltsbestimmung (Porenwassergehalt) laut DIN 18121-2 [4] vor Beginn der Versuchsreihe betrug 13,9 %. Bei der Bodenart handelte es sich um Sandboden mit Lehmanteilen. Ziel des Versuchs war es, den Bodenwasseranteil auf 25 % zu steigern. Die Maße des Nassbereiches des Versuchsfeldes waren 3 × 3 × 1,2 m (BLH). Es wurden 0,76 t Regen­wasser nach einem Bewässerungsalgorithmus über fünf Tage verteilt. Dazu wurde täglich ­Regenwasser mit Wassereimern dem Bewässerungssystem Abb. 3 in einer bestimmten Menge zugeführt.

Am 1. Versuchstag wurde mit ca. 30 % der Regenwassermenge der größte Anteil versickert, am letzten Versuchstag waren es noch ca. 5 %. Der Flächenkollektor wurde in 1,20 m unter der Geländeoberkante (GOK) eingebracht und in einem 30 cm starken Sandbett verlegt. Die Installation des Flächenkollektors erfolgte in Schneckenform mit einem Abstand von 0,6…0,70 m zwischen den Rohrschleifen. Über dem Flächenkollektor wurde in 0,7 m unter GOK das Versickerungssystem verlegt.

Die hydraulische Leitfähigkeit vom Boden ist stark vom Wassergehalt abhängig. Je höher der Porenwassergehalt des Bodens ist, desto besser lässt der Boden versickern. Ist der Boden gesättigt, wird die maximale Leitfähigkeit erreicht. Der Wassergehalt in der Kollektorschicht stellt sich hauptsächlich durch zwei Effekte ein: dem kapillaren Wasseraufstieg vom Grundwasserspiegel bis zum Kollektor und durch versickerndes Regenwasser [5].

Die am Beginn des 1. Versuchstages ermittelte Arbeitszahl ohne zusätzliche Befeuchtung des Erdreiches über dem installierten Flächenkollektor wurde wie bei der Simulation auf 1 normiert. Bis zur letzten Messung am letzten Versuchstag stieg die Arbeitszahl um 6,3 %. Während dieser Versuchswoche stieg der Wassergehalt des Erdreiches von anfänglich 13,9 % auf 25 % bis zum Versuchende.

Versuch hat Simulation bestätigt

Bedingt durch den Versuchsaufbau lagen die gemessenen Arbeitszahlen unter den Simulationsergebnissen, die prozentuale Steigerung der Arbeitszahl von unbefeuchtetem zu befeuchtetem Erdreich war jedoch in der Simulation und im Versuch nahezu gleich. Das Simulationsergebnis hinsichtlich der prozentualen Steigerung der Arbeitszahl wurde somit durch die Versuchsreihe bestätigt. Mit einer Erhöhung des Porenwassergehalts von 13,9 auf 25 % wurde eine Steigerung der Arbeitszahl von 6,3 % erzielt – der Betreiber einer solchen Anlage könne somit auch seine Heizkosten um etwa 6,3 % senken.

Geringere Abwassergebühren

In einer Vielzahl von Kommunen werden die Gesamtkosten der Schmutz- und Niederschlagswasserbeseitigung (noch) nach dem alleinigen Maßstab Trinkwasserverbrauch („Frischwassermaßstab“) berechnet. Allerdings führen immer mehr Kommunen eine gesplittete Abwassergebühr und / oder Abschläge für Regenwassernutzungsanlagen ein, um eine gerechte Kostenverteilung und die naturnahe Regenwasserbewirtschaftung zur fördern, d.h. Vorortversickerung, Entsiegelung von Grundstücksflächen und Regenwassernutzung. In einer Beispielrechnung des Bund für Umwelt und Naturschutz Deutschland Landesverband NRW (Landesarbeitskreis Wasser) werden für einen Privathaushalt mit einem Trinkwasserbezug von 150 m 3 /a und 60 m 3 /a eingeleitetem Regenwasser aus 120 m 2 versiegelter Fläche mit Kanalanschluss Abwassergebühren von 450 Euro/a fällig.

Wird bei sonst gleichen Bedingungen eine Regenwassernutzungsanlage mit einer Nutzmenge von 40 m 3 /a installiert, z.B. ein Regenwasserversickerungssystem für einen Flächenkollektor, und auf die Abwassergebühr für die genutzte Regenwassermenge verzichtet, ergeben sich Abwassergebühren von 330 Euro/a [6]. Somit ergibt sich eine Kostenersparnis von 120 Euro/a auf die Abwassergebühren.

Fazit

Eine zusätzliche Regenwasserversickerung kann einen Flächenkollektor als Wärmequellenanlage optimieren, jedoch nicht revolutionieren. Es lässt sich je nach Bodenverhältnissen die Arbeitszahl und damit die Jahresarbeitszahl verbessern. Mithilfe eines Versickerungssystems ist es aber nicht möglich, Planungs- und Installa­tionsfehler auf der Wärmequellenseite nachträglich zu korrigieren.

Für die genaue Planung eines Flächenkollektors mit Regenwasserversickerungssystem sind örtliche Niederschlagswerte mit entsprechenden Regenstunden im Jahr und der monatlichen Mengenverteilung unabdingbar. Weiterhin sind genaue Kenntnisse des Schichtenaufbaus des Erdreichs bis ca. 3 m unter GOK notwendig (Nutzung des Baugrundgutachtens bzw. Bestimmung der Schichtenfolge durch Rammkernsondierung). Die Bestimmung der Bodenfeuchte z.B. mit einer TRD-Sonde 1) ist einfach, preiswert, empfehlenswert und bietet Planungssicherheit.

Mithilfe eines Berechnungsprogramms, z.B. WP-Opt, ist es unkompliziert möglich, eine genaue Auslegung des Flächenkollektors mit Unterstützung eines Versickerungssystems zu planen. Die vor Ort gewonnenen Erkenntnisse und Vergleichsrechnungen bilden die Grundlage für die Entscheidung, ob ein Versickerungssystem sinnvoll zu installieren ist und in welchem Umfang eine Bevorratung von Regenwasser erforderlich ist. •

Weitere Artikel zum Thema Wärmepumpe enthält das TGAdossier Wärmepumpe: Webcode 718

1) Das TDR-Verfahren (TDR: Time Domain Reflectometry) zur Messung des volumetrischen Bodenwassergehalts nutzt bei der Auswertung der Laufzeit einer elektromagnetischen Welle durch das Medium (Erdreich) den Umstand, dass die Dielektrizitätszahl von Wasser (81) deutlich höher als die von Mineralböden (1…5) ist.

Literatur

[1] VDI 4640 Blatt 2 Thermische Nutzung des Untergrundes – Erdgekoppelte Wärmepumpenanlagen. Berlin: Beuth Verlag, September 2009

[2] WP-Opt: Software zur praxisorientierten Planung, Optimierung und Simulation von Wärmepumpenheizungen. Dresden, WPsoft GbR, https://wp-opt.de/

[3] VDI 4650 Berechnungen von Wärmepumpen – Kurzverfahren zur Berechnung der Jahresarbeitszahl von Wärmepumpenanlagen – Elektro-Wärmepumpen zur Raumheizung und Warmwasser­bereitung. Berlin: Beuth Verlag, März 2009

[4] DIN 18121 Baugrund – Untersuchungen von Bodenproben; Wassergehalt – Teil 2: Bestimmung durch Schnellverfahren (August 2001 und Entwurf August 2010). Berlin: Beuth Verlag

[5] Ramming, Klaus: Bewertung und Optimierung oberflächennaher Erdwärmekollektoren für verschiedene Lastfälle. Dresden: Dissertationsschrift, TU Dresden, 2007, Seite 27 ff.

[6] Hennebrüder, Willi: Landesarbeitskreis Wasser, Bund für Umwelt und Naturschutz, Landesverband NRW e.V.

[7] Lindner, Lothar: Anordnung und Verlegung von Rohrleitungen für einen Erdkollektor in Kombination mit einem Versickerungssystem, Veröffentlichung und Patent vom 1. April 2004

Wichtig für TGA-Planer, Anlagenbauer und Bauherren

TGA-Planer: Zur Planung eines Flächenkollektors mit Regenwasserversickerungssystem müssen genaue Niederschlagsdaten und der Schichtenaufbau des Erdreichs bis ca. 3 m unter Geländeoberkante bekannt sein. Vergleichsrechnungen auf dieser Datenbasis mit einer Wärmepumpen-Simulationssoftware ergeben dann eine Entscheidungsgrundlage.

Anlagenbauer: Eine zusätzliche Regenwasserversickerung kann einen Flächenkollektor als Wärmequellenanlage lediglich optimieren. Eine nachträgliche Korrektur von Planungs- und Installationsfehlern auf der Wärmequellenseite kann sie nicht leisten.

Bauherren: Ob die Kombination eines Flächenkollektors mit einem Regewasserversickerungssystem wirtschaftlich sinnvoll ist, hängt stark von den örtlichen Gegebenheiten und nicht zuletzt von der Gestaltung der Abwassergebühren ab.

Dipl.-Ing. Sven Porompka

ist Geschäftsführer der O.B. Bergsicherung Gera in Gera, Telefon (03 65) 7 73 70 60 sven.porompka@vaillant.de ,