Springe auf Hauptinhalt Springe auf Hauptmenü Springe auf SiteSearch
Baopt-Erfinder Albert Bauer über die Bauer-Optimierung

Renaissance der Zwei-Kanalanlage

Schmid: Herr Bauer, können Sie in ­wenigen Sätzen das Grundprinzip des Bauer-Optimierungssystems erklären?

Bauer: Das Baopt-System führt zu einer besseren Vermischung der Zuluft mit der Raumluft. Dabei werden Kurzschlüsse zwischen Zu- und Abluft eliminiert und im Raum eine maximale Temperaturdifferenz von nur 1 K über eine Raumhöhe von 10 m erreicht. Das bedeutet in einem Büroraum eine Temperaturabweichung von der Solltemperatur in der Horizontalen wie auch in der Vertikalen von nur etwa 0,2 K. Das erreichen wir sowohl mit EinKanalanlagen als auch mit Zwei-Kanalanlagen. Die Durchströmung des Raums erfolgt dabei völlig zugfrei. Durch die intensive Durchmischung der Raumluft über eine ungerichtete Strömung werden die sonst üblichen Luftwalzen mit ihren typischen Schadstoffinseln und Zuglufterscheinungen sicher vermieden. Die chaotische Luftströmung führt dazu, dass alle Stellen im Raum durchströmt werden, selbst Schränke und Schubladen.

Schmid: Wie ist Ihre Art der Lufteinbringung und Raumregelung entstanden?

Bauer: Aus purer Not! Ich war früher viele Jahre Leiter Betriebstechnik bei der Stadtsparkasse in München. Im Gebäude an der Münchner Leopoldstraße Abb. 2 hatten wir damals etwa 1100 Arbeitsplätze und 33 Lüftungsanlagen. Ständig gab es Beschwerden, dass es zu kalt oder zu warm war und dass es zieht. Trotz mehrfacher Verbesserungsversuche wurde die raumlufttechnische Situation in den Büros nicht besser. Ich fühlte mich damals von der Fachwelt ziemlich im Stich gelassen.

Schmid: Wie sind Sie dann vorgegangen?

Bauer: Ich fing an zu beobachten und zu experimentieren. Meine Regelungsversuche wichen teilweise um 180° von der damals üblichen Lehrmeinung ab. Der Planer der RLT-Anlagen, die Firma HL-Technik, kommentierte damals meine Experimente mit der Bemerkung, Herr Bauer, gehen Sie lieber spazieren, da haben Sie mehr davon. Doch ich ließ mich nicht beirren und setzte meine Versuche fort, weitgehend in der Nacht und an Wochenenden. Dabei habe ich Tausende Trendkurven ausgewertet und diese mit den Aussagen der Mitarbeiter verknüpft. Meine typischen Fragen waren damals: wann war es Ihnen zu warm, wann zu kalt, wann hat es gezogen, wann war es für Sie komfortabel. Es war mühsamste Kleinarbeit.

Schmid: Was waren Ihre ersten Erkenntnisse?

Bauer: Der wichtigste Ansatz zur Verbesserung des Raumkomforts ist eine optimale Durchmischung der Raumluft. Je besser sich die Luft in einem Raum mischt, desto weniger Zuluft wird benötigt. Die geringeren Luftmengen beim Baopt-System sind also ein Resultat der besseren Luftdurchströmung. Als ich die Anlagen in der Stadtsparkasse München nach diesen Gesichtspunkten korrigiert hatte, sparten wir pro Jahr rund 1 Mio. DM an Energiekosten ein. Ein Vorteil der neuen Regelungsstrategie war, dass die bestehende Anlagenstruktur weiterverwendet werden konnte, da wir nur in die Regelung und Steuerung der Anlagen eingriffen. Diese Änderung war allerdings gravierend. Die Rechenarbeit eines Klimaanlagenreglers steigt bei einem Baopt-System um den Faktor 20 bis 50. Für moderne DDC-Systeme ist dies jedoch unproblematisch.

Schmid: Was unterscheidet eine herkömm­liche raumlufttechnische Regelung von einer Baopt-orientierten Regelungsstrategie?

Bauer: Alles! Unsere Regelungsstrategie ist komplett anders aufgebaut. Zum Beispiel verzichten wir ganz auf die üblichen Sequenzen von 0 bis 100 %, also Kühlen und Heizen mittels eines einzigen Reglers. Unsere Regelungskonzepte basieren in erster Linie auf einer variablen Regelungsgeschwindigkeit von sehr langsam bis sehr schnell. So einen Regler gab es bis dato nicht auf dem Markt. Außerdem arbeitet unser Regelungskonzept in der Anfahrphase mit einem gezielten Über- und Unterschwingen, um möglichst schnell den Sollwert zu erreichen. Ähnlich reagiert unser Regler auf Laständerungen, das heißt, er reagiert sehr schnell auf Sollwertabweichungen und verlangsamt dann die Regelungsgeschwindigkeit.

Wir erreichen dadurch eine sehr genaue Raumtemperaturhaltung mit einer maximalen Über- und Unterschwingung von 0,3 K. Das ist ein Traumwert für eine Raumtemperaturregelung, insbesondere nach Betriebsunterbrechungen, wenn die Klimaanlagen am Morgen starten. Wichtig ist, dass wir immer mit 100 % Leistung beginnen und nach dem ersten Überschwingen abregeln. Die Regler sind im Heizfall so programmiert, dass es nur einmal zu einem Überschwingen kommt, aber so gut wie nie zu einem Unterschwingen. Das führt zu einem maximalen Raumkomfort.

Schmid: Mussten dafür völlig neue Regler konstruiert werden?

Bauer: Nein, wir haben nur die Regelalgorithmen, also die Software, verändert, was jedoch sehr aufwendig ist. Die Programmierung eines solchen Reglers umfasst rund 200 Druckseiten, das heißt, der Regler ist ständig am Rechnen. Die lizensierten Regelungsfirmen übersetzen unser Programm dann in ihre jeweilige Reglersprache. Das Baopt-Programm steht für die unterschiedlichen Reglerfabrikate als fester Baustein zur Verfügung. Sobald unsere Software in das jeweilige Reglerfabrikat eingepflegt ist, wird dieser von uns getestet und freigegeben. Bei der Inbetriebnahme einer Anlage muss dann nur noch parametriert werden.

Schmid: Wie lange haben Sie an diesem Regelungskonzept gearbeitet?

Bauer: Rund 25 Jahre, quasi lebenslänglich, wenn man bedenkt, dass ich manchmal Tag und Nacht und oft auch an Wochenenden an den Regelalgorithmen gearbeitet habe. Da ich von der Elektroseite komme, musste ich mir zunächst die Grundlagen der Klimatechnik und der Strömungslehre sowie das Programmieren der Regler beibringen. Mein Wissen kommt fast ausschließlich aus der Praxis, vor allem durch Beobachten und durch meine Versuchsreihen mit unterschiedlichen Regelungssignalen und Regelungsgeschwindigkeiten. Daraus ist dann der Baopt-Regelalgorithmus entstanden.

Schmid: Wie hat die Fachwelt reagiert?

Bauer: Die Fachwelt hat meine Erkenntnisse am Anfang erst belächelt, dann strikt abgelehnt. Gravierend für die Klima- und Lüftungsbranche ist natürlich, dass man bei Anlagen nach dem Baopt-System keine Volumenstromregler mehr braucht. Motorisierte Klappen reichen für den Luftabgleich aus. Da bei unserem System geringere Luftmengen bewegt werden, können die Ventilatoren erheblich kleiner dimensioniert werden.

Schmid: Worauf führen Sie den hohen Behaglichkeitsfaktor Ihrer Regelung zurück?

Bauer: Das Hauptproblem beim neuen Stadtsparkassengebäude war damals, ein einheitliches Regelungskonzept für die weiblichen und männlichen Beschäftigten umzusetzen. Rund 70 % der Belegschaft war weiblich. Bei meinen Befragungen über den individuell gefühlten Raumkomfort kam ich am Anfang zu ganz unterschiedlichen geschlechtsspezifischen Empfindungen. Während Frauen im Sommer relativ leicht bekleidet sind, tragen Männer in diesem Metier ganzjährig Anzug mit Krawatte. Aufgrund der unterschiedlichen Bekleidungsgewohnheiten werden Zugerscheinungen ganz unterschiedlich empfunden.

Beim Baopt-System liegt die maximale Luftgeschwindigkeit bei nur etwa 0,1 m/s. Damit schaffen wir ein Raumklima, das für Frauen wie Männer komfortabel ist. 0,1 m/s war in einem klimatisierten Raum bis dato kaum realisierbar. Dazu kommt eine maximale Temperaturdifferenz im Raum von nur 0,2 K. Das sind optimale Bedingungen. Selbst die Luftturbulenzen durch umhergehende Personen, die insbesondere von Frauen oft als Zugluft wahrgenommen werden, sind durch unser System kaum mehr spürbar. Meinen Beobachtungen zufolge bildet sich beim Baopt-System um die Büromöbel herum eine Art Luftpolster, das die von Menschen verursachten Turbulenzen abbremst Abb. 3 .

Schmid: Und worauf führen Sie dann die hohe Behaglichkeit trotz unterschiedlicher Bekleidungsgewohnheiten von Männern und Frauen zurück?

Bauer: Wir haben die Luftströmungen im Raum durch Nebel sichtbar gemacht. Dabei stellten wir fest, dass bei einem Baopt-geregelten Büroraum auch die Räume zwischen Körper und Kleidung „durchlüftet“ werden. Im Gegensatz dazu stagniert in einem konventionell geregelten Gebäude die von Kleidungsstücken eingeschlossene Luft, also die in Hosenbeinen oder Sakkos. Nach meinen Beobachtungen führt das zu einem Wärmestau und dadurch zu einem anderen Temperaturempfinden Abb. 4 .

Für mich war diese Entdeckung eine Sensation. Es ist eine Erklärung, warum es in Baopt-geregelten Gebäuden weniger temperaturbedingte Beschwerden von Frauen gibt, die mit Männern in einem Raum arbeiten.

Im Rahmen dieser Untersuchungen haben wir auch die Luftströmungen in geschlossenen Schubladen und Schränken beobachtet. Einigen Mitarbeitern fiel beispielsweise auf, dass nach dem Einbau des Baopt-Systems die regenfeuchten Mäntel in den Garderobeschränken schneller trockneten und besser rochen als vor der Sanierung. Der Nebeltest lieferte dann auch hier den Beweis, dass der Schrank durch die nunmehr chaotische Luftführung besser durchströmt wird als zuvor mit der gerichteten Luftführung. In einer mit einer Baopt-Regelung nachgerüsteten Turnhalle in Österreich hatten wir einen Fall, dass die aus Sicherheitsgründen in einem Unterputzkasten eingebauten Sensoren für Temperatur, Feuchte und Luftqualität anstandslos funktionierten, obwohl der Kasten nur minimal über Schlitze belüftet war.

Schmid: Sie wurden anfänglich von der etablierten Klimabranche wegen ihrer unkonventionellen Vorgehensweise heftig kritisiert, auch weil der wissenschaftliche Nachweis für Ihr Regelungskonzept fehlte. Gibt es inzwischen wissenschaftliche Belege für Ihre empirischen Arbeiten?

Bauer: Ja, die gibt es in großer Anzahl, aber sie werden nach meiner Beobachtung nicht ­veröffentlicht. Einige Fachhochschulen haben im Auftrag von Gebäudeeigentümern und ­Betreibern Untersuchungen mit dem Baopt-System durchgeführt. Es gab aber auch Forschungsaufträge der Klimaindustrie, die jedoch nie veröffentlicht wurden. Mir ist ein Fall bekannt, da waren die Ergebnisse der ­Untersuchung sehr gut, aber sie durften auf Anweisung der Geldgeber nicht publiziert werden. Um es konkret zu sagen: Am ­Anfang hat die Klimabranche versucht, mich ­zu vernichten. Jetzt habe ich so viele posi­tive ­Referenzen, dass sich die Stimmung eher ­umgekehrt hat.

Schmid: Mit welchen Anlagensanierungen schafften Sie den Durchbruch?

Bauer: Der Durchbruch kam mit der Nachrüstung von Gebäuden der Universität Linz und des Südwestrundfunks, die allesamt positiv waren und zu hohen Energieeinsparungen führten. Auch die Ergo-Versicherungsgruppe rüstet seit 2006 kontinuierlich Gebäude mit einer Gesamtfläche von bisher über 200000 m 2 auf das Baopt-System um Abb. 5 .

Schmid: Wie ist heute Ihr Verhältnis zu den Vertretern aus Forschung und Lehre im Bereich Klima-, Lüftungs- und Regelungstechnik?

Bauer: Ich habe zu diesem Personenkreis inzwischen ein ganz entspanntes Verhältnis. Meine empirisch gewonnenen Erkenntnisse haben sich als richtig erwiesen. Wenn die Professoren mich in Ruhe lassen, dann lasse ich sie auch in Ruhe, auch wenn meine Erfahrungen mit Akademikern nicht gerade erfreulich waren. Als ich einmal nach fachlicher Unterstützung fragte, wies man mich ab mit der Bemerkung, sie hätten keine Bauernsprechstunde. Heute brauche ich keine Professoren mehr. Mein Erfolg gibt mir Recht.

Schmid: Die Regelungsindustrie scheint Ihr Konzept als erste verstanden zu haben. Immerhin gibt es unter den Anbietern von Regelungs- und Gebäudeautomatisierungssystemen inzwischen neun Lizenznehmer, darunter Firmen wie Siemens, Honeywell, Saia, Kieback & Peter oder Priva. Wie ist Ihr Verhältnis zur Klimaindustrie?

Bauer: Man kann das Verhältnis zur Klima­industrie sicher nicht als gut bezeichnen, aber wir haben uns arrangiert. Ich lege der Branche nichts in den Weg und die Branche toleriert mich inzwischen größtenteils. Ich bin der Auffassung, das Baopt-System fördert den Einbau von Klimaanlagen, da die Beschwerderate zurückgeht, die Behaglichkeit steigt und die Energiekosten signifikant gesenkt werden können. Wenn die Klimaindustrie das Thema richtig anpacken würde, könnte sie damit einen Boom auslösen.

Schmid: Wer entscheidet über den Einbau eines Baopt-Systems?

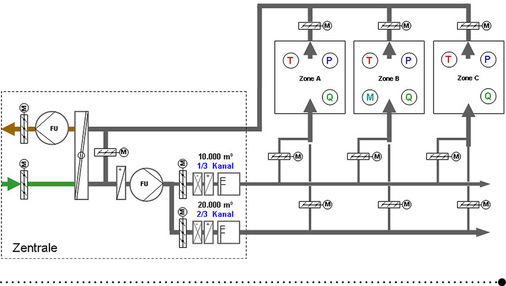
Bauer: Es sind in erster Linie die Betriebsingenieure von Unternehmen, die für sich selbst bauen und die große Liegenschaften betreiben und verwalten. Inzwischen haben wir aber auch unter den TGA-Planern eine Fangemeinde. Die Zahl der positiv eingestellten Planer nimmt stetig zu. Früher waren etwa 80 % der TGA-Planer strikt gegen Baopt, heute sind es vielleicht noch 20 %. Als wichtigen Meilenstein sehe ich die zunehmende Akzeptanz des sehr wirtschaftlichen Baopt-Kanalsystem, eine Kombination aus zwei Ein-Kanalanlagen, bei denen die Zuluftkanäle im Verhältnis ein Drittel zu zwei Drittel aufgeteilt werden. (Anmerkung der Redaktion: siehe Info-Kasten.)

Schmid: Welchen Anteil haben Sanierungen, wie viele Neuanlagen werden nach Baopt-Kriterien gebaut?

Bauer: Die Sanierung bestehender Klimaan­lagen ist nach wie vor die tragende Größe in unserem Geschäft. Ich schätze das macht etwa 70 % unserer Aufträge aus. Der Rest sind Neuanlagen.

Schmid: Wie kommt ein TGA-Planer an das notwendige Know-how?

Bauer: Wir unterstützen die Planer von raumlufttechnischen Anlagen und den dazugehörenden Regelungen mit Rat und Tat. Außerdem beraten wir Bauherren, Architekten und Betreiber, treten aber nicht als Wettbewerber zu Planungsbüros auf. Unsere Erfahrungen zeigen, dass TGA-Planer etwa ab der fünften BaoptAnlage von uns keine Unterstützung mehr benötigen.

Schmid: Müssen Klimaanlagen nach Baopt anders geplant werden?

Bauer: Ich empfehle zunächst, ein konven­tionelles Nur-Luft-System zu planen und zu berechnen. Von diesem Wert kann man 30 % abziehen, dann liegt man bei einer Büroklimatisierung richtig. Diese Luftmenge reicht aus, die Räume zu heizen und zu kühlen. ­Wichtig ist, dass die Bewegungsenergie der Zuluft auf null abgebaut sein muss, bevor die Zuluft auf Menschen trifft. Das ist eine Aufgabe, die auch für die konventionelle Klima­anlage gilt.

Im Kühlfall können wir 12 °C kalte Luft einbringen. Deshalb muss man der Luftzuführung mehr Aufmerksamkeit schenken. Durch die vergleichsweise kalte Zuluft kann ich im Kühlfall die Luftmenge gegenüber der üblichen Einblas­temperatur von 18 °C quasi halbieren. Das bedeutet rund 75 % weniger Energie für den Lufttransport. Leider kümmern sich nicht alle TGA-Planer um die Energiekosten einer Anlage, sondern eher um die Investitionskosten, denn danach richtet sich ihr Honorar.

Schmid: Wie verdienen Sie Ihr Geld?

Bauer: Der Kunde, also der Eigentümer des Gebäudes, erwirbt eine Lizenz. Diese Lizenzgebühr bezieht sich auf den Raumkubikmeter und ist nur einmal fällig.

Schmid: Erlebt die Zwei-Kanalanlage durch das Baopt-Regelungssystem eine Renaissance?

Bauer: Das kann man durchaus so sehen. Wir treten hier tatsächlich gegen andere Systeme wie Betonkerntemperierung, aber auch Heiz-/Kühldecken mit Hygienelüftung an. Unser System reagiert schnell, ist behaglich und spart mehr Energie als andere Klimasysteme.

Schmid: Gibt es belastbare Zahlen über die Einsparungen an Investitionskosten?

Bauer: Jede Klimaanlage ist ein Unikat und deshalb lassen sich keine pauschalen Einsparungen festlegen. Wenn man die Kosten für ein statisches Heiz- und Kühlsystem mit Hygienelüftung zugrunde legt, dann können wir mit der gleichen Investition eine Vollklimaanlage auf der Basis des Ein-Drittel/Zwei-Drittel-Kanalsystems inklusive Einzelraumregelung anbieten. Es gibt Projekte, da lagen die Investitionskosten für die Baopt-Lösung um rund 20 % niedriger als für die konventionelle HLK-Installation.

Vielen Dank für das Gespräch. •

Fachberichte zum Thema ­enthält das TGAdossier Raumluftströmung: Webcode 1148

Vita

Albert D. Bauer (Jahrgang 1951), ursprünglich gelernter Elektromeister, war viele Jahre als technischer Leiter und Fachreferent für Energieoptimierung in großen Verwaltungsgebäuden tätig. In dieser Zeit hat er sich intensiv mit dem Thema Behaglichkeit und Energieeinsparung in der Heizungs- und Klimatechnik befasst. Die während dieser Zeit erlangten Kenntnisse führten zu diversen Patenten über die Regelung von Klima-, Lüftungs- und Heizungsanlagen. Zur wirtschaftlichen Verwertung dieser Patente und der Regelungssoftware gründete Bauer als Alleingesellschafter die Firma Bauer Optimierungstechnik GmbH & Co. KG, Ismaning. Die Software der Regelungsstrategie des Systems Bauer Optimierungstechnik, kurz Baopt, wird inzwischen in Kooperation mit namhaften DDC-Herstellern eingesetzt und mit erheblichen Zuwachsraten in Deutschland und außerhalb durch Tochtergesellschaften in Österreich, Schweiz und Australien sowie Vertriebsgesellschaften in Holland und Belgien vermarktet. https://www.boschbuildingtechnologies.com/de/de/

Das neue Baopt-Kanalsystem

Im Zuge einer Baopt-Sanierung werden die bestehenden Mischkästen von Zwei-Kanalanlagen durch Regelungsklappen ersetzt und die Klimaregler mittels einer Baopt-Regelungssoftware aufgerüstet. Für Neuanlagen hat Albert Bauer das Baopt-Kanalsystem entwickelt, eine Kombination aus zwei EinKanalsystemen. Die Funktion erklärt Albert Bauer so: Die Volumina der beiden Zuluftkanäle werden im Verhältnis ein Drittel zu zwei Drittel aufgeteilt. Dabei verabschieden wir uns von dem reinen Wärmekanal und dem reinen Kaltkanal. In unserem Kanal 1 und Kanal 2 gibt es keine konstanten Zulufttemperaturen wie bei der klassischen Zwei-Kanalanlage, sondern variable Temperaturen. Auch die Luftmengen sind nicht mehr konstant. Neu ist die große Temperaturspanne in den Kanälen, beispielsweise 12 °C im Kühlfall und 45 °C im Heizfall. Beide Kanäle können heizen und kühlen. Im Sommerfall sind beide Kanäle Kaltkanäle, im Winter beide Kanäle Warmkanäle. Nur in der Übergangszeit – im Frühjahr und im Herbst – gibt es sowohl einen Warm- als auch einen Kaltkanal. Die Kanäle werden dazu – je nach aktuellem Bedarf – unterschiedlich beaufschlagt in Bezug auf Zulufttemperatur und Luftvolumen. Diese Variabilität in der Luftführung erfordert natürlich einen höheren Regelungsaufwand – rund 160 Datenpunkte müssen dazu abgearbeitet werden. Durch die flexible Nutzung der Kanäle zur Heizung und Kühlung sparen wir an Kanalquerschnitt und umgewälztem Luftvolumen. Neu ist, dass wir zwei unterschiedlich große Kanäle nutzen, sodass sich die Zuluftmenge über eine entsprechende Klappe leicht an den Lüftungsbedarf anpassen lässt. Im Grunde stehen uns drei Kanäle zur Verfügung: Der kleine, der große sowie beide Kanäle. Wird wenig Heizleistung benötigt, schaltet die Klappe auf den kleinen Kanal, ebenso wenn nur noch wenig Kühlbedarf besteht. Wenn ausschließlich Heiz- bzw. Kühlbedarf besteht, werden beide Kanäle beaufschlagt. Bei sin­kendem Bedarf kann auch ein Kanal ganz abgeschaltet werden. Im Grunde ­genommen ist diese Zwei-Kanalanlage nicht größer als eine Ein-Kanalanlage. Regelungstechnisch entspricht sie zwei kompletten Ein-Kanalsystemen. Das spart sowohl Investitionskosten als auch Energiekosten.

Jetzt weiterlesen und profitieren.

+ TGA+E-ePaper-Ausgabe – jeden Monat neu
+ Kostenfreien Zugang zu unserem Online-Archiv
+ Fokus TGA: Sonderhefte (PDF)
+ Webinare und Veranstaltungen mit Rabatten
uvm.

Premium Mitgliedschaft

2 Monate kostenlos testen

Tags