Springe auf Hauptinhalt Springe auf Hauptmenü Springe auf SiteSearch
Dungs

Ventilprüfmodul

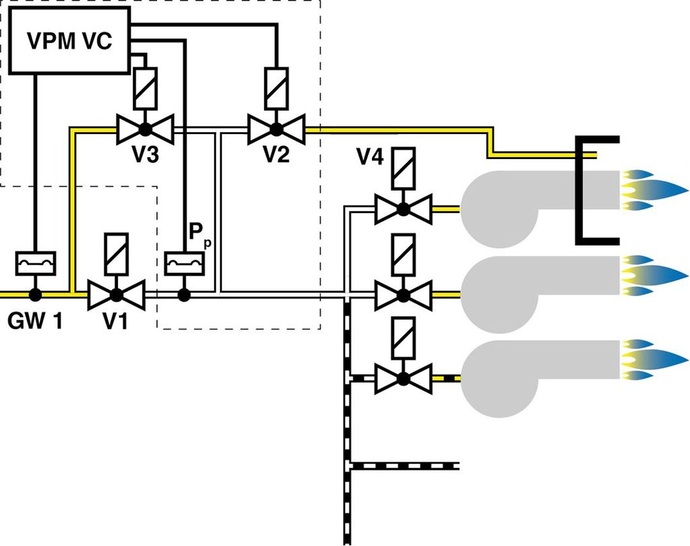
Das Ventilprüfmodul VPM-VC (Valve Check) nach EN 1643 für System-Dichtheitsprüfungen prüft in Verbindung mit einem oder zwei Gasdruckwächtern die Dichtheit der Brenner-Gasabsperrventile, wahlweise vor Inbetriebnahme oder nach Abschaltung der Anlage. Das Prüfsystem kann als Dichtheitskontrolle allein oder in Verbindung mit Feuerungs­automaten verwendet werden. Es findet Einsatz in Gasfeuerungsanlagen für Heiz- und Prozesswärme und bei Gasmotoren. Der Programm­ablauf, die Füll-/Entlüftungsvarianten und die Programmzeiten können durch den Anwender anlagenspezifisch angepasst werden: Ventilprüfung vor Brennerstart, Ventilprüfung nach Brennerabschaltung oder Ventil­prüfung nach Brennerabschaltung mit optimierten Ventilschalt­spielen. Für große Volumen ist die Prüfzeit auf bis zu max. 1 h einstellbar. Eine LED-Anzeige signalisiert undichte Ventile. Ein Multifunktions­ausgang ermöglicht die direkte Ausgabe unterschiedlicher Geräteinformationen. Wahlweise kann die Prüfstrecke über den Brennerraum oder über Dach entlüftet werden.

Dungs

73660 Urbach

Telefon (0 71 81) 80 40

info@dungs.com

http://www.dungs.com

Tags