Springe auf Hauptinhalt Springe auf Hauptmenü Springe auf SiteSearch
  • Home
  • Alle Artikel zum Thema Strahlpumpe

Alle Artikel zum Thema Strahlpumpe

 Bild 1 Die Berücksichtigung von ESG-Prinzipien in der Gebäudetechnik ist für die Betreiber vorteilhaft, da hier geringe Umweltauswirkungen zumeist auch geringe Lebenszykluskosten bedeuten.
Lebenszyklusbetrachtung

ESG und Gebäudetechnik: Theorie und in der Praxis

-

Eine systematische ESG-Bewertung zeigt, warum sich in der Gebäudetechnik einfache hydraulische Schaltungen positiv auf die Nachhaltigkeit auswirken.

Bild 1 Heizungs- und Kälteverteiler Hydropilot mit Strahlpumpen-Aufbaugruppen.
Hydraulik für HLK-Regelkreise

Heizungs- und Kälteverteiler mit integrierter Energiemessung

-

In hydraulischen Systemen von HLK-Anlagen werden zahlreiche Sensoren und Aktoren eingesetzt. Beim Aufbau von Verteilern sind große Vereinfachungen möglich.

Baelz: 373-E07-OSX.
Baelz

Digitaler Motorhubantrieb mit Sicherheitsfunktion

-

Der digitale Baelz-Motorhubantrieb 373-E07-OSX für Regelventile und Strahlpumpen verfügt über eine Sicherheitsfunktion mittels integrierter Spiralfeder.

Bild 1 Strahlpumpe baelz480 mit Antrieb baelzE07-373 mit Regler baelz7164. Der Einbau des Reglers in den Motorhubantrieb vereinfacht die Installation. Er ermöglicht einen konstanten Sollwert oder eine über fünf Eckpunkte definierte Heizkurve. Über Modbus ist eine Vernetzung möglich.
Wasserstrahlpumpe

Einfache Hydraulik für Heiz- und Kühlanlagen

-

Der dominierende Teillastfall in Heizungsanlagen erfordert bei der elektrodynamischen Regelung oft zusätzliche Maßnahmen und Investitionen und kann nicht alle Energieeinsparpotenziale nutzen. Dies gelingt mit der hydrodynamischen Regelung mit Wasserstrahlpumpen bei geringeren Investitionen.

Bild 1: Mit Baelz-Strahlpumpen modernisierter Heizungsverteiler im Landeskrankenhaus Hollabrunn.
Referenzprojekt W. Bälz & Sohn

Mit Strahlpumpen viel Energie eingespart

-

Das Referenzprojekt Landesklinikum Hollabrunn belegt erneut: Die Kosten­ersparnis bei Investitionen und Betriebskosten sowie ein schonender Umgang mit Ressourcen sprechen deutlich für den Einsatz von Baelz-Strahlpumpen in der Gebäudetechnik.





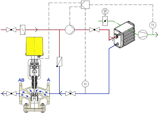
1
 Heizregister-Regelung einer Lüftungsanlage mit Umwälzpumpe und Durchgangsventil.
Hydraulik für Lufterhitzer

Strahlpumpen regeln RLT-Anlagen günstiger

-

Der in fast allen Heizungssystemen am Verbraucher vorhandene Netzdifferenzdruck kann für die Regelung von Lufterhitzern in RLT-Anlagen durch eine Strahlpumpe mit mehreren Vorteilen genutzt werden.

Abb. 1 Strahlpumpe zur Trinkwassererwärmung nach dem Durchflussprinzip mit beispielhaften Temperaturen (Fernwärme).
Optimierte Heizungsregelung

Mit Strahlpumpen die Kosten senken

-


Die Regelung von Heizungs-, Lüftungs- und Kälteanlagen mit der Strahlpumpentechnologie senkt die Brennstoff-, Strom-, Wasser-, Investitions- und Wartungskosten. Die erzielte Energieeinsparung ist nicht nur umweltgerecht, sondern auch ökonomisch sinnvoll.