Springe auf Hauptinhalt Springe auf Hauptmenü Springe auf SiteSearch
Hydraulik für Lufterhitzer

Strahlpumpen regeln RLT-Anlagen günstiger

Kompakt informieren

  • Wird eine Strahlpumpe für die Regelung von Lufterhitzern eingesetzt, verringern sich die Investitions- und MSR-Kosten gegenüber der klassischen Lösung mit Umwälzpumpe und Regelventil.
  • Die Hydraulik mit Strahlpumpe ist damit in der Anschaffung und auch im Betrieb durch entfallende Stromkosten für die Umwälzpumpe deutlich günstiger.

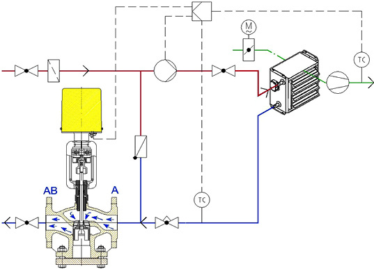
Planungsbüros können den Investitions- und Betriebskostenaufwand für die Regelung der Lufterwärmung in RLT-Anlagen deutlich senken, wenn sie dabei auf regelbare Strahlpumpen setzen und nicht bei der gewohnten Routine bleiben. Die noch meistens verwendete Anlagenhydraulik „aus der Schublade“ ist die mit Umwälzpumpe und Durchgangsventil Abb. 1. Die effektive und gleichzeitig finanziell günstigere Alternative ist in Abb. 2 dargestellt. Hier hat der TGA-Planer die bewährte regelbare Strahlpumpe eingesetzt.

Der Vergleich beider Lösungen ergab schon bei den Investitionskosten einen Vorteil für die Strahlpumpentechnik von 30 bis 40 % gegenüber der herkömmlichen Technik mit Durchgangsventil und Umwälzpumpe. Denn bei der Hydraulik mit Strahlpumpe entfallen die Umwälzpumpe inklusive Datenpunkten, Verkabelung und Schaltschrankanteil. Bei einer angenommenen rechnerischen Lebensdauer der Anlage von 15 Jahren werden je nach Nutzungsdauer etwa 10 000 Euro durch den Wegfall der Umwälzpumpe eingespart. Durch den Einsatz der Hydraulik mit Strahlpumpe sinken analog zum geringeren Hilfsenergieverbrauch auch die CO 2 -Emissionen aus der Strombereitstellung. Die einzige technische Voraussetzung für den Einbau der Strahlpumpe ist ein Netzdifferenzdruck, der bei 90 % aller Anlagen gegeben ist.

Bei der Beispielanlage mit einem Luftvolumenstrom von 60 000 m 3 /h, einem Druckverlust über dem Heizregister von 16,4 kPa bei einer Heizleistung von 608 kW (– 14/100/70 °C) war der vorhandene Netzdifferenzdruck von 34 kPa vollkommen ausreichend.

Lese-Tipp

In TGA 08-2013 wird darüber berichtet, wie mittels Dampfstrahlpumpen eine Wärmerückgewinnung aus Dampfbrüden mit geringem Aufwand und erheblichen Vorteilen gegenüber einem Brüdenwärmeübertrager realisiert werden kann. Der Artikel „Nutzwärme statt Dampfschwanden“ kann auf https://www.tga-fachplaner.de/ über den  Webcode  547069 aufgerufen werden.

Dr. Renate Kilpper

ist seit mehreren Jahren als Fachjournalistin bei W. Bälz & Sohn tätig, https://www.baelz.de/

Dipl.-Ing. Marc Gebauer MBM

Technisches Büro Berlin von W. Bälz & Sohn, Heilbronn, Telefon (0 71 31) 1 50 00, baelz.b@baelz.de , https://www.baelz.de/

Jetzt weiterlesen und profitieren.

+ TGA+E-ePaper-Ausgabe – jeden Monat neu
+ Kostenfreien Zugang zu unserem Online-Archiv
+ Fokus TGA: Sonderhefte (PDF)
+ Webinare und Veranstaltungen mit Rabatten
uvm.

Premium Mitgliedschaft

2 Monate kostenlos testen