Springe auf Hauptinhalt Springe auf Hauptmenü Springe auf SiteSearch
Energieeinsparung

Edelstahlproduktion mit weniger Dampf

Kompakt informieren

  • Der Einbau von Dampf/Wasser-Wärmeübergabestationen mit Kondensatauskühlung führt bei der Verwendung von Dampf im Produktionsprozess zu enormer Energieeinsparung.
  • Ein geschlossenes Dampf-Kondensatsystem verhindert die Verschwendung überschüssigen Dampfs. Seine Energie wird bewahrt und steht nach Umwandlung als Heißwasser zur weiteren Verwendung bereit.
  • Die energetische und damit auch finanzielle Einsparung führt dazu, dass sich die Investition in ein geschlossenes Dampf-Kondensatsystem innerhalb kürzester Zeit amortisiert.
  • Dampfschläge und zahlreiche andere Nachteile können mit einem geschlossenen Dampf-Kondensatsystem vermieden werden.

Edelstahl rostet nicht, würde man vermutlich als wesentliche Eigenschaft bei einer Bürgerbefragung erheben. Allerdings muss ein Edelstahl nicht zwangsläufig den Anforderungen eines nichtrostenden Stahls entsprechen – obwohl im Alltag in der Regel nur rostfreie Stähle als Edelstähle bezeichnet werden. Nach DIN EN 10 020 „Begriffsbestimmung für die Einteilung der Stähle“ ist Edelstahl eine Bezeichnung für legierte oder unlegierte Stähle mit besonderem Reinheitsgrad, zum Beispiel Stähle, deren Schwefel- und Phosphorgehalt 0,025 % (Massenanteil) nicht überschreitet. Und der Legierungsanteil von niedrig- oder hochlegiertem Edelstahl ist sehr genau definiert, um spezifische Eigenschaften gewährleisten zu können. Im Jahr 2017 wurden weltweit rund 48 Mio. t rostfreier und hitzebeständiger Rohstahl produziert.

Für die Produktion von Edelstahl werden große Mengen an Energie benötigt, unter anderem für die Erzeugung von Prozessdampf. Denn Dampf ist für die benötigten hohen Temperaturen im Herstellungsprozess unentbehrlich. Weil die Dampferzeugung sehr kostenintensiv ist, sollte Dampf sparsam verwendet und ungenutzte Überschüsse stets vermieden werden.

Dampf-Kondensatsystem umgerüstet

Um dies umzusetzen, hat ein weltweit vertretenes Unternehmen sein Dampf-Kondensatsystem umgerüstet. Die bisherigen, veralteten Dampf/Wasser-Übergabestationen im Werk leiteten das hochtemperierte Kondensat in offene Kondensatsammelbehälter. Der dabei entstehende Brüdendampf gelangte über Abdampfleitungen ungenutzt ins Freie. Dampf-Wasserschläge, heftige Geräusche, Materialverschleiß, Korrosion durch Luftsauerstoff in den Kondensatleitungen und ein riesiger Energieverlust waren die Folge.

Hier empfahl sich die Dampf/Wasser-Wärmeübergangstation Abb. 1 von Baelz, ein geschlossenes Dampf-Kondensatsystem ohne Kondensatbehälter. In zwei stehenden Wärmeübertragern mit jeweils 6 MW Leistung wird die Wärme des überschüssigen Dampfs auf Wasser übertragen, das dann als Heißwasser zu weiterer Verwendung bereit steht. Zusätzlich zu der Wärme des Dampfs wird auch die des Kondensats im Wärmeübertrager genutzt, was zu einer maximalen Auskühlung des Kondensats mit gleichzeitiger Nutzung seiner Wärme führt. Die enorme Energieeinsparung zeigt der Vergleich der alten und der neuen Anlage.

Einsparung von Dampf

Der bisher vorhandene liegende Wärmeübertrager ohne Kondensatauskühlung führt zu Kondensat mit ca. 170 °C. Die verwendete Dampfmenge betrug 10 529 kg/h. Der neu installierte stehende Wärmeübertrager mit Kondensatauskühlung führt zu Kondensat mit 90 °C. Die verwendete Dampfmenge liegt nur bei 9051 kg/h, da die Wärme aufgrund der größeren Heizfläche besser ausgenützt wird und deshalb weniger Dampf für die gleiche Menge übertragener Wärmeenergie notwendig ist.

Als Differenz ergibt sich eine eingesparte Dampfmenge von 1488 kg/h also ca. 1,5 t/h. Bei einer Betriebszeit von 5000 h/a sind das 7500 t/a. Bei Erzeugungskosten von 30 Euro/t Dampf erbringt das eine Einsparung von 225 000 Euro/a.

Zwei Kondensatregelventile in Sequenz

Um eine stabile Regelung bei den großen Wärmeübertragern (2 × 6 MW) auch im unteren Lastbereich zu erzielen, erfolgt die Regelung der jeweiligen sekundären Vorlauftemperatur über zwei Kondensatregelventile in Sequenz. Hierbei deckt das kleinere Regelventil einen Leistungs-bereich von 0 bis 20 % ab, das größere ca. 20 bis 100 %.

Um auch Laständerungen auf der Sekundärseite sicher aufzufangen, wurde großer Wert darauf gelegt, dass die Regelung auf der Primärseite schneller ist und die Sekundärseite sehr langsame Laständerungen vornimmt. Auch bei Abschaltung der Sekundärseite (Nulllast) muss zuerst die Primärseite geschlossen werden, und erst dann kann die Last auf der Sekundärseite gegen Null fahren. So wird eine konstante stabile sekundärseitige Vorlauftemperatur von 106 °C über die beiden Kondensatregelventile erreicht.

Eine ursprünglich vorgesehene Kurzschlusspumpe auf der Sekundärseite, die Übertemperaturen bei Nulllast verhindern sollte, wurde auf bauseitigen Wunsch zwar eingebaut, jedoch ist diese Pumpe für diesen Zweck noch nie in Betrieb gewesen.

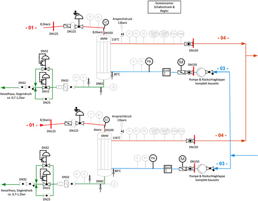
Jedem Wärmeübertrager wurde ein eigener Schaltschrank zugewiesen mit jeweils einem großen Touchdisplay, auf dem die aktuellen Werte, wie Temperaturen, Durchflussmengen und Drücke abgelesen werden können. Der Hydraulikplan Abb. 3 zeigt die beiden Stationen im Ganzen. Die Niveauanzeige der jeweiligen Kondensathöhe ist ebenfalls im Plan zu sehen.

Beim An- und Abfahren wie auch im laufenden Betrieb gibt es jetzt keine Dampfschläge mehr. Wenn die Wärmeerzeugung nicht mehr gebraucht wird, wird sie wie folgt abgeschaltet: Schließen der Kondensatventile, das Dampfventil Abb. 2 bleibt jedoch immer geöffnet und die Wärmeübertrageranlage überwacht sich durch die Steuerung im Schaltschrank selbst.

Entwässerung der Dampf-Zuleitung

Bei Dampf/Wasser-Wärmeübergabestationen ist auf eine sorgfältige Entwässerung der Dampf-Zuleitung besonderer Wert zu legen. Nur so können Anfahrgeräusche durch Wasserschläge, die sich auch negativ auf die Lebensdauer der Anlage auswirken, verhindert werden.

Die Entwässerung der Rohrleitung erfolgt vor dem Schnellschlussventil durch Gefälle zu der nächsten Entwässerung im Dampf-Versorgungsnetz. Hinter dem Schnellschlussventil sorgt der Niveaubegrenzer für den Kondensatabfluss. Bei Niveauüberschreitung fließt durch einen kurzen Öffnungsimpuls auf das Kondensatöffnungsventil das überschüssige Kondensat mittels Dampfdruck geräuscharm in das Kondensatnetz ab. Damit wird vermieden, dass bei Stillstand – Nulllast – Kondensat in die waagrechte Dampfleitung kommen kann, was beim Anfahren zu Dampfschlägen führen könnte.

Dr. Renate Kilpper

ist seit mehreren Jahren als Fachjournalistin bei der Firma W. Bälz & Sohn, Heilbronn, tätig, www.baelz.de

Prof. Dr. Uwe Bälz

ist nach langjähriger Tätigkeit als Geschäftsführer der Firma W. Bälz & Sohn, Heilbronn, heute in dem Unternehmen technischer Berater für Forschung und Vertrieb. Gleichzeitig ist Bälz Dozent für Heizungstechnik im Fachbereich Architektur und Gebäudetechnik an der Beuth Hochschule für Technik Berlin.

Jetzt weiterlesen und profitieren.

+ TGA+E-ePaper-Ausgabe – jeden Monat neu
+ Kostenfreien Zugang zu unserem Online-Archiv
+ Fokus TGA: Sonderhefte (PDF)
+ Webinare und Veranstaltungen mit Rabatten
uvm.

Premium Mitgliedschaft

2 Monate kostenlos testen