Pläne für den Bau einer neuen Stadthalle gab es in Singen schon sehr lange: Seit den 1970er-Jahren gab es mehrere Anläufe für die Realisierung, erst der vierte war erfolgreich. Nach einem Standortgutachten zur Aktualisierung des Bedarfs wurde das Projekt 2002 europaweit ausgeschrieben. Aus dem Wettbewerb ging die Anbietergruppe Züblin siegreich hervor. Im Oktober 2004 beschloss der Gemeinderat die Halle zu bauen, im Juli 2005 wurde der Bauvertrag unterzeichnet und Mitte September 2007 wurde die Stadthalle eröffnet.
Die neue Stadthalle Singen ist in jeder Hinsicht ein sehr fortschrittliches und mustergültiges Projekt. Sie wurde nicht nur multifunktionell, sondern auch unter modernsten ökologischen Gesichtspunkten geplant. Das Dach ist mit einer Photovoltaikanlage ausgestattet, die jährlich rund 70000 kWh elektrische Energie erzeugt und so im bundesdeutschen Strommix eine CO 2 -Emission von rund 42 t/a vermeidet.
Die Stadthalle Singen bietet bei Veranstaltungen über 1800 Personen Platz. Neben der täglichen Nutzung für Konferenzen und Messen ist sie Kulturzentrum und bietet Raum für Theater, Klassikkonzerte, Oper, Ballett, Artistikshows, Bälle, Bankette, Rock und Pop. Nutzung, Ausstattung und Größe des Objekts bedingen einen hohen Kälte- und Wärmebedarf, der noch um die Einbindung eines benachbarten Hotels erweitert wurde.
Um ökologische und wirtschaftliche Gesichtspunkte bei der thermischen Energieversorgung in Einklang zu bringen, ergriff die Abteilung „Gebäudemanagement“ unter der Führung von Dipl.-Ing. Klaus Müller (Fachbereichsleiter) der Stadtverwaltung Singen die Initiative für ein besonderes Konzept, das die außergewöhnlichen Standortbedingungen nutzt.
Heizen und kühlen mit der Aach
Die Grundidee war dabei, das Wasser der Aach als Wärmequelle und -senke zum Heizen und Kühlen der beiden Gebäude zu nutzen. Der Fluss Aach entspringt wenige Kilometer entfernt von Singen mit einer durchschnittlichen Schüttung von rund 10000 l/s. Die Quelle wird von der Donau gespeist, die zwischen den Orten Immendingen und Fridingen fast vollständig versickert. Nach einem unterirdischen Lauf von ungefähr 14 km tritt das Donauwasser als Aach wieder ans Tageslicht.
Durch das unterirdische Verweilen – von der Hauptversickerung bei Immendingen bis zur Aachschüttung benötigt das Wasser zwischen 30 und 60 Stunden – erfolgt ein Temperaturausgleich mit dem durchströmten Gebirge. So beträgt nach dem Passieren des natürlichen Pufferspeichers die Wassertemperatur der Aach im Sommer nicht über 19 °C und im Winter nicht unter 7 °C.
Die Stadthalle wurde neben einer Fußboden-Heizung/-Kühlung mit einer eine RLT-Anlage zur Spitzenlastabdeckung und zur exakten Regelung der raumklimatischen Anforderungen ausgerüstet. Für den extremen Fall, dass das Flusswasser in einem harten Winter so kalt werden sollte, dass man daraus mit der gebauten Anlage keine Energie mehr entnehmen kann, wurde die Fernwärme-Leitung des benachbarten Rathauses eingebunden.
Funktionsbeschreibung
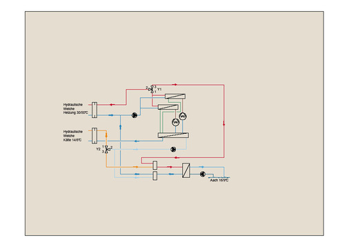
Im Gebäude wurde ein Heiz-Kalt-Kühl-Wasserkreislauf aufgebaut, die Energieübertragung zum/vom Flusswasser findet in einem geschraubten Plattenwärmeübertrager statt. Mit der (Wärmepumpen-)Anlage soll gleichzeitig gewärmt und gekühlt werden. Diese Funktion wird mit Dreiwegeumschaltventilen realisiert. Im Sommerbetrieb wird die Verflüssigerwärme an das Kühlwasser und dann an das Flusswasser abgegeben, im Winter wird die zum Heizen notwendige Energie dem Kühlwasser und damit Flusswasser entzogen. In den Übergangszeiten, wenn keine oder wenig Wärme erforderlich ist, wird mit dem Kühlwasserkreislauf eine Art freie Kühlung über Kühlregister der Lüftungsanlage realisiert.
Heizen
Der Sollwert für die Heizungsvorlauftemperatur wird von der Gebäudeleittechnik durch ein analoges Signal (0…10 V) an die Wärmepumpe übergeben. Die Verflüssigerpumpen werden von Frequenzumrichtern druckabhängig geregelt. Die maximale Vorlauftemperatur ist auf 50 °C eingestellt (Auslegung: 32/50 °C). Das Regelventil Y2 im Kaltwasserkreislauf hat den Weg 1–3 geöffnet, das Flusswasser wird abgekühlt. Unabhängig davon kann aus der hydraulischen Weiche Kaltwasser für die Kühlregister der RLT-Anlagen entnommen werden. Das Kühlwasser kann im Heizfall auf minimal + 4 °C (Mischtemperatur vor dem Plattenwärmeübertrager) abgekühlt werden. Das Regelventil Y1 im Heizungsvorlauf hat den Weg 1–2 geöffnet.
Kühlen
Der Sollwert für die Kühlwasservorlauftempera-tur wird ebenfalls durch ein analoges Signal (0…10 V) übertragen. Erst wenn das Kühlpotenzial des Flusswassers nicht mehr ausreicht, wird die Wärmepumpe dazugeschaltet. Der Einsatzsollwert für die Wärmepumpe ist + 14 °C (Auslegung: 14/8 °C, bei Wärmepumpenbetrieb 4/8 °C). Das Regelventil Y1 hat den Durchgang 1–3 geöffnet. Die Kondensatorwärme wird über den Plattenwärmeübertrager an das Flusswasser abgeführt. Dabei werden die Verflüssigerpumpen über die Frequenzumrichter auf einen Sollwert von + 32 °C Verflüssigungstemperatur geregelt, damit die Wärmepumpe bei optimalem Wirkungsgrad arbeitet. Das Regelventil Y2 hat den Weg 1–2 geöffnet.
Freie Kühlung
Solange die durch das Kühlpotenzial des Flusswassers erreichte Kaltwasservorlauftemperatur für die Kühlung über die Fußbodenheizung und die Kühlregister ausreicht, wird nur die Kühlwasserpumpe betrieben. Die Kühlwasserpumpe arbeitet dabei mit vollem Volumenstrom, die Flusswasserpumpe drehzahlgeregelt. Mit steigender Flusswassertemperatur wird die Drehzahl erhöht. Das Regelventil Y2 hat den Weg 1–3 geöffnet.
Fazit
Vergleicht man die Wärmeversorgung über die Wärmepumpe mit einem Wärmeerzeuger auf der Erdgasbasis, liegt die CO 2 -Emissionsreduktion bei rund 20 %. Bei einem Gas-Wärmepreis von 0,082 Euro/kWh und einem Preis für elektrische Energie von 0,13 Euro/kWh beträgt der Energiekostenvorteil der Wärmepumpenlösung etwa 58 %.
Die von der Firma Held Kälte und Klimatechnik, Planungsbüro Kälte- und Klimatechnik, Donaueschingen, geplante und ausgeführte Gesamtanlage wurde nach Inbetriebnahme und Probelauf im Herbst 2007 an den Nutzer übergeben. Seitdem heizt und kühlt die installierte Technik zur vollen Zufriedenheit der Betreiber und natürlich auch der vielen Besucher. Das Planungskonzept des Bauherrn, des Fachplaners und des Anlagenbauers, in welches sich die hier geschilderte Anlagentechnik einordnet, ist damit erfolgreich umgesetzt worden. Es kann als Leuchtturmprojekt für andere Gebäude dienen.
Info Schraubenverdichter
Die Idee des Schraubenverdichters beruht auf der seit der Neuzeit bekannten archimedischen Schraube. Allerdings scheiterten lange Zeit alle Konstruktionsversuche eines Kältemittelsverdichters an der komplizierten Schraubengeometrie. Erst 1930 gelang es dem schwedischen Ingenieur Alfred Lysholm, den ersten funktionsfähigen Doppel-Schraubenverdichter herzustellen. 1960 entwickelte der Franzose Bernard Zimmern einen völlig neuen Schraubenverdichter, der nach dem „Mono-Schraubenprinzip“ arbeitete und wesentliche Vorteile gegenüber dem damals bekannten Schraubenverdichter hatte. Firmen wie Daikin Industries LTD, erwarben in den 1960er- und 1970er-Jahren die Lizenzrechte und haben diesen seither stetig weiterentwickelt und verbessert.
Der Daikin Mono-Schraubenverdichter besteht aus nur fünf beweglichen Teilen und zeichnet sich durch eine sehr hohe Zuverlässigkeit aus. Er verfügt über einen Hauptrotor, der direkt mit dem Elektroantrieb gekoppelt ist. Die Verdichtung erfolgt über zwei tangential gegenüberliegende Stern-Nebenrotoren, deren Sternprofil das Negativbild des Hauptrotors darstellt. Die Dichtflächen der Sternrotoren sind aus einem extrem robusten, mit Kohlenstoff imprägnierten verschleißarmen Verbundwerkstoff gefertigt. Die damit entstehende Abdichtung zwischen Metall am Hauptrotor und Verbundmaterial an den Nebenrotoren ist selbstschmierend und verringert die Notwendigkeit von Öl als Druckabdichtung.
Der Mono-Schraubenverdichter versteht sich insofern als ölarmer Ver-dichter mit geringem Ölwurf in den Kältekreislauf. Eine Besonderheit, die den Mono-Schraubenverdichter als Rotationsverdichter auszeichnet, ist die durch die Sternrotoren erreichte kontinuierliche Doppelverdichtung. Da sie auf beiden Seiten des Hauptrotors synchron abläuft, führt dies neben einer geringen Verdichterbaugröße zu einer vollständigen Aufhebung der radialen Momente durch den Verdichtungsdruck und die rotierenden Massen. Eine Ausgleichsbohrung im Hauptrotor eliminiert die axialen Schubkräfte des Saugdrucks, die sonst auf die Lagerstellen wirken würden. Der Geräuschpegel des Mono-Schraubenverdichters ist aufgrund des doppelwandigen Verdichtergehäuses und des teilintegrierten Ölabscheiders besonders niedrig. Der Druckstutzen des Verdichters ist konstruktiv als Schalldämpfer ausgeführt. Mit der Doppelverdichtung auf beiden Seiten des Hauptrotors ergeben sich Schallwellen, deren Amplitude um eine Halbwelle versetzt ist, sodass sich diese akustisch aufheben.
Patrick Söder
ist Kälteanlagenbaumeister und arbeitet bei Daikin Airconditioning Germany, Unterhaching, im Regionalbüro Frankfurt als Planungsberater Kaltwassersysteme, soeder.p@daikin.de , http://www.daikin.de
 
     
     
     
     
     
     
     
     
     
     
     
     
    