Springe auf Hauptinhalt Springe auf Hauptmenü Springe auf SiteSearch
Pellet-Erdgas-Heizungsanlage

Bivalentes Heizsystem als Anschauungsobjekt

Kompakt informieren

  • Hoval hat Aschheim ein neues TrainingCenter eingerichtet und in dieses die Heizzentrale eines Bürogebäudes mit rund 3500 m2 Nutzfläche integriert.
  • Bei der bivalenten Pellet-Erdgas-Heizungsanlage hat zur Kostenminimierung der Pellet-Heizkessel Vorrang. Werden Schulungen an ihm durchgeführt, übernimmt der Gas-Brennwertheizkessel.
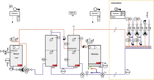
  • Im Spitzenlastbetrieb wird die Leistung des Gas-Brennwertheizkessels über eine Verteilung des Rücklaufwassers geregelt, er ist ohne zusätzliche Kesselkreispumpe eingebunden.

Die neue Heizzentrale der Hoval-Vertriebsgesellschaft für den deutschen Markt in Aschheim bei München vermeidet pro Jahr bis zu 120 t an CO 2 -Emissionen und senkt gleichzeitig die Heizkosten der Mieter: Seit September 2013 wird der 3500 m 2 große Bürokomplex Humboldtstraße 30 mit einer bivalenten Pellet-Erdgas-Heizungsanlage Abb. 1 beheizt. Sie ersetzt einen 250-kW-Niedertemperatur-Heizkessel. Die Heizzentrale ge-hört zum neuen TrainingCenter, das Hoval im Oktober 2013 zusammen mit seinem neuen Standort in Aschheim eröffnet hat.

Die erste Herausforderung für Hoval war, den Vermieter GE Real Estate Property von der Notwendigkeit und den Vorzügen einer modernen Wärmeerzeugung zu überzeugen. Die zweite Herausforderung war nicht weniger anspruchsvoll, da der bestehende Heizraum nicht geeignet war, einen Showroom mit Trainingsmöglichkeiten rund um den geplanten 156-kW-Pellet-Heizkessel und den 250-kW-Gas-Brennwertheizkessel einzurichten.

So musste für den neuen Heizraum zunächst zusammen mit dem bevollmächtigten Bezirksschornsteinfeger eine normen- und richtlinienkonforme Lösung gefunden werden, wie die Abgasführung nachgerüstet werden kann. Bei einer waagrechten Strecke von etwa 8 m ist das nicht trivial, denn neben Druck und Temperatur müssen auch die Reinigungsfähigkeit, der Brandschutz und eine eventuelle Kollision der Abgasanlage mit Fluchtwegen berücksichtigt werden Abb. 2 .

Heizzentrale und Hydraulik

Um die Komfortbelange der Mieter und die Anforderungen an Schulungsmöglichkeiten an der Anlage aufeinander abzustimmen, wurde folgende Lösung erarbeitet:

  • Ersatz des Niedertemperaturheizkessels mit ca. 250 kW Nennheizleistung (Baujahr 1992) durch
  • einen Pellet-Heizkessel Hoval BioLyt (160) Abb. 4, Wärmeleistungsbereich 43…156 kW
  • einen Gas-Brennwertheizkessel Hoval UltraGas (250) Abb. 5, Wärmeleistungsbereich 49…250 kW
  • zwei Pufferspeicher Hoval EnerVal 2000 mit je 2000 l Nenninhalt
  • Einbau eines Pellet-Lagers, bestehend aus
  • einem Trogsilo mit 10 t Füllgewicht
  • zwei Gewebesilos als Kaskade mit je 6,5 t Füllgewicht
  • im Kessel integrierte Hoval TopTronicT-Regelung mit Kaskadenmanagement als Ersatz für das defekte Gebäudeautomationssystem, dessen Neuanschaffung über 10 000 Euro gekostet hätte
  • Überarbeitung des Heizungsverteilers (früher drucklos, jetzt mit Druckverteilung, Rückbau der Zubringerpumpe)
  • Ersatz von Standard-Heizungsumwälzpumpen durch Hocheffizienz-Umwälzpumpen (Biral, elektrische Einsparung etwa 4000 kWh/a)
  • Hydraulischer Abgleich durch Strangregulier- und Heizkörperventile. Voreinstellungen auf der Basis von Erfahrungswerten, Optimierung im laufenden Betrieb. Ziel ist, die Heiztemperaturen von ursprünglich 80/60 °C auf 70/50 °C und niedriger abzusenken.

Wirtschaftlicher mit bivalentem Betrieb

Wegen der Nutzung des Pellet-Heizkessels zu Schulungszwecken war es notwendig, den beigestellten Gas-Brennwertheizkessel auf 100 % Gebäudeheizlast auszulegen. Hoval empfiehlt, Pellet-Heizkessel großer Leistung bivalent zu betreiben, da diese Lösung in den meisten Fällen wirtschaftlicher ist und die Betriebssicherheit verbessert. Bewährt hat sich eine Leistungsverteilung von 70 % auf den Pellet- und 30 % auf den Gas-(Brennwert)Heizkessel. Zielgröße sollte sein, mindestens 80 % des Jahreswärmebedarfs durch Pellets abzudecken.

Beim Gebäude Humboldtstraße 30 konnte berücksichtigt werden, dass die rund 3500 m 2 Bürofläche in der Regel immer nur zum Teil genutzt werden und somit praktisch nie 100 % der Heizlast abgerufen wird, die Trinkwassererwärmung erfolgt dezentral elektrisch. Zur Absicherung des Komfortbetriebs während Schulungszeiten und zur Optimierung der Wirtschaftlichkeit stehen folgende Betriebsprogramme zur Auswahl:

Normaler Heizbetrieb: Der Pellet-Heizkessel geht mit voller Leistung in Betrieb und lädt die beiden seriell angeschlossenen Speicher auf. Die Energiespeicher werden dynamisch überladen, damit starke Lastschwankungen am Morgen durch die von den Mietern individuell festgelegten Betriebszeiten ausgeglichen werden. Durch die Speicherbeladung wird außerdem der Betrieb des Pellet-Heizkessels optimiert und der Einsatz des Gas-Brennwertheizkessels zur Deckung von Lastspitzen hinausgezögert bzw. verhindert.

Zuschaltung des Gas-Brennwertheizkessels: Fällt die Heiztemperatur am Hauptvorlauf unter den Sollwert, wird ein einstellbares Zeitglied aktiviert, das den Gas-Brennwertheizkessel zeitverzögert zuschaltet. Die Sollwertabweichung wirkt dabei auf das Dreiwege-Regelventil im Rücklauf zum Gas-Brennwertheizkessel derart, dass nur so viel Rücklaufwasser durch den Kessel strömt, wie nötig ist, um die Regelabweichung auszugleichen Abb. 3 . Der Gas-Brennwertheizkessel liefert also nur die Wärmemenge, die zusätzlich gebraucht wird. Diese Art der Einbindung des Gas-Brennwertkessels ohne zusätzliche Kesselkreispumpe ist möglich, da der UltraGas-Heizkessel über einen geringen kesselseitigen Widerstand verfügt. Wichtig ist, dass die Hydraulik der beiden Heizkessel und der beiden Pufferspeicher mit den Anforderungen der bestehenden Heizungsverteilung und deren Pumpenstrategie übereinstimmt. Ziel der bivalenten Anlage ist ein bevorzugter Betrieb mit dem preisgünstigeren Brennstoff Holzpellets.

Schulungsbetrieb: Der Holzpellet-Heizkessel wird manuell abgeschaltet, gleich-zeitig geht der Gas-Brennwertheizkessel in Abhängigkeit des Sollwertes in Betrieb. In diesem Fall läuft die Anlage ohne Energiespeicherladung, der erste Speicher wird nur im oberen Teil durchströmt. Durch den hohen Modulationsgrad verfügt der Gasheizkessel über genügend Kapazität, um auf Lastschwankungen unmittelbar reagieren zu können.

Pellet-Anlieferung: Bei anstehendem Füllbetrieb der Pellet-Tanks wird der Pellet-Heizkessel blockiert und der Gas-Brennwertheiz-kessel übernimmt den Betrieb. Mit der Befüllung des Pellet-Lagers kann etwa 20 min nach dem Abschalten des Pellet-Heizkessels begonnen werden.

Pellet-Lager aus Gewebesilos

Beim Pellet-Lagerraum wurde eine Lösung realisiert, die Planern, Anlagenbauern und Kunden verdeutlicht, welche Möglichkeiten bei der Nachrüstung leistungsstarker Pellet-Heizungsanlagen in gewerblich genutzten Gebäuden bestehen. In einem an die Heizzentrale angrenzenden Raum wurden ein Trogsilo und zwei Gewebesilos mit einem Gesamtfassungsvermögen von 23 t Holzpellets aufgestellt.

Die drei Silos sind über eine Kombination aus Schnecken- und Vakuumaustragungssystem so miteinander verbunden, dass jedes Silo zu 100 % entleert werden kann. Diese Silo-Bauarten haben den Vorteil, dass sie einfach zu reinigen sind und ohne Beeinflussung der Statik der Lagerraumwände in Kesselnähe aufgestellt werden können. Auch besteht bei der Wahl dieser Silos die Option, die Bevorratung auf mehrere Räume zu verteilen.

Der Transport der Pellets zum Heizkessel erfolgt über ein Vakuumsystem zum Vorratsbehälter des Pellet-Heizkessels. Dies hat den Vorteil, dass Distanzen von bis zu 25 m überwunden werden können. Die variabel montierbare Turbine saugt die Pellets an und befördert diese über einen Zyklonabscheider in den Vorratsbehälter im Kessel. Die pelletfreie Rückluft strömt über einen parallelen Schlauch zurück zum Lagerraum. Das Pellet-Lager entspricht den Sicherheitsanforderungen der VDI-Richtlinie 3464 1) . Wichtig sind Warnhinweise für das Betreiber- und Wartungspersonal vor möglichen erhöhten CO-und CO 2 -Konzentrationen im Pellet-Lager. Bei Arbeiten in größeren Siloräumen wird dem Personal das Tragen von CO-Warnmeldern empfohlen.

Ausblick

Die bivalente Heizungsanlage in der Humboldtstraße 30 ist ein Musterbeispiel dafür, wie in urbanen Bestandsgebäuden eine moderne Biomasse-Heizung realisiert werden kann. Hoval tritt hiermit den Beweis an, dass Pellet-Heizungsanlagen größerer Leistung automatisiert und mit vergleichsweise geringem Wartungs- und Serviceaufwand auch in gewerblich genutzten Gebäuden nachgerüstet werden können. Vor dem Hintergrund der zu erwartenden politischen Vorgaben zur CO 2 -Reduzierung wird künftig der Brennstoff Holzpellets weiter an Bedeutung gewinnen.

Schon vor dem Inkrafttreten der Verpflichtungen aus der ErP(Ökodesign)-Richtlinie für Heiztechnikprodukte ( Webcode 579264) am 26. September 2015 zeichnet sich ab, dass Systemlösungen mit aufeinander abgestimmten Komponenten besser bewertet werden können als Mehrkomponentenlösungen unterschiedlicher Anbieter. Wer heute und künftig effiziente Gebäudetechnik verkaufen will, muss sich vom reinen Komponentenverkauf verabschieden und komplette Systemlösungen inklusive abgestimmter Regelungsstrategien und Planungs-Know-how anbieten.

Auch ist zu erwarten, dass das künftige Energieeinsparrecht stärker darauf abzielt, Heizungsanlagen mit fossilen Brennstoffen durch regenerative Heizsysteme zu ersetzen, weil dies zum Erreichen der langfristigen Energiewendeziele erforderlich ist. Aus Sicht von Hoval wird darum die intelligente Vernetzung von regenerativen und fossilen Wärmeerzeugern künftig eine maßgebliche Rolle spielen.

Fußnoten

1) VDI 3464 Emissionsminderung – Lagerung von Holzpellets beim Verbraucher – Anforderungen an das Lager unter Sicherheitsaspekten“ (September 2012) bzw.: Lagerung von Holzpellets beim Verbraucher – Anforderungen an das Lager sowie Herstellung und Anlieferung der Pellets unter Gesundheits- und Sicherheitsaspekten (Entwurf), Januar 2014. Berlin: Beuth Verlag

Bautafel

Objekt

Humboldtstraße 30, 85609 AschheimBaujahr: 1992Nutzfläche: ca. 3500 m 2 Nutzung: acht Büroeinheiten, Lagerbereiche

Eigentümer / Vermieter

GE Real Estate Property GmbH, Frankfurt am Main

Technisches Facility Management

Strabag Property and Facility Services GmbH, München

Hausverwaltung

Goldbeck Gebäudemanagement GmbH, München

Neue Heizzentrale

Fachplanung

Allwärme GmbH, München, https://www.allwaerme.de/

Installation der Heizungsanlage

Kaiser Haustechnik GmbH, Utting am Ammersee, http://www.kaiser-haustechnik-utting.de

Wartung der Heizungsanlage

Hoval (im Auftrag von Strabag)

Heizungsanlage

Heizlast:  ca. 250 kW Pellet-Verbrauch:   ca. 80 bis 100 t/a CO 2 -Einsparung:  ca. 100 bis 120 t/a

Wärmeerzeuger

Pellet-Heizkessel BioLyt (160) Gas-Brennwertheizkessel UltraGas (250) Hoval, 85609 Aschheim, http://www.hoval.de