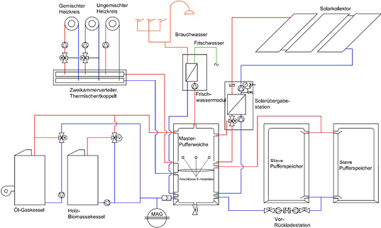
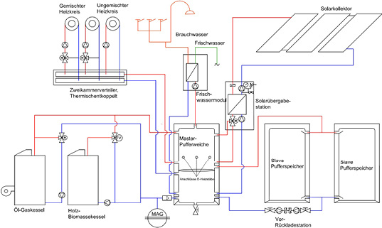
Die von Ferro Wärmetechnik entwickelte Pufferweiche FPW ist für das Speichern und Verteilen unterschiedlicher Wärmeenergien konzipiert. Die Speicherkonstruktion dient als Energiemanager für Ein- oder Mehrkesselanlagen, zur Einspeisung thermischer Solarenergie oder für die Zufuhr von Abwärme und sonstiger nutzbarer Energie. Gleichzeitig erfüllt die Pufferweiche auch die Funktion einer hydraulischen Weiche. Durch die passende Dimensionierung und das konstruktive Merkmal der Schichtentrennplatte wird eine Durchmischung im Puffer weitgehend unterbunden. Die Pufferweiche ist über ein Master- und Slave-Speichersystem erweiterbar. Ein oder mehrere Frischwassermodule können gleichzeitig aufgeschaltet werden.
Ferro Wärmetechnik
91126 Schwabach
Telefon (0 91 22) 9 86 60
 
     
     
     
     
     
     
    