Springe auf Hauptinhalt Springe auf Hauptmenü Springe auf SiteSearch
Plusenergiehaus

Wasser als wesentliche Systemkomponente

Kompakt informieren

  • Das Plusenergiehaus von Andreas Nordhoff wurde als Sonnenhaus errichtet. Der Heizwärmebedarf wird über Röhrenkollektoren gedeckt, unter dem Gebäude befindet sich ein „Wärmesee“.
  • Der Wärmesee dient als Wärmequelle für eine Wärmepumpe mit Direkt-Verdampfer und Direkt-Verflüssiger im Speicher.
  • Die Wärmeübergabe erfolgt neben der Betonkerntemperierung über Badheizkörper und die Lüftung.
  • Die gesamte Anlage hat inklusive der Kollektoren einen gemeinsamen Wasserkreislauf. Um die sich daraus ergebenden Vorteile dauerhaft zu gewährleisten, wird eine hohe Qualität des Wärme- und Kälteträgers durch Schlamm- und Luftabscheider sichergestellt.

Der Anspruch des Bauherrn Dipl.-Ing. Andreas Nordhoff Abb. 1 war es, für sich und sein Kölner Institut für Bauen und Nachhaltigkeit (IBN) ein flexibel nutzbares Wohngebäude aus nachhaltigen Baustoffen und mit hervorragender Energiebilanz zu errichten. Diesem Zusammenspiel von Ökologie und Ökonomie wurde die Planung für ein anderthalbgeschossiges Haus mit 500 m 2 Wohn- bzw. Nutzfläche unterworfen Abb. 1.

Die Fläche verteilt sich auf vier Einheiten, die barrierefrei und schwellenlos konzipiert sind. Das nicht unterkellerte Gebäude von 22 m Länge und 14 m Breite ist als Hybridhaus errichtet worden – das Erdgeschoss massiv, das Obergeschoss in Holz. Es verfügt als Sonnenhaus über große Glasflächen, ohne sich aufzuheizen. Die Dämmung wurde komplett um das Gebäude gezogen. Im Obergeschoss sitzen auf beiden Seiten Gauben sowie eine Dachterrasse.

In Sachen Haustechnik wurden ebenfalls mehrere zukunftsweisende Lösungen umgesetzt. Dazu zählt eine Photovoltaik-Anlage mit knapp 10 kW p . Überschüsse werden noch ins Netz gespeist, der Anteil ist jedoch bisher gering, weil der erzeugte Strom weitgehend im Haus bzw. für das Elektroauto verwendet werden kann.

Des Weiteren wird das Blowerdoor-getestete Gebäude (n 50  –1) in zwei Nutzungseinheiten mit einer Wohnraumlüftung mit einem Wärmerückgewinnungsgrad von 94 % bei 139 m 3 /h belüftet. Das Passivhaus-zertifizierte Gerät von Maico mit einem Auslegungsvolumenstrom von 120 m³/h wurde im Spitzboden eingebaut. Es wurde mit drei Mini-Lufterhitzern für die individuelle Raumtemperaturregelung ergänzt. In den kleineren Wohneinheiten hat sich der Bauherr für jeweils ein freeAir 100 von bluMartin entschieden.

Auch eine KNX-Vernetzung wurde im Gebäude umgesetzt. Außerdem kommt ein ausgeklügeltes Energiekonzept hinzu, um das Plusenergiehaus wenn notwendig zu beheizen oder zu kühlen sowie den Bedarf an Trinkwarmwasser zu decken.

Ohne klassische Heizung

Zentrale Elemente der Wärmeerzeugung sind Röhrenkollektoren auf einer Fläche von 43 m 2 , die auch seitlich einfallende Sonnenstrahlen einfangen – beispielsweise an heiteren Wintertagen. Die Wärme wird entweder zur Betonkerntemperierung von Boden und Decke des Gebäudes genutzt oder in einen Speicher geleitet. Überschüsse werden über Rohrschlangen ins Erdreich unter dem Gebäude eingebracht. Dieser „Wärmesee“ ist von Rohren durchzogen, die in verschiedenen Tiefen von – 0,7 bis – 2,9 m verlegt wurden.

Zusätzlich wird die sommerliche Entwärmung des Gebäudes mittels weiterer Rohrschlangen im Erdreich vor und hinter dem Gebäude eingelagert. Hier wurden jeweils rund 100 m eines PE-Xa-Rohrs mit 40 mm Durchmesser eingesetzt. Auf diese Weise wird ein Wärmeüberschuss für die kalte Jahreszeit gesichert. Anhand einer Simulationsrechnung des Anlagenlieferanten Ritter XL-Solar wurde ein Solarertrag von ca. 20 000 kWh/a prognostiziert.

Der Saisonalspeicher mit einer Temperatur von 18 bis 25 °C bewirkt ergänzend, dass die Wärmeverluste der Bodenplatte an das Erdreich minimal sind. Der gebunkerte Überschuss steht einer Wärmepumpe als Quelle zur Verfügung – mit dem enormen Vorteil, dass nur ein Temperaturhub von rund 4 K erforderlich ist. So besteht ein ausgezeichnetes Verhältnis zwischen der zur Verfügung gestellten Wärme und der benötigten elektrischen Energie, was zu einem COP von etwa 10 führt.

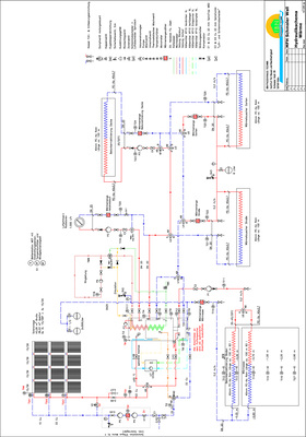
Die Wärmepumpe besteht aus Direkt-Verdampfer und Direkt-Verflüssiger im Speicher sowie einem Kolbenverdichter von Bitzer. Er ist regelbar und arbeitet synchron mit dem Expansionsventil. Durch die Integration von Verdampfer und Verflüssiger im Speicher konnte auf Sekundärkreisläufe verzichtet werden. Die Speicherbeladung erfolgt anders als bei herkömmlichen Systemen: Der Speicher von Zeeh Abb. 2 besteht aus zwei Behältern (oben 1000 l, unten 400 l), die mit einem 100-mm-Rohr aneinander geflanscht sind. Intern verfügt der Speicheraufbau über diverse Strömungsoptimierungen.

Der untere Speicher, in dem der Verdampfer untergebracht ist, erhält seine Energie aus dem Erdreichwärmeübertrager. Der obere Speicher, in dem sich der Kondensator befindet, dient als Primärpufferspeicher insbesondere für die Solarwärme. In ihm ist auch ein Gegenstromwärmeübertrager zur Trinkwassererwärmung untergebracht. Er erreicht einen sehr niedrigen Temperaturverlust von nur 2 bis 3 K, sodass bereits bei einer Speichertemperatur von 45 °C die gewünschte Trinkwarmwassertemperatur von 43 °C erreicht wird. Die Wärmeübergabe erfolgt neben der Betonkerntemperierung über Badheizkörper und die Lüftung Abb. 5.

Nur Wasser im System

Üblicherweise wird eine Kombination aus Wärmepumpe und solarthermischer Anlage mit einem Glykol-Wasser-Gemisch betrieben. Das System des Plusenergiehauses in Köln ist allerdings komplett mit Wasser gefüllt – alle oben beschriebenen Anlagen bilden ein einziges Wassersystem. Damit gehen mehrere Vorteile einher: Es sind geringere Pumpenleistungen erforderlich und es wird eine bessere Wärmetransportleistung erzielt.

Darüber hinaus gibt es durch den Entfall von Wärmeübertragern auch keinen Temperaturverlust. Diese Auslegung bringt eine Leistungssteigerung des Systems von ca. 10 bis 15 % mit sich. Ein Einfrieren wird durch eine minimale Zwangserwärmung der Röhrenkollektoren mit Erdreichwärme unterbunden.

Eine mit geringsten Temperaturdifferenzen ausgelegte Anlage benötigt dauerhaft eine sehr gute Qualität des Kreislaufwassers. Dazu wurde das Systemwasser beim Befüllen durch ein Mischbettharz geführt. Die große Oberfläche bewirkt, dass unter anderem Natrium-, Kalium- und andere Ionen aufgenommen werden.

Hinsichtlich der Qualität sind außerdem die Abscheidung von Schmutz- und Magnetit-Partikeln sowie des im Füllwasser gebundenen Sauerstoffs bzw. Luft von Bedeutung. Ohne eine kontinuierliche Abscheidung würden sie zu Störungen führen. Beispielsweise würde sich Magnetit innerhalb von Hocheffizienzpumpen an dauermagnetischen Komponenten ablagern. Luft(bläschen) würde den Wärmeübergang verhindern und der enthaltene Sauerstoff würde zu Korrosion führen.

Zusammen mit Spirotech plante der Bauherr den Einsatz von Luft- und Schlammabscheidern. Ziel war es, die Qualität des Systemwassers als wesentliche Anlagenkomponente kontinuierlich zu bewahren, alle Anlagenteile vor negativen Einflüssen zu schützen und die Anlagenfunktion dauerhaft zu gewährleisten. Dazu kommen verschiedene Geräte zum Einsatz.

SpiroTrap MB3

Zwei Schlammabscheider vom Typ SpiroTrap MB3 Abb. 3 in der Dimension 22 mm wurden jeweils vor den Hocheffizienzpumpen installiert. Sie werden vom kompletten Volumenstrom durchflossen, wobei das innen sitzende Spirorohr Abb. 8 schwebende Teilchen verlangsamt und sie in den Auffangbereich absinken lässt. Magnetische Partikel bis 5 µm Größe bleiben ebenfalls haften, denn der Schlammabscheider verfügt über eine Manschette mit einem starken Magnet Abb. 7. Er entzieht dem Füllwasser kontinuierlich selbst die Partikel, die mit bloßem Auge nicht zu erkennen sind.

Durch ihren drehbaren Anschluss ließen sich die Geräte einfach integrieren. Die Abscheidung selbst erfolgt später im laufenden Betrieb während einer üblichen Wartung. Dazu wird die Magnetmanschette nach unten abgezogen und alle Partikel werden in den Auffangbereich geleitet. Dann wird das Entleerungsventil geöffnet und durch den Anlagendruck der abgeschiedene Schlamm ausgespült.

SpiroCombi – Zwei in eins

Zusätzlich zur Schlammabscheidung übernehmen zwei SpiroCombi Abb. 4 auch die Funktion der Luftabscheidung Abb. 9. Neben einem leckfreien, nicht absperrbaren Entlüftungsventil verfügt ein solches Gerät über eine durchdachte Luftkammer-Konstruktion: Verunreinigungen dringen nicht bis zum Ventil vor und es ist genug Volumen für Druckschwankungen vorhanden Abb. 1. Die SpiroCombi wurde im Heizungsvorlauf und im Vorlauf zur Betonkerntemperierung, jeweils vor den Hocheffizienzpumpen, platziert.

SpiroVent Mikroblasenabscheider

Die dauerhafte Abscheidung der Luft im Systemwasser übernimmt zusätzlich ein SpiroVent Abb. 6, der zwischen Puffer- und Saisonalspeicher installiert wurde. Dort findet, neben dem Solarvorlauf, über das Jahr gesehen die größte Umwälzung des Systemwassers statt. Der Standort wurde gewählt, da im Solarvorlauf aus Gewährleistungsgründen bezüglich der Solarthermieanlage keine Komponenten verbaut werden durften.

Auf die aus widerstandsfähigem Messing gefertigten Geräte SpiroTrap, SpiroCombi und SpiroVent gewährt Spirotech eine in der Branche außergewöhnlich lange Garantie von 20 Jahren.

Erste Erfahrungen

Im Betrieb zeigt sich bereits nach wenigen Monaten: Die Leistung des Systems wird wie prognostiziert erreicht. Der Ertrag wird für die drei Speicher (Boden unter, vor und hinter dem Haus) jeweils getrennt gemessen. Hinzu kommt die Datenerfassung für die Wärmemenge im Heizkreislauf. In den ersten dreieinhalb Betriebsmonaten vom 19. Mai bis 1. September 2016 wurde bereits ein Plus von 10 000 kWh erzielt.

Davon wurden lediglich ca. 20 % für den Haushaltsbedarf benötigt, 80 % konnten in den saisonalen Speicher geführt werden. Dadurch stieg die Temperatur im Erdreich auf 25 °C. Zusätzlich konnten in ca. zehn Wochen durch die Sommerkühlung mithilfe der Betonkerntemperierung rund 900 kWh in das Erdreich vor und hinter dem Gebäude transportiert werden. Hier wurde eine Temperatur von 22 °C erreicht. Dieser Wärmeeintrag wird die seitliche Auskühlung des Speichers unter dem Haus signifikant verringern.

Die Anlage wird in einem Turnus von sechs Monaten gewartet, um die Funktion der Komponenten zu prüfen. Dabei werden auch die Luft- und Schlammabscheider kontrolliert. Sie stellen sicher, dass die Anlagenkomponente Systemwasser ihre Funktion dauerhaft wie gewünscht erfüllt. Marion Paul-Färber, Pressebüro Dieter Last

Bautafel

Objekt

Plusenergiehaus

Bauherr und Planer

Dipl.-Ing. Andreas Nordhoff, IBN – Institut für Bauen und Nachhaltigkeit, Köln, www.ibn-passivhaus.de

Architektur

Team IBN – Institut für Bauen und Nachhaltigkeit, Köln

Planung Wärmekonzept

Dipl.-Ing. Andreas Nordhoff in Zusammenarbeit mit Ritter XL Solar, Karlsbad, www.ritter-xl-solar.com

Ausführung

Korona Solarsysteme, Bergisch-Gladbach, www.korona-solar.de

Luft- und Schlammabscheider

Spirotech BV Niederlassung Düsseldorf, www.spirotech.de