Springe auf Hauptinhalt Springe auf Hauptmenü Springe auf SiteSearch
Hygienische und energieeffiziente Trinkwassererwärmung

Mit Patent: Niedrige Rücklauftemperatur

Kompakt informieren

  • Das Trinkwassererwärmungssystem Yado Aqua PR basiert auf einer zweistufig kaskadierten Speicherladung: Der Zirkulationsrücklauf und – so weit vorhanden – der Speicherladevolumenstrom werden im Nacherwärmer kontinuierlich auf die hygienisch erforderliche Trinkwarmwassertemperatur aufgeheizt und dann in den oberen Bereich des Trinkwarmwasserspeichers eingeleitet.
  • Im Vorerwärmer erfolgt eine Rücklaufauskühlung während der Speicherladung; sobald der Trinkwarmwasserspeicher einen definierten Lade-zustand erreicht hat, wird dazu die Speicherladepumpe mit der Führungsgröße Ladekreisrücklauftemperatur geregelt.

Die Trinkwasserverordnung (TrinkwV 2001) und das DVGW-Arbeitsblatt W 551 1) enthalten zwingende Vorgaben zur Hygiene in Trinkwassernetzen und wie diese dauerhaft und sicher eingehalten werden kann. Eine Trinkwarmwassertemperatur von mindestens 60 °C und eine Temperatur von mindestens 55 °C in der Zirkulationsleitung bei gleichzeitiger Sicherheit des Nutzers vor Verbrühung durch zu hohe Trinkwarmwassertemperaturen setzen heute die primären Eckpunkte für die Auslegung von Großanlagen zur Trinkwassererwärmung.

Den hohen hygienischen Anforderungen, insbesondere die damit verbundenen Temperaturvorgaben an das Trinkwarmwassersystem, stehen steigende Effizienzansprüche gegenüber: Gemeinsames Ziel bei der Planung und Dimensionierung von Fernwärme-, Brennwert-, Solarthermie- und Wärmepumpenanlagen ist eine möglichst niedrige Rücklauftemperatur. Oft macht eine große Spreizung zwischen Vor- und Rücklauftemperatur und die damit verbundene Verringerung des Volumenstroms eine wirtschaftlich und energetisch effiziente Nutzung von regenerativen Energien erst möglich.

Auch verordnungsrechtliche Vorgaben zur Minimierung der elektrischen Energieaufnahme von Umwälzpumpen – festgeschrieben in der am 1. Januar 2013 in Kraft getretenen Durchführungsverordnung der ErP(Ökodesign)-Richtlinie – beeinflussen die Planung. Dabei geht es nicht nur um den zwingenden Einsatz von Hocheffizienzpumpen, sondern auch um die Optimierung des hydraulischen Systems und eine bedarfsorientierte Anlagenfahrweise. Niedrige Volumenströme durch höhere Temperaturspreizung und geringe Druckverluste bei der Wärmeübergabe unterstützen diese Maßnahmen.

Dass sich eine Trinkwassererwärmung nach den allgemein anerkannten Regeln der Technik, konstant hohe Trinkwarmwassertemperaturen sowie niedrige primärseitige Rücklauftemperaturen nicht ausschließen, zeigt Yados mit dem Trinkwarmwassersystem Yado Aqua PR Abb. 1 Abb. 2.

Zweistufige Wärmeübertragerschaltung

Das speziell für eine tiefe Auskühlung des Primärrücklaufs optimierte Trinkwarmwassersystem Yado Aqua PR wurde streng nach den Vorgaben des DVGW-Arbeitsblattes W 551 entwickelt und inzwischen vom Deutschen Marken- und Patentamt patentiert. Es wurde im Rahmen des vom Bundesministerium für Wirtschaft und Energie geförderten EnEff-Wärme-Projektes „Low Ex-Systeme, Breitenanwendung von Niedertemperatur-Systemen als Garanten für eine nachhaltige Wärmeversorgung“ ( http://www.lowex.info und https://www.eneff-stadt.info/ ) auf dem Prüfstand der Hochschule München und auch in einem Fernwärme-versorgten Mehrfamilienhaus mit 20 Wohneinheiten vermessen 2) .

Dabei wurde nachgewiesen, dass die sommerliche Primär-Rücklauftemperatur bei voller Einhaltung des DVGW-Arbeitsblatts W 551 teilweise unter 30 °C im volumetrischen Tagesmittel liegt. Dokumentiert ist außerdem, dass bei milden Außentemperaturen und in der heizfreien Zeit die Rücklauftemperatur auf unter 30 °C, bei gleichzeitig hohem Trinkwarmwasserverbrauch sogar auf unter 20 °C absinken kann Abb. 3.

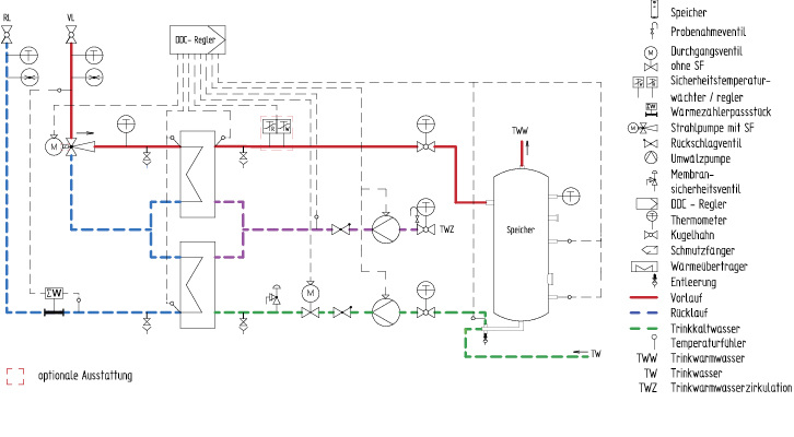
Das zweistufig kaskadierte Speicherladesystem besteht aus einem Vorerwärmer, einem Nacherwärmer, einem Trinkwarmwasserspeicher, einer Zirkulationspumpe, einer Speicherladepumpe, dem Speicherladeventil und dem Heizwasser-Ladekreis. Eine DDC-Regelung sichert einen optimalen Trinkwarmwasserkomfort bei niedrigen Rücklauftemperaturen Abb. 3. Die hohe primäre Rücklauftemperaturauskühlung basiert auf folgender Schaltung:

Der Zirkulationsvolumenstrom wird im Nacherwärmer permanent auf die laut DVGW W 551 erforderliche Trinkwarmwassertemperatur von 60 °C erwärmt. Der dafür notwendige Heizwasservolumenstrom wird anschließend im Vorerwärmer gezielt durch kaltes Trinkwasser beziehungsweise durch Wasser aus dem Trinkwarmwasserspeicher abgekühlt. Durch die Entnahme von Trinkwarmwasser an den Zapfstellen strömt kaltes Trinkwasser in den unteren Bereich des Trinkwarmwasserspeichers. Dieser übernimmt auch die Spitzenlastpufferung und sorgt gleichzeitig für eine Trinkwassererwärmung fast ohne Druckverlust.

Bei geringer oder keiner Zapfung von Trinkwarmwasser (zum Beispiel während der Nacht) wird das kalte Trinkwasser durch Warmwasser so lange verdrängt, bis der Trinkwarmwasserspeicher auf 60 °C durchgeladen ist. Ab diesem Zeitpunkt findet keine Rücklaufabkühlung mehr statt, erst dann steigt die Primär-Rücklauftemperatur an.

Die komplette Erwärmung des Speichervolumens auf 60 °C wird dadurch erreicht, dass sich der Temperaturfühler „AUS“ außerhalb des Trinkwarmwasserspeichers in der Speicherladerücklaufleitung befindet Abb. 4. Die Forderung in DVGW W 551, den Trinkwarmwasserspeicher einmal täglich vollständig durchzuladen, wird durch eine knappe Dimensionierung konsequent erfüllt. Zur Sicherheit leitet der Regler täglich eine Zwangsdurchladung ein. Außerdem besteht über den DDC-Regler die Option einer zusätzlichen thermischen Desinfektion der Trinkwassererwärmung und des Trinkwassernetzes durch eine regelmäßige Erhöhung der Trinkwarmwassertemperatur (Legionellenschaltung). Abhängig von der Weitläufigkeit der Trinkwarmwasser-Installation kann die Trinkwarmwassertemperatur auch höher eingestellt werden.

Wasser muss fließen

Eine Besonderheit der Yados-Lösung ist die permanente Erwärmung des Zirkulations-volumenstroms. Dadurch kommt es zu keiner-lei Stagnation im Trinkwarmwassernetz – vorausgesetzt das System ist hydraulisch abgeglichen. Dieser unterbrechungsfreie Erwärmungsprozess im Rücklaufauskühlungsbetrieb hat eine kontinuierliche Speicher-ladung zur Folge, wodurch auch die Last-spitzen des primären Wärmeversorgungssystems gedämpft werden.

Wichtig ist eine dem Nutzungsprofil des Gebäudes angepasste Dimensionierung des Trinkwarmwasserspeichers, denn diese beeinflusst die Rücklauftemperaturabsenkung in ganz erheblichem Maße. Der primäre Heizwasservolumenstrom lässt sich weiter senken, wenn systembedingt höhere Heizwasservorlauftemperaturen zur Verfügung stehen, zum Beispiel bei Fernwärmeanlagen. Aufgrund der Komplexität der Rahmenbedingungen bei der Auslegung von Trinkwarmwassersystemen (hygienische Vorschriften, Energieeinsparung) unterstützt Yados die Planung und Auslegung des Trinkwarmwassersystems Yado Aqua PR durch eigene erfahrene Planer.

Fazit

Das zweistufige Speicherladesystem Yado Aqua PR bewirkt heizwasserseitig sehr niedrige Rücklauftemperaturen bei sehr geringem und nahezu konstantem Heizwasservolumenstrom. Es eignet sich für Fernwärmesysteme und Brennwertheizkessel sowie Wärmepumpen- und Solarthermie-Anlagen und entspricht den Anforderungen eines Low-Exergie-Systems.

Durch die permanente Erwärmung des Zirkulationsvolumenstromes und die hydraulische Einbindung des auf Solltemperatur erwärmten Trinkwassers im oberen Teil des Trinkwarmwasserspeichers wird eine ungestörte Schichtung im Speicher erreicht. Mitentscheidend für einen sicheren Betrieb nach Trinkwasserverordnung und DVGW-Richtlinien ist die DDC-Regelung, in der alle gängigen Datenschnittstellen zu Gebäudeautomationssystemen bereits implementiert sind.

Fußnoten

1) DVGW-Arbeitsblatt W 551 Trinkwassererwärmungs- und Trinkwasserleitungsanlagen – Technische Maßnahmen zur Verminderung des Legionellenwachstums – Planung, Errichtung, Betrieb und Sanierung von Trinkwasser-Installationen. Bonn: wvgw Wirtschafts- und Verlagsgesellschaft Gas und Wasser, April 2004

2) Projektleitung: Stadtwerke München, SWM Services GmbH; Projektbeteiligte: Hochschule für angewandte Wissenschaften, München, und Ebert Ingenieure, NL München

Hätten Sie das gewusst?

Für viele TGA-Experten gehören „Brauchwassererwärmung“ und „Brauchwarmwasser“ zu den Unworten unserer Branche. Mit dem Zweiten Gesetz zur Änderung des Energieeinsparungsgesetzes vom 1. September 2005 und in der Folge auch in anderen Gesetzen und Verordnungen wurde der Begriff „Brauchwasser“ durch „Warmwasser“ ersetzt. Die Verbannung geht allerdings nicht auf eine Brancheninitiative, sondern auf eine Anpassung an die Terminologie der ersten Fassung der EU-Gebäuderichtlinie vom 16. Dezember 2002 zurück. Quelle: TGAwissenscheck 09-2014

Vielfältige Anforderungen

Die Anforderungen an moderne Trinkwassererwärmungssysteme sind:

  • sichere und permanente Versorgung mit hygienisch einwandfreiem warmem Trinkwasser
  • Minimierung des Legionellenrisikos durch Einhaltung der DVGW-Arbeitsblätter W 551 und W 553, das heißt:
    • kein stagnierendes Wasser im Trinkwassernetz („Wasser muss fließen“)
    • Speicheraustrittstemperatur mindestens 60 °C
    • Zirkulationstemperatur mindestens 55 °C
    • tägliche Durchladung des Trinkwarmwasserspeichers
  • Verhinderung der Verbrühungsgefahr durch zu hohe Trinkwarmwassertemperaturen an den Zapfstellen
  • möglichst niedrige Rücklauftemperatur zur Effizienzsteigerung des primären Heizsystems (Fernwärme, Brennwertheizkessel, Wärmepumpe, Solarthermie-Anlage)
  • Glättung der primärseitigen Lastkurve bei Spitzenzapfung
  • Vermeidung von Verkalkung durch konstruktive, regelungstechnische und betriebsspezifische Vorkehrungen (Wärmeübertragerdesign, Umwälzpumpen, Regelstrategie)

Yado Aqua PR

Vorteile des Systems Yado Aqua PR mit Trinkwarmwasserspeicher sind:

  • unabhängig von der Zapfmenge prägt die Trinkwassererwärmung dem Trinkwarmwassernetz keine Druckschwankungen auf
  • Nutzung möglichst hoher primärseitiger Vorlauftemperaturen, dadurch systemtechnisch bedingt sehr niedrige Rücklauftemperaturen
  • geringe Volumenstromänderungen im Primärwärmesystem (auch bei hohen Zapfmengen)
  • der puffernde Trinkwarmwasserspeicher ermöglicht eine träge Regelung der Speicherladetemperatur, dadurch
    • sehr geringe Temperaturschwankungen der Speicherladetemperatur
    • geringe Verkalkungsneigung, da Temperaturspitzen bei Speicherladung vermieden werden

Bedingungen zur weiteren Verbesserung der Effizienz des Systems sind:

  • gut gedämmte Trinkwarmwasserleitungen
  • gut gedämmte und hydraulisch abgeglichene Zirkulationsleitungen
  • hohe Heizmitteltemperatur
  • hoher Warmwasserbedarf
  • Flächenheizungen zur weiteren Senkung der Rücklauftemperatur
  • hochwertige Trinkwarmwasserspeicher zum Erhalt der natürlichen Schichtung im Speicher
  • gute Wärmedämmung des Trinkwarmwasserspeichers
  • bedarfsgerechte Auslegung des Systems

Lutz Birnick

ist staatlich geprüfter Techniker und seit mehr als 20 Jahren in verschiedenen verantwortlichen Funktionen in Unternehmen der Energie- und Wärmewirtschaft tätig. Seit 2009 ist er Abteilungsleiter für die Planung von Wärmestationen bei Yados, 02977 Hoyerswerda, https://yados.de/de_DE/