Springe auf Hauptinhalt Springe auf Hauptmenü Springe auf SiteSearch
  • Home
  • Alle Artikel zum Thema Yados

Alle Artikel zum Thema Yados

TGA-Hersteller bauen

Yados: Neue Green­Factory in Hoyers­werda

-

Yados eröffnet eine neue Pro­duk­tions­stätte in Sachsen mit ener­gie­effi­zien­ten, emis­sions­ar­men Pro­zes­sen.

TGA-Hersteller bauen

Yados investiert 20 Mio. Euro in Stand­ort­erweiterung

-

Yados investiert in die Verdopplung seiner Produktionsfläche. Bis Ende des Jahres sollen zwei neue Werkshallen mit insgesamt 12 500 m2 Fläche entstehen.

Karl und Martin Gentner
Generationswechsel

Yados: Vertriebschef Karl Gentner übergibt Nachfolge an Martin Gentner

-

Im November tritt Martin Gentner die Nachfolge seines Vaters bei Yados an und tritt an die Spitze der Verkaufsdivision mit Sitz in Aalen, Baden-Württemberg.

Bild 1 Yados-Prüfstand zur Testung anspruchsvoller Energiesysteme mit drei Prüffeldern.
Qualitätssicherung

Prüfstand für BHKW und Energiesysteme

-

Yados hat am Standort Hoyerswerda einen neuen Prüfstand für BHKW und weitere Energiesysteme errichtet und profitiert davon in mehrfacher Hinsicht.

Bild 1 Theorie und Praxis bestätigen, dass die Anlagenhydraulik ein entscheidender Faktor für  einen energieeffizienten Betrieb ist.
BHKW und Brennwertheizkessel

Die richtige Hydraulik sichert die Effizienz

-

Um das Effizienzpotenzial von BHKW und Brennwertheizkesseln auszuschöpfen, sind eine ausbalancierte Hydraulik und anlagenspezifische Regelungsstrategien gefragt.

Bild 1 Solarparks und Windkrafträder in Bosbüll. Auch ohne EEG-Förderung bleiben sie wirtschaftlich und umweltfreundlich im Einsatz.
Energieprojekt Bosbüll

Ausgeförderte Anlagen machen grüne Wärme

-

Die Gemeinde Bosbüll bezieht künftig grüne Wärme über ein Nahwärmenetz auf Basis eines power2heat-Konzepts mit Photovoltaik- und Windkraftanlagen.

Yados: Yado | KWK EG-50 BW.
Yados

Brennwert-BHKW-Modul mit 50 kWel

-

Das Brennwert-BHKW-Modul Yado | KWK EG-50 BW (50 kWel, 91 kWth) von Yados erreicht einen Gesamtwirkungsgrad von 96,6 % bei 35 °C Rücklauftemperatur.

Bild 1 Sunrise Home: Mit attraktiven Feriendomizilen wurde das Übernachtungsangebot des Urlaubsresorts Tropical Islands erweitert.
Referenzprojekt Yados

KWK-Nahwärme für 135 Ferienhäuser

-

Die 135 neuen Sunrise Homes des Tropical Islands haben hocheffiziente Wärmeübergabestationen mit Rücklauftemperatur-optimierter Trinkwassererwärmung.





1
 Blick in die neue Heizzentrale mit BHKW der Lausitzer Werkstätten.
Gekoppelte Strom- und Wärmeerzeugung

Neue Heizzentrale in vier Jahren amortisiert

-

Abhängig von Infrastruktur-, Bau- und Nutzungsbedingungen gilt die energietechnische Modernisierung im Bestand planungs- wie ausführungsseitig als komplex. Beherrschbar werden maximale Anforderungen an die Konzeptions-, Umsetzungs- und spätere Betriebsqualität von neuen Versorgungslösungen durch Präzision und Flexibilität in der Prozesskoordination. Das Sanierungs-projekt einer gemeinnützigen Organisation in Hoyerswerda gibt ein Beispiel für die praktikable Realisierung eines lokalen Energiewendebeitrags.

Yados

Datensätze für Yado|Giro

-



Für die Yados-Wärmeübergabestation Yado|Giro (bis 240 kW) für Nah-und Fernwärmenetze stehen bei liNear jetzt Datensätze bereit. Sie erhöhen die Planungssicherheit und unterstützen bei Ausschreibungen und Angebotserstellung. Die Produktdaten sind für die liNear-Softwarelösungen Desktop Heating...





1
 Außenansicht der Energiezentralen Yado|Energy bei einem Tiefkühlkost-Vertrieb. Yados entwickelte und konfektionierte zwei nahezu identische Anlagen in einer flexibel erweiterbaren Container-Ausführung.
Dezentrale Energieerzeugung mit Flüssigerdgas

Pilotprojekt: KWKK und LNG-Kälterecycling

-

Der weltweite Handel mit Flüssigerdgas (LNG) nimmt Fahrt auf. Als Alternative zu Erdöl und Kohle hält LNG derzeit Einzug in netzgebundene Versorgungsstrukturen, in den Schiffsverkehr und den Schwerlasttransport. Dass in dem komprimierten Energieträger ein zweites, effektiv nutzbares energetisches Potenzial schlummert, blieb bislang allgemein unberücksichtigt. Nun lässt ein richtungweisendes Pilotprojekt bei einem Tiefkühlkost-Vertrieb mit neuen Perspektiven für eine hocheffiziente Wärme-, Strom- und Kälteversorgung aufhorchen.





1
 Anlieferung der Wärmezentrale per Schwertransporter. Der Container (BTH: 9 × 5 × 4,5 m) hat durch die Ausführung als besonders verstärkte Betonraumzelle ein Gesamtgewicht von rund 47 t.
Referenzprojekt Yados

KWK-Energiezentrale an einem Tag integriert

-

Wegen ihres hohen ökonomischen und ökologischen Potenzials zählen dezentrale KWK-Lösungen zu den Triebfedern des energetischen Strukturwandels. Insbesondere energieintensive Einrichtungen und Gewerbe profitieren von geringeren Betriebsmittelaufwänden und weitgehender Unabhängigkeit vom Strommarktpreis, benötigen jedoch gleichzeitig eine maximale Versorgungsstabilität und eine reibungsfreie Integration in die lokale energetische Infrastruktur. Ein kürzlich realisiertes KWK-Projekt für eine Sozialeinrichtung veranschaulicht, wie sich ein komplexes Anforderungsprofil in ein zukunftsfähiges Versorgungskonzept überführen lässt.

Yados-Standort Hoyerswerda.
Hoval

Hoval übernimmt Yados

-

Rückwirkend zum 01. April 2016 übernimmt Hoval 100 % der Anteile der Yados GmbH. Die Marke Yados wird nach Unternehmensangaben weitergeführt und der Standort Hoyerswerda als Kompetenzzentrum und Produktionsstätte ausgebaut.





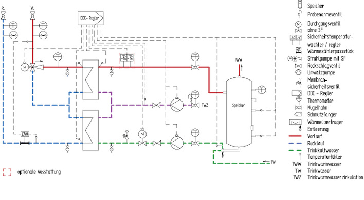
1 
Schaltbild des Trinkwarmwassersystems Yado Aqua PR 



mit zweistufig kaskadierter Speicherladung.
Hygienische und energieeffiziente Trinkwassererwärmung

Mit Patent: Niedrige Rücklauftemperatur

-

Für die Verbesserung des Systemwirkungsgrads warmwasserbasierender Heizsysteme ist die größtmögliche Absenkung der Rücklauftemperatur bei gleichzeitiger Verminderung der Volumenströme entscheidend. Während sich dies für die Raumheizung durch großzügig ausgelegte Heizflächen einfach umsetzen lässt, müssen bei Trinkwassererwärmung die Effizienzanforderungen mit gesetzlichen Vorgaben zur Trinkwasserhygiene in Einklang gebracht werden. Ein patentiertes Konzept belegt, dass sich beide Anforderungen gleichzeitig erfüllen lassen.

Hoval

Substanzielle Beteiligung an Yados

-

Mit Fernwärme und Blockheizkraftwerken hat der Heizungs- und Lüftungshersteller Hoval zwei zukunftsträchtige neue Märkte im Visier. Mit einer substanziellen Beteiligung am deutschen Unternehmen Yados erweitert Hoval sein Portfolio um diese beiden Produktbereiche. Die im sächsischen Hoyerswerda produzierten Fernwärme- und Nahwärmestationen und Blockheizkraftwerke werden künftig in Österreich von Hoval vertrieben und gewartet.