Springe auf Hauptinhalt Springe auf Hauptmenü Springe auf SiteSearch
BHKW und Brennwertheizkessel

Die richtige Hydraulik sichert die Effizienz

Um das technisch mögliche Effizienzpotenzial thermischer Versorgungssysteme maximal auszuschöpfen, ist eine ausbalancierte Hydraulik mit anlagenspezifischen Regelungsstrategien gefragt. Dafür gibt es wichtige Stellschrauben.

Kompakt zusammengefasst
■ Für die Energieeffizienz eines thermischen Gesamtenergiesystems ist es wenig hilfreich, nur Einzelkomponenten zu optimieren.
■ Ausschlaggebend ist, die integrierten Erzeuger und Verbraucher aufeinander abgestimmt möglichst nah an ihrem jeweiligen Wirkungsgrad-Optimum zu betreiben. Dabei ist zu beachten, dass die Systeme üblicherweise nicht am Berechnungspunkt, sondern überwiegend unter Teillast arbeiten.
■ Wichtig sind eine bedarfsspezifische hydraulische Abstimmung sowie Maßnahmen zur Optimierung der Rücklauftemperatur und zur Überströmung von Vorlaufwasser in den Rücklauf. Vorteile bietet eine flexible Reihen-/Paralleleinbindung.
■ Mit einer Überwachung und Analyse aller relevanten Daten lassen sich in der Betriebsphase weitere ökonomische und ökologische Einsparpotenziale identifizieren.

Bild 1 Theorie und Praxis bestätigen, dass die Anlagenhydraulik ein entscheidender Faktor für einen energieeffizienten Betrieb ist.

Yados

Bild 1 Theorie und Praxis bestätigen, dass die Anlagenhydraulik ein entscheidender Faktor für einen energieeffizienten Betrieb ist.

Um im Kontext der gesetzten Klimaschutzziele zügig greifbare Erfolge zu erzielen, spielt auch das Prinzip Kraft-Wärme-Kopplung (KWK) in Kombination mit Brennwertnutzung eine Schlüsselrolle: Die gekoppelte Erzeugung erreicht mit ihrer hohen Brennstoffeffizienz eine deutlich bessere CO2-Bilanz als die getrennten Erzeugung von Strom und Wärme [mit dem gleichen Brennstoff]. Langfristig können die erprobten Technologien zudem mit regenerativen und / oder synthetischen Energieträgern und bei Bedarf netzdienlich betrieben werden.

Damit die bessere CO2-Bilanz nicht nur auf dem Papier existiert, müssen KWK-Projekte sorgfältig geplant werden. Soll die Effizienz thermischer Energiesysteme dauerhaft verbessert werden, gilt es, die integrierten Erzeuger und Verbraucher aufeinander abgestimmt möglichst nah an ihrem jeweiligen Wirkungsgrad-Optimum zu betreiben. Lediglich Einzelkomponenten zu optimieren ist wenig hilfreich, wenn es darum geht, ein thermisches Gesamtenergiesystem maximal energieeffizient auszurichten.

Stolperfallen sind standardisierte Hydraulik- und Regelungskonzepte, die meist auf einen möglichst optimalen Betrieb der jeweiligen Einzelkomponente am Auslegungspunkt zielen. Das wird dem Umstand, dass die Systeme im laufenden Betrieb üblicherweise nicht am Berechnungspunkt, sondern unter Teillast arbeiten, nicht gerecht. Darüber hinaus berücksichtigen Standardkonzepte nur unzureichend die unterschiedlichen hydraulischen Anforderungen in komplexeren multivalenten Systemen mit mehreren Wärmeerzeugern und thermischen Speichern. Im Ergebnis kann das vorhandene Energieeinsparpotenzial einer Verbundanlage nicht annähernd ausgeschöpft werden.

Ohne eine bedarfsspezifische hydraulische Abstimmung drohen darüber hinaus altbekannte Probleme – zu hohe Rücklauftemperaturen, BHKW-Ausfallzeiten, ungleichmäßig beheizte Räume, verlängerte Aufheizzeiten und störende Strömungsgeräusche. Gängige Lösungsversuche, etwa leistungsstärkere Pumpen einzubauen, höhere Drehzahlstufen zu wählen, die Heizkurve zu erhöhen oder Absenkphasen zu verkürzen, zeigen meist nicht die gewünschte Wirkung, da sie die ursächlichen Verteilprobleme innerhalb des hydraulischen Systems schlicht nicht lösen können.

Unterschätzter Effizienzfaktor: Optimierte Rücklauftemperatur

Entscheidend für die thermische Effizienz eines Heizungssystems und die tatsächliche Brennwertnutzung, gleichgültig ob Brennwert-BHKW oder Brennwertheizkessel, ist eine niedrige Rücklauftemperatur. Die thermische Übertragungskapazität, Volumenströme, vorhandene Strömungs- und Wärmeverluste, der elektrische Pumpenaufwand und gegebenenfalls der Wirkungsgrad der Kraft-Wärme-Kopplung werden entscheidend über die Rücklauftemperatur bestimmt.

Grundsätzlich gilt, je niedriger die Rücklauftemperatur (günstig sind Temperaturen unter 40 °C) desto geringere Abgastemperaturen lassen sich erreichen. In der Folge kondensiert mehr Wasserdampf und der Wirkungsgrad steigernde Brennwertnutzen nimmt zu. Bei einer idealen Gasverbrennung beginnt der Brennwerteffekt bei Abgastemperaturen unter 57 °C (Erdgas). Liegt die Rücklauftemperatur über 50 °C kann der Effekt in der Regel nicht eintreten und der wertvolle Zusatznutzen bleibt ungenutzt.

Die Höhe der Mischwasser-Rücklauftemperatur an den Wärmeerzeugern wird von unterschiedlichen Faktoren beeinflusst, beispielsweise der Rücklauftemperatur der einzelnen Verbraucher, der hydraulischen Verschaltung von Verbrauchern und Wärmeerzeugern sowie durch in den Rücklauf überströmendes Vorlaufwasser. Die Verfahren und Strategien, die Rücklauftemperatur möglichst weit abzusenken bzw. ihr Anheben sicher zu reduzieren oder weitestgehend zu vermeiden, sind entsprechend vielfältig.

Hydraulische Verschaltung: Parallel oder in Reihe?

Üblicherweise werden Verbraucher und Verbrauchergruppen (Heizkreise) parallel oder in Reihe geschaltet. Bei einer starren Reihenschaltung wirkt sich die individuelle Anpassung auf den Massenstrom aller angeschlossenen Verbraucher aus. Das vorteilhaft, wenn die verschiedenen Verbraucher(gruppen) unterschiedliche Vorlauftemperaturen fordern, etwa Heizkörper- und Fußbodenheizkreise. Der Rücklauf der Heizkörper liefert hier normalerweise eine ausreichende Vorlauftemperatur für den Fußbodenheizkreis, über den die Rücklauftemperatur weiter sinkt. Eine parallele Anordnung hat den Vorteil, dass Leistung und Vorlauftemperatur variieren und die Verbraucher bedarfsspezifisch mit Heizungswasser bedient werden können.

Bild 2  Yados EnergieEffizienzVerteiler mit Hochtemperatur- und Niedrigtemperaturrücklauf.

Yados

Bild 2  Yados EnergieEffizienzVerteiler mit Hochtemperatur- und Niedrigtemperaturrücklauf.

Das Beste aus beiden Welten vereint die sogenannte flexible Reihen-/Paralleleinbindung: Die Kombination der Schaltungsvarianten erlaubt es, Verbraucher bei entsprechenden Bedarfen zugunsten einer niedrigen Rücklauftemperatur in Reihe zu betreiben, wodurch sich der Massenstrom aufgrund der großen Gesamt-Temperaturspreizung verringert. Sobald einzelne Verbraucher(gruppen) einen abweichenden Massenstrom oder höhere Vorlauftemperaturen fordern, wird ein „variabler Bypass“ aktiviert.

In der Praxis wird die flexible Einbindung beispielsweise mit Mehrwege-Mischventilen umgesetzt. Yados realisiert die Temperaturzonen Vorlauf, Hochtemperaturrücklauf und Niedrigtemperaturrücklauf über drei Kammern im Rohrverteiler. Differieren die Massenströme, werden diese in einen Brennwertheizkessel mit zwei Rücklaufanschlüssen oder alternativ über einen Rücklaufkurzschluss im Verteiler ausgeglichen.

Bei dem mit zwei getrennten Rücklaufsammlern ausgestatteten variablen Yado|Share EnergieEffizienzVerteiler (EEV) werden die Rückläufe nicht zusammengeführt und vermischt, sondern können als getrennte Temperaturströme zweifach verteilt und energetisch genutzt werden. Der niedertemperierte Rücklauf sichert den Brennwerteffekt und steigert die Anlageneffizienz. Der höher temperierte Rücklauf kann parallel als Vorlauf ins Versorgungsnetz eingebunden bzw. einem Wärmespeicher zugeführt werden (Bild 2).

Die hydraulische Verschaltung der Erzeugertechnologien ist ebenfalls als Reihen- oder Parallelschaltung möglich. Ziel ist es, (zu) hohe rückläufige Temperaturen zum Erzeuger zu vermeiden. Liegen die Temperaturen zu hoch, gefährdet das nicht nur den Brennwerteffekt. Im ungünstigsten Falle wird der Motorblock des BHKWs (bei Rücklauftemperaturen über 60 °C) nicht mehr ausreichend gekühlt und die Zwangsabschaltung des Aggregates droht.

Welche Schaltungsart letztlich präferiert wird, hängt von mehreren Faktoren ab (z. B. erforderliche Vorlauftemperaturen und maximalen Rücklauftemperaturen), die im Vorfeld fundiert analysiert werden sollten.

Praxisbeispiel: Datenbasierte Ableitung der Anforderungen

Yados – spezialisiert auf maßgeschneiderte Systemkomponenten für die flexible Energieerzeugung, passgenaue Wärmeübergabe und -verteilung sowie übergeordnete Regelungssysteme – unterstützt als Planer und Betreiber bei der objektspezifischen Konzeption und Umsetzung komplexer (Verbund)Anlagen. Sollen Bestandsanlagen optimiert oder modernisiert werden, begleitet das Unternehmen die energetischen Vorhaben mit dem Ziel, wirtschaftliche und ökologisch nachhaltige „EnergieEffizienzZentralen“ zu gestalten.

Nicht oder schlecht hydraulisch eingeregelte Wärmeversorgungssysteme, störanfällig und unwirtschaftlich, gehören zum Projektalltag der Yados-Spezialisten. So auch bei einem Bestandsprojekt im Landkreis Bautzen. Ein dort ansässiges Chemieunternehmen benötigt für seine Produktionsprozesse, ein durch Wärmezufuhr ausgelöstes chemisches Umwandlungsverfahren, konstant und ausfallsicher thermische Energie. Die firmeneigene BHKW-Anlage – zwei Module, eines seit mehr als zehn Jahren in Betrieb – arbeitete nicht mehr effizient und das Risiko von Produktionsausfällen stieg.

Bild 3 Beim Yados EnergieEffizienzVerteiler sind sämtliche Heizkreise und Bauteilgruppen (Drei-Wege-Ventil mit Stellantrieb, Hocheffizienzpumpen und Wärmezähler) ab Werk fertig vormontiert.

Yados

Bild 3 Beim Yados EnergieEffizienzVerteiler sind sämtliche Heizkreise und Bauteilgruppen (Drei-Wege-Ventil mit Stellantrieb, Hocheffizienzpumpen und Wärmezähler) ab Werk fertig vormontiert.

Grundsätzlich gilt es in solchen Fällen, den Ist-Zustand der Bestandsanlage bzw. den Anlagenbetrieb zu Beginn des Projektes zu überprüfen, zu analysieren und auszuwerten. Zu erfassen sind hierbei u. a. Einsatztemperaturen, mögliche Teillastbetriebe, auftretende Abnahmeleistungen und Volumenströme. Bei BHKW-Anlagen mit häufigen Störabschaltungen in Verbindung mit zu geringen Laufzeiten sollten die hydraulischen Verbraucherschaltungen und Heizkreise für die Optimierung des Wärmenetzes nach einer entsprechenden Überprüfung angepasst werden.

Im Chemieunternehmen zeigte die Erstbegutachtung durch Yados, dass nicht gedämmte BHKW-Leitungen zu hohen Wärmeverlusten führten, verbaute Kurzschlüsse das Temperaturniveau nachteilig beeinträchtigten und Heizkreise teilweise falsch eingebunden waren.

Die Ableitung notwendiger technischer und regelungstechnischer Maßnahmen erfolgt seitens Yados grundsätzlich auf Basis belastbar erfasster Daten (z. B. die reale Leistung von Erzeugern und Verbrauchern, Volumenströme, tatsächliche Temperaturniveaus einzelner Heizkreise oder konkrete Wärmebedarfe einzelner Produktionslinien). Auch die wirksame Senkung von Rücklauftemperaturen benötigt genaue Kenntnisse über das erforderliche Temperaturniveau der unterschiedlichen Verbraucher. Ohne diese Informationen ist nicht nachvollziehbar, ob und wo „Effizienzkiller“, die ein niedriges Rücklauftemperaturniveau gefährden, lauern.

Da dem Chemieunternehmen keine Betriebsdatenerfassung und -auswertung vorlag, führte Yados zunächst eine Voranalyse durch, in der über Wärmezähler die spezifischen Heizlasten der Verbraucher ermittelt und anschließend ausgewertet wurden. Zur „technischen Fehlervorwegnahme“ wurde festgestellt, wo und wann welcher Verbraucher wie viel thermische Energie bezieht. Für die einzelnen Heizkreise erfolgte eine jeweils gesonderte Analyse des Lastgangs, um diese später individuell bedienen zu können.

Die detaillierte Datenauswertung ergab umfassende Modernisierungs- und Optimierungsbedarfe in der Wärmeerzeugung und -verteilung: Beide BHKW-Aggregate wurden nacheinander erneuert. Heute werden die Produktionsprozesse und Räumlichkeiten des Unternehmens über zwei Yados-BHKW und einen Gas-Brennwertheizkessel von Hoval zur Spitzenlastabdeckung wirtschaftlich solide und ausfallsicher versorgt.

Die parallelgeschalteten, thermisch geregelten und stromoptimierten Yado|KWK EG-190 schöpfen rund 90 % (Wirkungsgrad) vom Heizwert des zugeführten Erdgases aus. Die bei der Erzeugung elektrischer Energie anfallende (Ab-)Wärmeenergie wird über Wärmeauskopplungsmodule als Heizwasser mit Vorlauftemperaturen) von 90 °C ausgekoppelt. Der Erfolg ist messbar: Der Gasverbrauch hat sich um 20 bis 25 % verringert. Die generierte elektrische und thermische Energie wird im Unternehmen vollständig eigenverbraucht. Bedarfsabhängig werden maximal 30 kW Strom aus dem öffentlichen Netz bezogen. Das spart zusätzlich Primärenergie, senkt die Betriebskosten und verringert CO2-Emissionen.

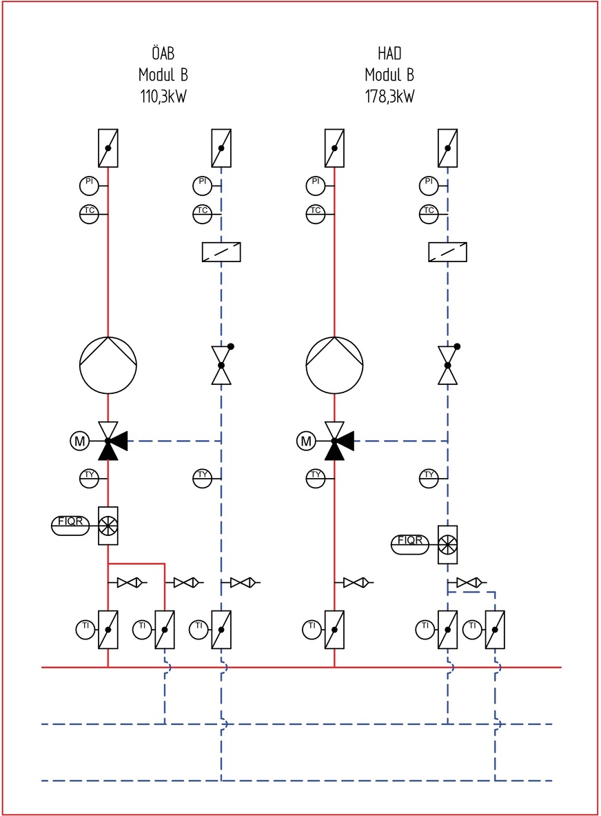
Drei EEV übernehmen die Wärmeverteilung und versorgen insgesamt sechs Heizkreise (Bild 4). Die Heizungsverteiler erlauben die effiziente Einbindung der Heizkreise auf einem optimalen Temperaturniveau von 60 bis 80 °C. Die vormals verbauten Bypass-Lösungen sind nicht mehr nötig und im 20-m3-Wärmespeicher herrscht nun eine stabile Temperaturschichtung. Die EEV wurden von Yados passgenau gefertigt und mit vormontierten Bauteilgruppen (Drei-Wege-Ventil mit Stellantrieb, Hocheffizienzpumpen und Wärmezähler) ausgeliefert (Bild 3).

Bild 4 Fließschema des Praxisbeispiels nach der Modernisierung der Wärmeversorgung.

Yados

Bild 4 Fließschema des Praxisbeispiels nach der Modernisierung der Wärmeversorgung.

Wirtschaftlicher Betrieb mit kontinuierlicher Effizienzsteigerung

Eine stabile und ausfallsichere Wärmeversorgung, die unterschiedliche Erzeugungstechnologien, Energieträger und Verbraucher integriert, erfordert – vor allem bei angewandter Parallelschaltung der Erzeuger – eine intelligente Steuerung per Leit- und Kommunikationssystem.

Im Chemieunternehmen integriert und steuert das übergeordnete Bus-basierte Regelsystem Yado|Link sämtliche Wärmeerzeuger, die Heizkreise der einzelnen Verbraucher und die zugehörigen DDC-Regler. Angesteuerte Anlagenteile und Anlagenparameter liefern wichtige Kennzahlen und bieten Zugriff auf wesentliche Informationen, wie Temperaturen, Massenströme und Leistungen. Alle relevanten Daten werden in Echtzeit überwacht, erfasst und analysiert. Auf dieser Basis lassen sich weitere ökonomische und ökologische Einsparpotenziale identifizieren und der kontinuierliche Optimierungsprozess der Verbundanlage wird unterstützt.

Ein ausführliches Manuskript zur „Optimierung von Heizungsanlagen mit bivalenter Wärmeerzeugung mittels BHKW und BW-Kessel“ von Prof. Dr.-Ing. Alexander Floß steht hier als Download zur Verfügung: www.bit.ly/tga1415

Minimierte Überströmung spart Kosten

Nahezu alle am Markt verfügbaren Blockheizkraftwerke und zahlreiche Brennwertheizkessel fordern herstellerseitig einen Mindestmassenstrom zum Eigenschutz. Um diesen zu gewährleisten, hat sich bei mittleren und größeren Anlagen der Einsatz hydraulischer Weichen – auch in Form von Wärmespeichern – bewährt. Die hydraulische Entkopplung von Erzeuger- und Verbraucher- bzw. Primär- und Sekundärseite verhindert die gegenseitige Beeinflussung der Volumenströme.

Hierbei findet, von wenigen Ausnahmen abgesehen, schon am Auslegungspunkt ein Überströmen in den Rücklauf statt. Hintergrund ist ein in der Regel um ca. 20 % höherer Massenstrom auf der Erzeugerseite gegenüber der Verbraucherseite, um eine verbraucherseitige Vorlauftemperaturreduzierung über die hydraulische Weiche und damit eine Leistungsminderung an den Verbrauchern zu unterbinden. Allein dieser um 20 % höhere Erzeugermassenstrom am Auslegungspunkt führt leicht zu einer Rücklauftemperaturanhebung von 4 K. Verringert sich im Teillastbereich der Massenstrom der Verbraucherkreise, bei in der Praxis üblichem konstantem Erzeugermassenstrom, steigt die Rücklauftemperatur immer weiter an.

Vor diesem Hintergrund hat das Institut für Gebäude und Energiesysteme der Hochschule Biberach kürzlich eine interne theoretische Forschungsarbeit durchgeführt, die das thermische Einsparpotenzial einer geregelten hydraulischen Überströmung gegenüber einer klassisch ungeregelten Variante beleuchtet. Bei einer geregelten Lösung wird der Erzeugermassenstrom zunächst dem Verbrauchermassenstrom angepasst. Erst wenn der Verbrauchermassenstrom den Mindestmassenstrom im Erzeuger unterschreitet, wird der Erzeugermassenstrom konstant gehalten und der für den Verbraucher überschüssige Massenstrom in den Rücklauf abgeleitet. In Verbindung mit Brennwertheizkesseln realisiert die geregelt hydraulische, „minimierte“ Überströmung ein thermisches Einsparpotenzial von 5 % (Gas) und ein elektrisches Einsparpotenzial von ca. 50 % (Strom).
 

Fachberichte mit ähnlichen Themen bündelt das TGAdossier Mini-KWK

Lutz Birnick
ist Leiter Produktmanagement bei Yados, 02977 Hoyerswerda, lutz.birnick@yados.de, www.yados.de

Yados

Prof. Dr.-Ing. Alexander Floß
studierte Maschinenbau an der TU München und promovierte dort 1994 auf dem Gebiet Kältetechnik. 1995 machte er sich mit einem Planungsbüro für TGA selbständig. 1999 folgte er einem Ruf an die Hochschule Biberach, wo er in den Studiengängen Energieingenieurwesen sowie Energie- und Gebäudesysteme die Bereiche thermische Energiesysteme und Anlagenplanung lehrt. Am Institut für Gebäude- und Energiesysteme (IGE) der Hochschule Biberach forscht Prof. Floß in den Gebieten Kälte- und Wärmepumpentechnik sowie Hydraulik. 88400 Biberach, floss@hochschule-bc.de, www.hochschule-bc.de

Stefan Sättele / Hochschule Biberach

Jetzt weiterlesen und profitieren.

+ TGA+E-ePaper-Ausgabe – jeden Monat neu
+ Kostenfreien Zugang zu unserem Online-Archiv
+ Fokus TGA: Sonderhefte (PDF)
+ Webinare und Veranstaltungen mit Rabatten
uvm.

Premium Mitgliedschaft

2 Monate kostenlos testen