Springe auf Hauptinhalt Springe auf Hauptmenü Springe auf SiteSearch
Wärmepumpen für hohe Temperaturen und Leistungen

Großwärmepumpen auch im Hochhaus

Kompakt informieren

  • Im Gewerbe- und Industriesektor befinden sich die Energiepreise gegenüber Privatkunden auf einem deutlich anderen Niveau, zudem hat praktisch jedes Unternehmen andere Konditionen und Privilegien. Auch gibt es keine so direkt wirkende Regulierung wie die Energieeinsparverordnung.
  • Wärmepumpen haben jedoch im Gewerbe- und Industriebereich gute Chancen, wenn eine geeignete Systemintegration zu einer Verbesserung der Gesamteffizienz führt, die durch fossil befeuerte Wärmeerzeuger nicht erreicht werden kann. Dies ist oft der Fall, wenn neben der Wärmesenke auch die Abkühlung der Wärmequelle einen Nutzen darstellt.

Der Anwendungsbereich von Wärmepumpen hat sich durch die technische Entwicklung, durch neue Kältemittel, aber auch aufgrund geänderter Gesetze, Verordnungen und Richtlinien in den letzten Jahren stark gewandelt. Auch das Bewusstsein zur stärkeren Nutzung regenerativer Energien und die damit verbundene Einführung von Energiemanagementsystemen trägt zu einem größeren Spektrum der Anlagen bei.

So lassen sich heute für die unterschiedlichsten Einsatzbereiche geeignete Geräte finden, die auf die jeweiligen Bedürfnisse abgestimmt und auf eine Vielzahl an Wärmequellen angepasst werden können. Die Temperaturen, die durch Wärmepumpen erzeugt werden, sind oft schon mit den Temperaturen von Wärmeerzeugern vergleichbar, die mit Erdgas oder Heizöl befeuert werden.

Marktsituation der Wärmepumpe für die Beizung privater Haushalte

Im Marktsegment Privathaushalte ist in den letzten Jahren eine Steigerung der Verkaufszahlen von Wärmepumpen festzustellen, hier kommen Geräte mit bis zu rund 60 °C Vorlauftemperatur und Leistungen bis ca. 20 kW zum Einsatz. Im Jahr 2016 wurden in Deutschland über 65 000 Wärmepumpen installiert, überwiegend wurde dabei die Wärmequelle Luft erschlossen, gefolgt von Geothermie (insbesondere vertikale und horizontale Erdwärmesonden) und Wasser.

Trotz niedriger Öl- und Gaspreise sowie weiterhin steigender Entgelte für elektrische Energie war der Absatz noch nie so hoch. Neben staatlichen Förderprogrammen sind gestiegene Anforderungen an die Energieeffizienz die Hauptursache. Durch die Absenkung des Primärenergiefaktors auf 1,8 für elektrischen Strom nach EnEV 2016 und dem damit entstandenen Vorteil für Wärmepumpen in der Primärenergiebilanz ist auch zukünftig eine steigende Nachfrage zu erwarten. Die hohen Verkaufszahlen sind jedoch hauptsächlich auf Neubauten zurückzuführen. In Bestandsgebäuden werden deutlich weniger Geräte installiert, hier entfalten die erhöhten EnEV-Neubauanforderungen nur indirekt über einige der KfW-Förderprogramme eine Wirkung.

Marktsituation der Wärmepumpe im Gewerbe- und Industriesektor

Gegenüber dem Marktsegment Privathaushalte gibt es bei Wärmepumpen für den Gewerbe- und Industriebereich einige technische Unterschiede, beispielsweise werden deutlich höhere Wärmeleistungen gefordert. Dabei kommen außer Scrollverdichtern auch Hubkolben-, Schrauben- und Turbokompressoren zum Einsatz, der Leistungsbereich bewegt sich von unter 50 kW bis hin zu mehreren MW.

Auch hinsichtlich der maximalen Vorlauftemperatur sind Unterschiede festzustellen, aktuell werden problemlos 80 bis 100 °C erreicht und auch nachgefragt. Neben den bewährten HFKWs wie R134a und R245fa werden auch natürliche Kältemittel, wie Propan, CO 2 und Ammoniak, eingesetzt. Durch den Fortschritt im Bereich der Hydrofluorolefin(HFO)-Kältemittel sind aktuell schon R1234yf und R1234ze und deren Gemische mit H-FKW-Kältemitteln (teilfluorierte Kohlenwasserstoffe) in Verwendung. Viele Stoffe befinden sich momentan in der Markteinführungsphase und es sind weitere Neuentwicklungen zu erwarten.

Auch hinsichtlich energiewirtschaftlicher Aspekte sind Unterschiede festzustellen. Vergleicht man die Strompreise Abb. 2 von Industrie und Haushalt miteinander, ist zunächst ein sehr ähnlicher Trend zu erkennen, jedoch mit einem signifikant höheren Niveau für Privatkunden. Der elektrische Strom für Industriekunden liegt durch den Wegfall von Steuern sowie EEG- und weiteren Umlagen nur bei etwa 20 bis 50 %, die Spannbreite ergibt sich je nach Privilegien und Bezugsmenge. Diesem vermeintlichen Anreiz für Wärmepumpen wirken allerdings die häufig noch geringeren Preise für Erdgas und Heizöl entgegen.

Verbesserung der Gesamteffizienz

Großwärmepumpen werden jedoch attraktiv, wenn eine geeignete Systemintegration zu einer Verbesserung der Gesamteffizienz führt, die durch fossil befeuerte Wärmeerzeuger nicht erreicht werden kann. Dies ist oft der Fall, wenn nicht nur die Wärmesenke, sondern auch die Abkühlung der Wärmequelle einen Nutzen für den Verbraucher darstellt.

Ein Beispiel für den Bereich Hochtemperaturwärmepumpen ist die Abwärmenutzung aus Kühlwassernetzen: Aus dem Wärmestrom kann in den meisten Fällen die vollständige Wärmequellenenergie für die Wärmepumpe ausgekoppelt werden, wodurch sich die Leistung des Rückkühlwerks oder Kühlturms um diesen Betrag reduziert. Somit wird gleichzeitig Abwärme genutzt und die Kühlwasserauslastung reduziert.

Ein weiteres Beispiel mit doppelter Nutzung von Wärme und Kälte ist die Anbindung an den Rücklauf eines Kaltwassernetzes. Zum einen liegt diese Art der Wärmequelle häufig auf einem gleich bleibenden Temperaturniveau vor, woraus eine konstante Leistungszahl resultiert. Zum anderen werden die Kältemaschinen zur Kaltwassererzeugung entlastet, was dort zu einer verminderten Leistungsaufnahme führt.

Die Wärmepumpe sollte primär für die Auslegungsbedingungen optimiert sein, allerdings müssen auch abweichende Betriebspunkte bedacht und eine passende Teillastregelung gewählt werden. Auch die Auswahl der Peripheriegeräte sollte nicht auf die Komponenten hin optimiert erfolgen, vielmehr müssen diese auf das Gesamtsystem zugeschnitten werden.

Wo der Einsatz einer Großwärmepumpe geeignet ist, lässt sich in der Regel auch ein positiver Beitrag zum Energiemanagementsystem verzeichnen. Unter Umständen ist hier ein großer Teil der einzusparenden Energie hinsichtlich der Vorgaben zur jährlichen Verbesserung der Energieeffizienz versteckt. Für die Betreiber steckt also zukünftig Einsparpotenzial in den Anlagen, wenn hinsichtlich der Maßnahmen zum kontinuierlichen Verbesserungsprozess alle „low hanging fruits“ abgeerntet sind.

Bei energieintensiven Unternehmen kann das für die Begrenzung der EEG-Umlage eine wichtige Rolle spielen. Auch hohe Investitionen können sich dadurch mittel- oder langfristig auszahlen.

Anwendungsbeispiel Dubai

Die Forderung nach effizienten Systemen steht nicht nur in Deutschland im Fokus, sondern ist weltweit zu finden. Ein Beispiel sind die Vereinten Arabischen Emirate, wo im Hinblick auf die Weltausstellung 2020 ein anhaltender Bauboom zu verzeichnen ist. Um den enormen Energiebedarf zu bewerkstelligen, wird in Dubai seit 2011 die Richtlinie „Green Building Specifications and Standards“ für alle Regierungsgebäude umgesetzt, seit 2014 gilt diese für alle Neubauten. Dadurch sollen bis zum Jahr 2030 ca. 30 % Energieeinsparung verwirklicht werden.

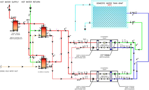
Einen Beitrag dazu leistet das Energiekonzept im „Plaza Residences, Jumeirah Village Circle, Dubai“, wo zwei Combitherm-Wärmepumpen installiert wurden, die energiesparend die Trinkwassererwärmung des Gebäudes übernehmen. Bei dem Gebäudekomplex handelt es sich um eine Kombination aus Hotel und Apartments mit Einkaufs- und Erholungsmöglichkeiten, sodass ein hoher thermischer Energiebedarf existiert.

Die beiden Wärmepumpenaggregate Abb. 1 verfügen jeweils über eine Wärmeleistung von 240 kW, die mit einer maximalen Vorlauftemperatur von 70 °C zwei Speicherwassererwärmer versorgen. Um Spitzenlasten abzudecken, wird ein zusätzliches elektrisches Heizelement in einem dritten, seriell eingebundenen Speicher eingesetzt. Hierfür wäre eine zusätzliche Wärmepumpe hinsichtlich der vergleichsweise hohen Investitionskosten und den kurzen Laufzeiten nicht sinnvoll.

Als Wärmequelle für die Wärmepumpen dient ein Frischwassertank mit 84 m 3 Speichervolumen Abb. 3. Aus den in Dubai vorliegenden hohen Außentemperaturen resultieren Speichertemperaturen zwischen 20 und 40 °C, diese Quellentemperatur eignet sich gut für den Einsatz einer Wärmepumpe. Die Temperaturspreizung beträgt, ebenso wie bei der Wärmesenke, 5 K zwischen Vor- und Rücklauf. Die thermische Quellenenergie für die Wärmepumpe steht also kostenfrei zur Verfügung und muss nur noch abgeholt werden. Das Abkühlen des Frischwassertanks hat zudem einen positiven Nebeneffekt, denn kaltes Wasser führt besonders bei hohen Sommertemperaturen zu einer deutlichen Komfortsteigerung.

Da jedes Wärmepumpenaggregat jeweils mit Primär- und Sekundärpumpe und den weiteren Hydraulikkomponenten ausgerüstet ist, können die Anlagen unabhängig voneinander betrieben werden. Mithilfe der BACnet-Kommunikation ist es zudem für den Betreiber jederzeit möglich, die Betriebsparameter auszulesen.

Die eingesetzten Schraubenverdichter verfügen über eine stufenlose Teillastregelung, durch die Aufteilung auf zwei Aggregate ergibt sich ein weiterer Vorteil, denn durch die Verbundschaltung sind Teillastbedingungen zwischen 25 und 100 % möglich. Bei hohen Vorlauftemperaturen empfiehlt sich allgemein die Verwendung mehrerer kleiner Verdichter anstelle eines großen Schraubenkompressors, wenn starke Lastschwankungen zu erwarten sind. Diese sind für den Hotelbereich typisch, denn es ist vor allem morgens und abends mit einem erhöhten Warmwasserbedarf zu rechnen.

Durch die integrierte Kältemittel-Sauggaskühlung im Verdichter ist ein Mindestmassenstrom notwendig, um die erzeugte Motorwärme abzuführen. Je höher die Heißwasservorlauftemperatur (also auch die Verflüssigungstemperatur) ist, desto größer ist der Mindestmassenstrom zur Kühlung. Dieser entspricht bei 60 °C Vorlauftemperatur mindestens 50 % der Verdichterkälteleistung. Verstärkt wird dieses Phänomen noch durch den Anstieg der Wärmequellentemperatur.

Ausblick

Durch Neuentwicklungen, vor allem im Bereich der Kältemittel, sind zukünftig noch Einsatzbereiche mit höheren Temperaturen (über 100 °C) denkbar. Die Herausforderung für den Einsatz von Großwärmepumpen liegt aber vor allem darin, im Vergleich zu fossilen Energieträgern wirtschaftlich wettbewerbsfähig zu sein. Aus technischer Sicht steht bereits heute eine große Bandbreite an Geräten bereit, auch im Hochtemperaturbereich sind viele Lösungen zu finden. Die Grundlage muss die passende Einbindung in das System sein. Optimal ist dabei, wenn die Kühlung der Wärmequelle einen doppelten Nutzen generiert.

Julian Hoffner, M. Eng.

ist Produktmanager für Hochtemperatur-Wärmepumpen bei Combitherm, 70736 Fellbach, www.combitherm.de

Jetzt weiterlesen und profitieren.

+ TGA+E-ePaper-Ausgabe – jeden Monat neu
+ Kostenfreien Zugang zu unserem Online-Archiv
+ Fokus TGA: Sonderhefte (PDF)
+ Webinare und Veranstaltungen mit Rabatten
uvm.

Premium Mitgliedschaft

2 Monate kostenlos testen