Springe auf Hauptinhalt Springe auf Hauptmenü Springe auf SiteSearch
Flüssigeis-Anwendungen

Ice Slurry als Systemkälteträger

Die Verwendung von Eis im Lebensmittelbereich hat bereits eine lange Tradition. So erzeugten beispielsweise die Römer mit Schnee und Salzen Kältemischungen, mit denen sich Temperaturen um –15 °C herstellen ließen – was schon kalt genug für die Speiseeisherstellung wäre. Auch zum Kühlen in Gärkellern der Bierbrauereien hat man jahrhundertelang im Winter auf Seen und Flüssen Eisblöcke geerntet. Die Erfindung und Markteinführung der Kaltdampfkompressions-Kältemaschine hat die Verwendung von Eis langsam aus der Kältetechnik verdrängt. Obgleich anfangs noch mit Kältemaschinen Eisblöcke hergestellt wurden, die auf den gleichen Distributionswegen verteilt wurden wie die natürlich entstandene Variante.

Nun erlebt die Verwendung von Eis in der Kältetechnik eine Renaissance. Angefangen hat es ca. Mitte der 1970er-Jahre in der damaligen UdSSR und in Israel. Forscher erzeugten gezielt aus Wasser-Glykol- und Wasser-Ethanol-Mischungen ein pumpfähiges Gemisch aus Flüssigkeit und Eispartikeln. Flüssigeis war damit erfunden und erfreut sich seitdem einer steigenden Beliebtheit – auch außerhalb der Forschung, wie der ­folgende Beitrag zeigt.

Was ist Flüssigeis

Ausgangsstoff von Flüssigeis ist ein Gemisch aus Wasser und einem gefrierpunktsenkenden Stoff, wie Ethanol, Glykol oder Salz. Der Gefrierpunkt wird bewusst höher als die Anwendungstemperatur gewählt. So können sich beim Abkühlen kleine Eispartikel (0,1 bis 0,5 mm) bilden, die auch mit Kreiselpumpen pumpfähig sind (Bild 1). Hergestellt wird dieses sogenannte Flüssigeis in Flüssigeis-Erzeugern. Dies sind in der Regel Verdampfer mit Schabern oder Kratzern auf der Oberfläche, welche deshalb als auch als Kratzverdampfer bezeichnet werden (Bild 2). Flüssigeis ist also eine Mischung aus sehr kleinen Eispartikeln und einer Flüssigkeit. Die Flüssigkeit besteht aus Wasser und Ethanol, Glykol oder Salz – die Eispartikel überwiegend aus Wasser. Je höher der Eisanteil, desto mehr Kälte kann mit dem Flüssigeis transportiert werden. Wird das Flüssigeis in einem Behälter gelagert, lassen sich so relativ einfach größere Mengen an Kälte speichern.

Ökonomische Vorteile

Flüssigeis ist ein umweltfreundlicher Kälteträger, der durch die im Phasenübergang Eis zu Wasser gespeicherte latente Wärme eine bis zu achtfach höhere Energiedichte (bei gleichem Temperaturgleit, d.h. gleicher Temperaturänderung des Kälteträgers) und einen bis zu doppelt so hohen Wärmeübergang gegenüber reiner Flüssigkeit aufweist. Durch diese Eigenschaften lassen sich die Rohrdimensionen in der Kälteverteilung deutlich verringern und die Pumpenleistung um den Faktor 8 erniedrigen – im Vergleich zu Anlagen mit flüssigen Wasser-Glykol-Gemischen als Kälteträger (Bild 3).

Die hohe Energiedichte von Flüssigeis bei sehr kleinem Temperaturgleit macht den Einsatz von Pufferspeichern mit extrem hohem Speichervermögen bei gleichzeitig sehr geringem Raumbedarf möglich. Bei herkömmlichen Kälteanlagen ist zwischen Kälte-Erzeugung und -Nutzung – auch bei puffergespeicherten Systemen – meist nur ein relativ geringer zeitlicher Versatz von wenigen Stunden möglich. Durch den Einsatz von Flüssigeis kann man Kälteerzeugung und -verbrauch zeitlich nahezu komplett unabhängig voneinander handhaben. Damit kann die Kälteerzeugung – die den Löwenanteil des gesamten Stromverbrauchs verursacht – ausschließlich nachts erfolgen, wodurch günstiger Nachtstrom genutzt werden kann. Zudem können mit Außenluft gekühlte Verflüssiger während der Nachtstunden das Kältemittel durch die geringere Außenlufttemperatur bei niedrigerer Temperatur verflüssigen. Dadurch sinkt der Energieverbrauch der Kälteanlage – pro 1 K niedrigerer Verflüssigungstemperatur um ca. 3 %.

Ökologische Vorteile

Traditionelle Kältemaschinen nutzen das Prinzip der Verdampfung zur Kälteerzeugung. Die Verdampfungswärme wird dabei dem zu kühlenden Raum oder dem Produkt entzogen. Viele der eingesetzten Kältemittel haben negative Auswirkungen auf die Umwelt. In erster Linie ist dies das hohe Treibhauspotenzial der synthetischen Stoffe auf Fluor-Kohlenwasserstoff-Basis (HFKW). Deshalb sind derartige Stoffe zum Beispiel in Dänemark seit dem 1. Januar 2007 für neue Kälteanlagen verboten und unterliegen in Deutschland der Chemikalien-Klimaschutz-Verordnung mit ihren sehr niedrigen Kältemittelverlustraten und häufigen Leckagekontrollen.

Eine Philosophie für neue Kältemittel zielt darauf ab, nur solche Stoffe zu verwenden, die schon seit Jahrmillionen im Kreislauf der Natur vor­kommen. Ammoniak, Kohlendioxid und Propan sind solche Stoffe, mit bekannten Auswirkungen auf Mensch und Natur und mit überwiegend sehr niedrigen Treibhauspotenzialen. Leider haben diese Stoffe andere Nachteile; so ist Ammoniak giftig, Propan brennbar und Kohlendioxid benötigt sehr hohe Arbeitsdrücke. Um giftige oder brennbare Stoffe auch für Anwendungen mit Publikumsverkehr, z.B. im Krankenhaus oder Supermarkt, einsetzen zu können, verwendet man Kälteträger. Die Kältemaschine mit dem verdampfenden, ­giftigen oder brennbaren Stoff wird in einem ­abgeschotteten Maschinenraum untergebracht und die Kälte wird mit einem anderen Stoff ­transportiert. Traditionell werden Wasser oder ein Wasser-Glykol-Gemisch bei Temperaturen unter 0 °C eingesetzt.

Gegenüber Kälteanlagen mit dem ursprünglich eingesetzten verdampfenden Kältemittel erfordern Anlagen mit einem Kälteträger deutlich größere Rohrleitungsquerschnitte und einen geringfügig höheren Energieverbrauch. Ein Ausweg aus dem Dilemma stellt die Verwendung von schmelzendem Flüssigeis dar. Die erforderliche tiefere Verdampfungstemperatur in der primären Kälteanlage zur Flüssigeis-Erzeugung lässt sich durch die Möglichkeit der vom Kältebedarf entkoppelbaren Flüssigeis-Erzeugung zumindest teilweise kompensieren.

Flüssigeis als Kältemittel

Flüssigeis lässt sich in vielen Fällen genauso einsetzen wie direkt verdampfendes Kältemittel. Es können die gleichen Wärmeübertrager eingesetzt werden. Die Rohrleitungsquerschnitte sind ähnlich denen von direkt verdampfenden Kälteanlagen, jedoch entfallen bei Flüssigeisanlagen die Expansionsventile. Bild 4 zeigt die mit bestimmten Rohrleitungsquerschnitten transportierbaren Kälteleistungen. Zu achten ist bei Flüssigeis-Anlagen auf eine Mindestströmungs-Geschwindigkeit des Flüssigeises, um ein Aufschwimmen und damit Separieren der Eispartikel zu verhindern.

In Speicherbehältern werden Eiskonzentrationen bis zu 60 % gefahren. Berechnungen haben gezeigt, dass zur Nutzung der Vorteile von Flüssig­eis die optimale Eiskonzentration in Rohrleitungen – wegen der mit steigender Eiskonzentration wachsenden Viskosität und der damit verbundenen Erhöhung der notwendigen Pumpenleistung – bei ca. 20 % liegt.

Einsatzmöglichkeiten

Einer der größten Einsatzbereiche für Flüssig­eis ist die Direktkontaktkühlung von frisch gefangenen Fischen. Dazu werden an Bord der Fischereifahrzeuge häufig komplette Flüssigeisanlagen installiert. Aus dem das Schiff umgebenden Meerwasser wird Flüssigeis bei circa –2 °C hergestellt. Der gefangene Fisch wird in großen Tanks mit Flüssigeis gekühlt oder direkt an Bord zusammen mit Flüssigeis in Verkaufskisten gefüllt. Das Flüssig­eis hat dabei Eisgehalte von bis zu 60 %. Durch die kleinen Eispartikel wird der Fisch deutlich schneller gekühlt als mit herkömmlichem Scherbeneis. Außerdem bleibt die Haut der Fische unverletzt. Mit Flüssigeis gekühlte Fische erzielen deshalb bis zu doppelt so hohe Verkaufspreise wie herkömmlich mit scharfkantigem Scherbeneis gekühlte Fische.

Die weltweit größte Dichte von FlüssigeisAnlagen an Land dürfte sich in Japan befinden. Hier wird Flüssigeis überwiegend zur Kältespeicherung und damit zur Vermeidung von Kühllastspitzen am Tage eingesetzt. In vielen Anlagen wird das Flüssig­eis als reines Speichermedium verwendet und die Kälteversorgung im Gebäude erfolgt weiterhin mit traditionellen Medien wie Kaltwasser oder verdampfendem Kältemittel. Es gibt daneben jedoch auch Anlagen, bei denen das Flüssigeis direkt durch die entsprechenden Wärmeübertrager gepumpt wird. So kühlt Flüssigeis zum Beispiel ein Kühllager und auch das Bürogebäude eines ­bekannten Spielsoftwareherstellers. Energetisch sinnvoll ist der Einsatz von Flüssigeis aber nur dort, wo entsprechend kalte Lufttemperaturen wirklich benötigt werden, zum Beispiel im Kühllager. Jedoch können auch bei der Klimatisierung entsprechend angepasste Luftsysteme mit deutlich niedrigeren Zulufttemperaturen gefahren werden und so neben einer energetischen Optimierung auch eine Bauraum-Optimierung ermöglichen.

In Deutschland gibt es bisher erst relativ wenige Flüssigeis-Anlagen. So werden zum Beispiel bei der Jura-Fleisch Versandschlächterei seit 1998 die Lagerräume mit Flüssigeis gekühlt [1]. Auch bei den Hermannsdorfer Landwerkstätten wird seit dem Jahr 2000 mit Flüssigeis gekühlt [2]. Als erste Brauerei Deutschlands ging im Jahr 2000 das Allgäuer Brauhaus mit Flüssigeis in Betrieb. Hier wurden die ursprünglich vorhandenen 6700 kg Ammoniak auf 5000 kg gesenkt. In einer zweiten Ausbaustufe sollte die Füllmenge dann nochmals um weitere 4300 kg gesenkt werden [4]. Doch bevor es dazu kam, machte eine Ammoniak-Leckage einen Strich durch die Rechnung. Inzwischen steht die Flüssigeis-Anlage bei der Zipf Brauerei in Salzburg. Hier konnte die Ammoniak-Füllmenge von 3000 kg auf 500 kg minimiert werden. Gleichzeitig wurde aufgrund der Kältespeicherung in einem 110-m 3 -Flüssigeistank die installierte Kälteleistung von 1350 auf 670 kW reduziert.

Neben diesen „normalen“ Kälteanwendungen gibt es auch noch eher ungewöhnliche Anwendungen von Flüssigeis. So forschen zum Beispiel bereits seit über zehn Jahren Forscher des Argonne National Laboratory, USA, am Einsatz von Flüssig­eis in der Medizintechnik. Geforscht wird an der Kühlung mittels Flüssigeis von Transplantaten, an der Kühlung des menschlichen Gehirns bei Schlaganfällen sowie an der Kühlung von inneren Organen bei Operationen [5].

Neue Flüssigeis-Anwendungen

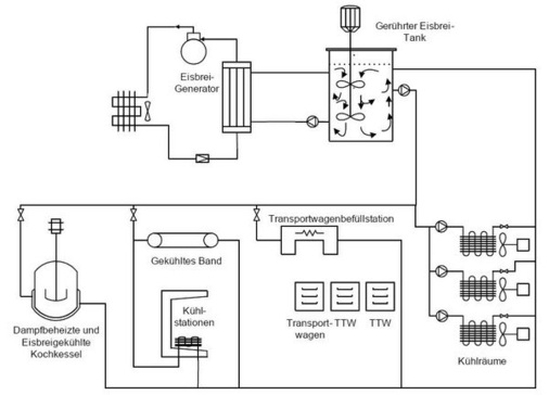
Das 2007 neu erbaute Bildungs- und Versorgungszentrum des Klinikums Stuttgart setzt erstmals für die Speisenkühlung in der gesamten Cook-and-Chill-Prozesskette ausschließlich Flüssigeis ein: Von Rückkühlkesseln (in denen Speisen gekocht und anschließend schnell heruntergekühlt werden) und Kühlräumen bis hin zu Portionierstationen und dem Speisentransport in Tablett-Transportwagen, siehe Bild 5.

In die Zentralküche wurden rund 20 Mio. Euro investiert, inklusive Technik und Logistik. Das ­Küchenteam versorgt die fünf zum Klinikum ge­hörenden Krankenhäuser und auch städtische Kinder-Tageseinrichtungen sowie eine private ­Klinik mit insgesamt mehr als 9800 Essen pro Tag.

Das eingesetzte Flüssigeis hat einen Ethanolanteil von rund 5 %, dadurch liegt seine Schmelz- und damit Arbeitstemperatur zwischen –2 und –3 °C. Dies ist die ideale Temperatur als Kältequelle, um Lebensmittel auf einem Temperaturniveau zwischen +2 und +4 °C leistungsstark und gleichzeitig schonend zu kühlen bzw. kühl zu halten. Der lückenlose Einsatz des umweltfreundlichen und ungefährlichen Kälteträgers Flüssigeis wird erst durch die rund 130 netzunabhängig kühlenden Tablett-Transportwagen aus dem Speisenverteilsystem Blanco-Ice möglich (Bild 6). Zusammen mit Induktions-Andockstationen und -wagen von Blanco CS sorgen sie für den zuverlässig gekühlten Transport und die Regeneration der Speisen.

Kilometerlange unterirdische Versorgungstunnel verbinden die Zentralküche mit dem benachbarten Katharinen-Hospital. Die Tablett-Transportwagen gelangen im Zugbetrieb durch die Tunnel auf Station. Weiter entfernte Häuser werden per LKW mit Speisen versorgt.

Arbeitsablauf 1)

1. Speisen-Produktion

Die Produktion der Speisen erfolgt im Cook-and-Chill-Verfahren, d.h. warme Speisen werden nach der Zubereitung schnell abgekühlt, um sie ohne Qualitätsverlust einige Zeit lagern zu können. Die großen Kochkessel werden für die Zubereitung der Speisen mit Dampf beheizt. Sobald die Speisen fertig sind, ersetzt Flüssigeis den Dampf im Mantelraum und kühlt die Speisen in sehr kurzer Zeit auf unter +10 °C ab. Unterstützt wird der Abkühlvorgang durch die Flüssigeiskühlung des Rührwerks.

Speisen, die nicht in den großen Rührkesseln hergestellt werden, kommen auf speziellen Transportwagen in Schnellkühlräume. In diesen wird die Luft mit Flüssigeis effektiv abgekühlt. Der Wärmeübergangskoeffizient des schmelzenden Flüssigeises ist dabei genauso hoch wie der von verdampfendem Kältemittel.

2. Lagerung

Neben den Schnellkühlern und Rückkühlkesseln werden auch die Kühlräume über ein Pumpensystem mit Flüssigeis aus dem Prozesstank gekühlt. So wird der Einsatz des primären Kältemittels auf den eigentlichen Maschinenraum beschränkt. Das weitverzweigte Rohrnetz, das bei Systemen mit Direktverdampfung meist einen großen Anteil an den Kältemittel-Leckagen hat, wird hier nur von Flüssig­eis durchflossen. Kältemittel-Leckagen werden so minimiert.

Das im Vergleich zu herkömmlichen Kälteträgern wie Sole (–12/–6 °C) bzw. Kältemittel (Verdampfungstemperatur –10 °C) mit rund –3 °C relativ warme Flüssigeis führt zu einer geringeren Vereisungsneigung der Luftkühler. Entsprechend muss für die Abtauung weniger bis keine Zusatzenergie aufgebracht werden. Die höhere Kühlertemperatur sorgt zudem für eine höhere Luftfeuchtigkeit im Kühlraum. Dies reduziert die sonst übliche Austrocknung der eingelagerten Lebensmittel erheblich und wirkt sich somit positiv auf die Lebensmittelqualität aus.

3) Portionierung

Im Bildungs- und Versorgungszentrum des Klinikums Stuttgart setzt man auf die Philosophie, nicht den gesamten Portionierbereich – sprich auch das Personal – zu kühlen, sondern nur die zu ­portionierenden Speisen und das dazugehörende Equipment. Hierfür werden spezielle durch ­Flüssigeis umluftgekühlte Speisenausgabesta­tionen eingesetzt.

Das Speisenverteilsystem Blanco-Ice ermöglicht auch, während der Portionierung die Speisen in Regalwagen per Umluft HACCP-gerecht kalt zu halten (indirekte Flüssigeis-Kühlung der Regalwagen). Das Geschirr wird in speziellen Spendern gekühlt, die zu diesem Zweck an Zentralkühlstationen angedockt werden können. Für den Transport der portionierten Speisen bis zum Tablett-Transportwagen gibt es von Blanco CS umluftgekühlte Speisentransportbänder, um die Kühlkette während der Portionierung zu 100 % aufrechtzuerhalten.

4) Tablett-Transportwagen

Der Transport der gekühlten Speisen erfolgt netz­unabhängig mithilfe von Tablett-Transportwagen (TTW) aus dem Speisenverteilsystem Blanco-Ice. Sie verfügen über integrierte Tanks zur Aufnahme von Flüssigeis (Bild 6, links). Dadurch können diese TTW die Speisen bis zu 12 h gleichmäßig und HACCP-gerecht kalt halten. Am Bestimmungsort übernehmen Induktions-Andockstationen und -wagen die Regeneration der Speisen.

Vor ihrem Einsatz werden die TTW im Waschtunnel gereinigt. Die Befüllung mit frischem Flüssig­eis erfolgt anschließend automatisch an einer Befüllstation (Bild 6, rechts) und dauert je nach geplanter Kühldauer etwa 4 min. In der Befüllstation kühlen Gebläse den Innenraum der TTW ab, während die integrierten Tanks mit Flüssigeis befüllt werden (Bild 7). Gleichzeitig wird das zuvor abgeschmolzene Fluid aus dem Wagen dem Flüssigeis-Kreislauf erneut zugeführt. Im Flüssigeis-Erzeuger wird aus dem Fluid wieder Flüssigeis.

Die Tanks der TTW enthalten nach dem Befüllvorgang bis zu 40 % Eis und stellen so die stundenlange Kühlung sicher. Die Kühlung der Transportwagen mit Flüssigeis erfordert keinerlei integrierte Elektronik oder externe Stromzufuhr. Technisch bedingte Störungen sind daher in diesem Bereich auszuschließen. Für den Einsatz im Klinikbereich ist es ein weiterer Vorteil, dass der Kühlvorgang völlig geräuschlos stattfindet. Außerdem entsteht bei der Kühlung mit Flüssigeis keine Abwärme. Das spart bauseitige Investitionen in zusätzliche Abluftanlagen.

5) Speisen-Regeneration

Für die Regeneration der Speisen kommen im Bildungs- und Versorgungszentrum des Klinikums Stuttgart 63 Induktions-Andockstationen von Blanco CS zum Einsatz. Nach dem Speisentransport werden die Tablett-Transportwagen an die ­Induktionsstationen angedockt und weiter kühl gehalten. Ist der Zeitpunkt der Regeneration gekommen, erwärmen die Andockstationen per ­Induktionstechnik die zu erwärmenden Speisen, Salate und Desserts bleiben weiter gekühlt.

Nach dem Rücktransport werden die geleerten Tablett-Transportwagen im Waschtunnel gereinigt und dann wieder zur Befüllstation gebracht. Der Kühlkreislauf beginnt von neuem.

Zusammenfassung

Flüssigeis ist ein umweltfreundlicher Kälteträger mit hoher Effizienz. Die Anzahl der Flüssigeisanlagen weltweit steigt stetig an. Flüssigeis findet bisher hauptsächlich Anwendung in der Fischkühlung sowie in Kühllagern, Klimaanlagen, Brauereien, Großküchen und Transportwagen. Mit herkömmlichen Kältesystemen wird Energie tagsüber während der Produktion oder des Transports verbraucht. Mit der Flüssigeis-Technologie kann das Eis zeitversetzt vom Verbrauch erzeugt werden. Das hat zwei Vorteile: Ökonomisch kann man von den kostengünstigen Niedertarif-Zeiten profitieren. Gleichzeitig ist es ökologisch sinnvoll, Flüssigeis während der niedrigeren Umgebungstemperaturen in der Nacht herzustellen.

Der Flüssigeis-Kreislauf ist in sich geschlossen. Es entstehen keine umweltbelastenden Abfallprodukte oder Schadstoffe. Zusätzliche Sicherheitsinstallationen und Kältemittel-Leckagesensoren entfallen. Durch die Möglichkeit der Bevorratung von Flüssigeis im Prozesstank funk­tioniert die Kühlung auch dann weiter, wenn die Kältemaschine abgeschaltet werden muss (z.B. bei Wartungsarbeiten), wodurch man eine hohe Betriebssicherheit erreicht.

Mit dem Speisenverteilsystem Blanco-Ice ist es erstmals möglich, Flüssigeis als durchgängiges Kältemedium für HACCP-gerechte Produktion, Beförderung und Zwischenlagerung von Speisen im Cook-and-Chill-Verfahren einzusetzen.

Literatur

[1] Schmidt, H.G.: Binäreis hält Jura-Fleisch „edel“. Stuttgart: Gentner Verlag, Die Kälte & Klimatechnik 7-1999

[2] Schmidt, H.G.: NH3 und Binäreistechnologie für die Hermannsdorfer Landwerkstätten. Stuttgart: Gentner Verlag, Die Kälte & Klimatechnik 6-2000

[3] Kauffeld, M., Kawaji M., Egolf P.W.: Handbook on Ice Slurries – Fundamentals and Engineering, IIF/IIR. Paris, 2005

[4] Kaiser, M.: Highlight der 6. Lindauer Brautagung: Erste ­Binäreis-Anlage im Brauereieinsatz. Stuttgart: Gentner Verlag, Die Kälte & Klimatechnik 3-2000

[5] Kasza, K.; Wu, Y.; Heine, J.; Sheradon, D.; Lake, S.: Development of Ice Slurry Phase-Change Coolants for Industrial and Medical Applications. Karlsruhe: Proc. of the 8th IIR Conference on Phase Change Materials and Slurries for Refrigeration and Air Conditioning, 2009

1) im Bildungs- und Versorgungszentrum des Klinikums Stuttgart

Michael Kauffeld

Prof. Dr.-Ing. habil., lehrt an der Hochschule Karlsruhe – Technik und Wirtschaft in der Fakultät für Maschinenbau und Mechatronik auf dem Gebiet der Kältetechnik und Thermo­dynamik. Eines seiner Forschungsgebiete am ­Institut für Kälte-, Klima- und Umwelttechnik ist die Erzeugung und Verwendung von Flüssigeis, Telefon (0721)9251843, michael.kauffeld@hs-karlsruhe.de

Peter Wirth

Dipl.-Ing., arbeitet in der Entwicklungsabteilung bei Blanco CS, Oberderdingen und ist dort als Projektleiter verantwortlich für Entwicklungen im Bereich Kältetechnik. Telefon (0 70 45) 44 816 79, peter.wirth@blanco.de , http://www.blanco.de

Uwe Kammer

staatl. gepr. Betriebswirt, arbeitet im Vertrieb Blanco CS, Oberderdingen, und ist Key Account Manager Speiseverteilsysteme und Betreuer Großprojekte Blanco Ice. Telefon (01 72) 6 23 84 40, uwe.kammer@blanco.de , http://www.blanco.de