Springe auf Hauptinhalt Springe auf Hauptmenü Springe auf SiteSearch
Klimatisierungskosten senken

Freikühlung auch zum einfachen Nachrüsten

Kompakt informieren

  • Der Bedarf an Kühlung und Klimatisierung, insbesondere für Zweckgebäude, wird künftig deutlich steigen.
  • Bei steigenden Energiepreisen stehen aus Nutzersicht insbesondere die Betriebskosten sowie der Wartungs- und Unterhaltungsaufwand der Anlagen im Fokus.
  • Frei kombinierbare, also auch bei vorhandenen Kaltwassersätzen nachrüstbare Freikühlmodule haben den Vorteil, dass sie neben der einfacheren Installation ohne Eingriff in den Kältekreislauf und der Inbetriebnahme ohne Eingriff in vorhandene Regelsysteme den Energieeinsatz zur Kühlung auf das notwendige Minimum reduzieren.

Die Aufteilung des Energieeinsatzes in Gebäuden verschiebt sich seit einigen Jahren spürbar: Durch stärker gedämmte Gebäudehüllen in Kombination mit dem architektonischen Trend zu Glasfassaden, steigende Komfortansprüche und auch durch die globale Erwärmung hat Klimatisierung aktuell bereits einen Anteil von gut 10 % am weltweiten Energieverbrauch – Tendenz steigend.

In Bürohäusern mit Glasfassaden übersteigt der Aufwand für Kühlenergie den für Heizenergie bereits um ein Vielfaches. Hinzu kommt, dass auch die inneren Wärmelasten gestiegen sind. Effizienzsteigerungen bei den Geräten wurden durch eine höhere Flächenbelegung und ein Mehr an Ausstattung überkompensiert. In Bürogebäuden tragen Arbeitshilfen und Bürogeräte 70 % zu den inneren Wärmelasten bei, die Nutzer haben einen Anteil von rund 20 % und die Beleuchtung von etwa 10 % (Quelle: Bayerisches Landesamt für Umwelt).

Entsprechend werden in Deutschland mittlerweile etwa die Hälfte der Büro- und Verwaltungsgebäude klimatisiert und der Klimatisierungsgrad wird schon durch den Wettbewerb weiter steigen – mit beträchtlichen Auswirkungen für die Umwelt: Die Ökodesign-Studie weist aus, dass die energiebedingten CO 2 -Emissionen aus Klimatisierung bis 2030 bei Nichtwohngebäuden ohne verbesserte Technik um etwa 25 % steigen werden (Quelle: Umweltbundesamt 2015).

Temperaturdifferenz maßgeblich

Die Wärmelasten allein über Kaltwassersätze abzuführen, ist vor diesem Hintergrund, aber auch aus wirtschaftlichen Gründen, nicht zielführend: Die in Deutschland zu berücksichtigenden Klimazonen sind auch künftig so gemäßigt, dass nur an wenigen Tagen im Jahr die volle aktive Kühllast abzuführen ist. Wesentlich häufiger sind die Tage mit einer Außentemperatur, an denen die Kühllast über Freikühlmodule abgefahren werden kann. Bei Kaltwassersätzen ist an diesen Tagen hingegen ein vergleichsweise hoher Energieeinsatz nötig, obwohl sich der Kühlbedarf nur im Teillastbereich bewegt.

Im Gegensatz zum Kaltwassersatz findet bei den Freikühlmodulen keine vom Kompressor / Verdichter angetriebene (also energieintensive) Abkühlung des Wärmeübertragermediums statt, sondern die im Rücklauf enthaltene Wärme wird über einen Luft/Wasser-Wärmeübertrager und Ventilatoren an die Außenluft abgegeben.

Konstruktionsprinzip entscheidend

Wie energiesparend die Variante der Freien Kühlung – „frei“ im Sinne von „kostenlos“ – in der Praxis aber tatsächlich ist, hängt maßgeblich von der Kombination aus Kaltwassersatz und dem Freikühlmodul bzw. der -funktion ab. Bei Kompakt-Einheiten mit integrierter Freikühlfunktion wird der mit der Wärmeenergie aufgeladene Rücklauf in aller Regel über die komplette Einheit aus Freikühler und Kompressor / Verflüssiger geleitet.

Insbesondere in den klimatischen Übergangszeiten Frühjahr und Herbst, also während der überwiegenden Betriebszeit in mitteleuropäischen Breiten, müssen dann der Freikühler und der Kaltwassersatz mit den zugehörigen Ventilatoren betrieben werden. Selbst bei angepassten Drehzahlregelungen ergibt sich so immer eine gewisse Energieaufnahme. In der Gesamtbilanzierung müssen zudem die höheren Druckverluste aufgrund der Medienführung über das Freikühlregister und den Verflüssiger, selbst wenn keine Freikühlung gefahren wird, bilanziert werden. Zudem ist die Regelung der Kälteerzeugung im Teillastbetrieb aufwendiger.

Der vordergründig einfacheren Installation der Kompakt-Einheit (nur ein Gerät, nur ein VL/RL-Anschluss, nur eine Steuerung) stehen in der Nutzungsphase also wesentlich höhere Betriebskosten gegenüber.

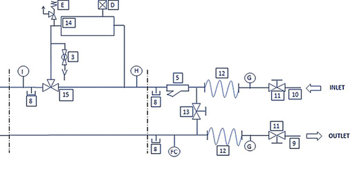
In der ganzheitlichen Betrachtung von Anlagentechnik (Stichwort: Lebenszykluskosten) setzen sich daher zunehmend Anlagen durch, die bedarfsgerecht aus einem Kaltwassersatz und einem Freikühlmodul kombiniert werden. In diesem Fall wird der Freikühler als Vorkühl-Stufe sehr einfach in den Rücklauf des Wärmeträgermediums vor dem Kaltwassersatz integriert. Das ist auch nachträglich ohne einen Eingriff in die bestehende Kältetechnik und ihre Regelkreise möglich. Die ebenfalls unabhängige Steuerung erfolgt dann über ein Dreiwege-Ventil im Freikühlmodul:

  • bei „OAT (Umgebungstemperatur) > RWT (RL-Temperatur)“ wird die gesamte Kühlleistung vom Kaltwassersatz erbracht, das ist beispielsweise an heißen Sommertagen der Fall
  • bei „OAT < RWT“ wird die Kühlleistung über das Dreiwege-Ventil automatisch zwischen freier Kühlung und Kaltwassersatz gesplittet, das ist an warmen Tagen, beispielsweise im Früh- oder Spätsommer, der Fall
  • bei „OAT < LWT (Vorlauftemperatur) – 2 K“ kann die Kühlleistung komplett durch die freie Kühlung erbracht werden

Die Energie- und damit die Kosteneinsparung, die sich daraus ergibt, liegt bei etwa 30 %, wie ein Berechnungsbeispiel für die Region Freiburg zeigt. Unter den Rahmenbedingungen

  • Kältebedarf 350 kW,
  • Umgebungstemperatur im Auslegungsfall: 35 °C,
  • VL/RL-Temperatur 10 / 16 °C (Auslegungsfall,
  • Glykolanteil 30 % und
  • Energiekosten von 0,12 Euro/kWh

ergibt sich ein Energieverbrauch von

  • 753 572 kWh/a bei einem Kaltwassersatz ohne freie Kühlung
  • 503 107 kWh/a bei einem Kaltwassersatz mit freier Kühlung

Das entspricht einer Kostenersparnis von gut 30 000 Euro/a. Die CO 2 -Emissionen sinken um 73 t/a (von 219 auf 146 t/a).

Ventilatoren drehzahl-gesteuert

Erzielt werden diese Einsparungen zum einen über die vergleichsweise einfache Führung des Wärmeträgermediums im Bedarfsfall ausschließlich über das Freikühlmodul, zum anderen über die lastabhängige Drehzahlsteuerung der Ventilatoren: Während das Dreiwege-Ventil in Abhängigkeit von der Außentemperatur steuert, wird die Drehzahl der Ventilatoren unmittelbar über einen Temperaturfühler im Wasserkreislauf beeinflusst. Je höher die Wassertemperatur, umso höher ist im Freikühlmodus die Drehzahl – demnach auch die Stromaufnahme. Sinkt die Wassertemperatur, erfolgt automatisch eine stromsparende Anpassung. Das gleiche geschieht bei einer für die Freikühlung zu hohen Rücklauftemperatur. Dann schaltet das Dreiwege-Ventil den Volumenstrom komplett auf den Kaltwassersatz und die Ventilator-Drehzahl reduziert sich entsprechend bzw. die Ventilatoren schalten ab.

Der gesamte Regelkreis vollzieht also gewissermaßen permanent eine energetische Selbstoptimierung, die unmittelbar und ausschließlich von den zentralen Einflussgrößen Kühllast und Umgebungstemperatur abhängt und daher besonders effizient ist.

Die vergleichsweise einfache Ansteuerung des Dreiwege-Ventils und der Ventilatoren unterstützt zusätzlich die wirtschaftliche Installation der auch mit bestehenden Anlagen frei kombinierbaren Freikühlmodule.

Wichtig für TGA-Planer, Anlagenbauer und Bauherren

TGA-Planer: Separate Freikühlmodule zur Kombination mit einem Kaltwassersatz lassen sich auch flexibel in bestehende Systemumgebungen ohne Risiken für die Betriebssicherheit integrieren.

Anlagenbauer: Durch die hydraulische Integration von Freikühlmodulen ist kein Eingriff in den Kältekreislauf oder die Regelung bestehender Kaltwassersätze erforderlich. Die Regelung des Freikühlmoduls kann vollständig autark erfolgen.

Bauherren: Über Freikühlung lassen sich erhebliche Energieeinsparpotenziale bei der Kälteerzeugung erschließen, insbesondere wenn ein Kühlbedarf bereits bei milden Außentemperaturen vorliegt, was insbesondere in Zweckgebäuden mit hohen inneren Wärmelasten der Fall ist.

Thomas Kerner

ist Produktmanager für den Technischen Vertrieb Kältesysteme bei der Systemair GmbH, 97944 Boxberg-Windischbuch, www.systemair.de