Springe auf Hauptinhalt Springe auf Hauptmenü Springe auf SiteSearch
Energetische Gebäudemodernisierung

10-kW-Wärmepumpe für ein 4-Familienhaus

Kompakt informieren

  • Für die energetische Modernisierung eines 4-Familienhauses haben die Architektin und der SHK-Unternehmer – beide Energieberater – ein ganzheitliches Konzept aus dämm- und anlagentechnischen Maßnahmen entwickelt.
  • Durch die Verringerung der Heizlast konnte eine Luft/Wasser-Wärmepumpe eingesetzt werden, ohne die Wärmeverteilung zu erneuern.
  • Die thermische Solaranlage kann zur Trinkwasser­erwärmung und zur Heizungsunterstützung eingesetzt werden.
  • Der Primärenergiebedarf konnte um rund 75 % gesenkt werden, die CO2-Emissionen wurden um 86 % verringert.

Mehrfamilienhäuser, vor allem der Altersklassen 6 und 7 (1950 bis 1964 bzw. 1965 bis 1976; siehe Info-Kasten), aber auch der Altersklasse 5 (1934 bis 1949) dominieren bezogen auf die Nutzfläche den Wohnge­bäudebestand. Gesamtgesellschaftlich – und für die Wohnungswirtschaft – nehmen sie damit ökonomisch wie ökologisch eine be­stimmende Rolle ein: Ökonomisch, weil sie in hoch verdichteten und auch in bevölkerungsschwachen Regionen die wirtschaftliche Zukunft der Immobilienunternehmen beeinflussen oder sogar entscheiden. Ökologisch, weil in diesen Bestandsobjekten aufgrund der eher einfachen Bausubstanz und des hohen Sanierungsbedarfs noch erhebliches Energieeinsparpotenzial existiert.

Ganz so einfach zu heben ist dieses Poten­zial aber nicht, wenn man gleichzeitig den Aspekt der Nachhaltigkeit berücksichtigt, sagt die Kölner Architektin und zertifizierte Energieberaterin Dipl.-Ing. Eva Fahrig: „Die Qualität der Bausubstanz hat sich gerade in den Jahrzehnten von 1930 bis 1970 stark gewandelt. Deswegen muss der Baukörper eines zu sanierenden Objekts immer ganzheitlich betrachtet werden, um eine individuell passende Lösung zu entwickeln. Bei vermeintlich universellen Ansätzen hingegen verlagern sich die Probleme nur, so zum Beispiel vom hohen Energiebedarf vorher zu Schwierigkeiten mit der Bauphysik nachher.“

Bestätigt wird diese Einschätzung durch Marc Schmitz, Handwerksmeister, Energieberater und enger Kooperationspartner von Fahrig, wenn alte Geschossbauten saniert werden müssen: „Die Dämmung des Dachs oder der Fassade, der Austausch sämtlicher Fenster oder der schnell wirksame Ersatz veralteter Haustechnik durch energiesparende Heizungsanlagen – das alles sind gute und richtige Ansätze, deren Einzelbetrachtung Bauherren jedoch schnell überfordert. Stellt man aber als Energieberater ein Gesamtkonzept auf, ergibt sich eine ganzheitliche Lösung, die den wirtschaftlichen Ansprüchen genauso standhält, wie den ökologischen. Das bietet Sicherheit und kostet nur einen geringen einstelligen Prozentsatz der Bausumme.“

Nur mit ganzheitlichem Konzept

Beispielhaft dafür steht das Mehrfamilienhaus in der Kölner Löwenburgstraße Abb. 1 , für dessen energetische Sanierung Fahrig und Schmitz ein solches, ganzheitliches Konzept erarbeitet haben. Fahrig war „nur die Dämmung der Gebäudehülle“ zu wenig: „Ein Wärmedämmverbundsystem ist architektonisch und ökologisch immer differenziert zu betrachten. Aber ohne geht es auch nicht. Also musste ein 16 cm starkes Wärmedämmverbundsystem genügen.“

Schmitz: „Der Austausch veralteter Heiztechnik, hier ein 50-kW-Öl-Heizkessel, amortisiert sich am schnellsten, bringt oft sofort 30 bis 40 % Energieeinsparung. Aber das ist nicht nachhaltig genug; ich möchte gleichzeitig auch immer einen geringeren Gesamtenergiebedarf für das Objekt und eine möglichst effiziente Wärmeverteilung.“ Also war auch für ihn die verbesserte Dämmung bis hin zu Fenstertausch und einem neuen Dach gesetzt, aber nicht ohne Austausch des Heizkessels und einen Hydraulischen Abgleich der vorhandenen Wärmeverteilung. Denn ohne Hydraulischen Abgleich und Anpassung der Heizungsregelung an den neuen Zustand, können die von einer energetischen Modernisierung erhofften Einsparungen nicht erreicht werden.

Aufgeschlossener Bauherr

Und der Hausbesitzer selbst? Der wollte den Investitionsrahmen von unter 200000 Euro eingehalten wissen, eine möglichst geringe Belastung der Mieter zum Beispiel durch den Heizungstausch mit Unterbrechung der Wärme- und Warmwasserversorgung, und eine belastbare Wirtschaftlichkeitsberechnung.

„Um diese Aufgabenstellung zu lösen, waren für uns die Aufgeschlossenheit und Technikaffinität des Hausbesitzers hilfreich“, schildert Schmitz. „Also konnten wir aus der ganzen Bandbreite des Machbaren über das Ausschlussverfahren arbeiten. Bei der Anlagentechnik war beispielsweise der reine Austausch der alten Öl-Heizung nicht weitreichend genug, für eine Gas-Brennwertheizung fehlte der Gas-Anschluss. Eine Erdwärmepumpe wiederum war nicht realistisch darstellbar, weil am Standort nur bis 40 m Tiefe gebohrt werden darf.“

Luft/Wasser-Wärmepumpe-Konzept

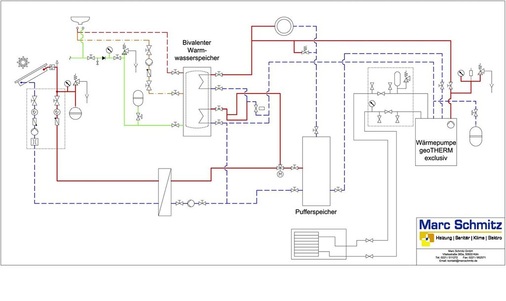
Der deutlich verringerte Heizwärmebedarf durch energetische Verbesserungen an der ­Gebäudehülle bot aber letztlich einen über­zeugenden Ausweg aus dieser Gemengelage: Eine Luft/Wasser-Wärmepumpe (geotherm VWL S) versorgt jetzt einen 500-l-Puffer­speicher, der primär für die Raumwärme zuständig ist. Dazu unterstützen vier thermische Solarkollektoren (aurotherm) über einen 500-l-Multifunktionsspeicher (allstor) die Trinkwassererwärmung Abb. 2 .

Die Wärmepumpe bedient in dieser Konfiguration zuerst den Pufferspeicher; die Solaranlage vorrangig den Multifunktionsspeicher. Reicht der Solarertrag für die Trinkwassererwärmung über diesen Speicher nicht aus und besteht gleichzeitig kein Heizwärmebedarf, lädt die Luft/Wasser-Wärmepumpe automatisch zuerst den Multifunktionsspeicher. Diese nicht alltägliche Schaltung, mit einer von Vaillant gelieferten Steuerung, garantiert Versorgungssicherheit und verhindert gleichzeitig ein Takten der Wärmepumpe. Über den Pufferspeicher ist eine Heizungsunterstützung (Rücklauftemperaturanhebung) möglich Abb. 3 .

Alte Verteilung neu eingestellt

Neu ausgelegt ist die Heizungsverteilung, bei der die vorhandenen Radiatoren und die Grundstruktur beibehalten worden sind, auf eine Vorlauftemperatur von 55 °C und an den ungünstigsten Heizkörpern mit einer Rücklauftemperatur von 40 °C. An den anderen Heizkörpern führt die Überdimensionierung für diese Temperaturpaarung durch den Hydraulischen Abgleich zu einer niedrigeren Rücklauftemperatur, sodass sich auch im Mittel im Nennlastfall eine niedrigere Rücklautemperatur einstellt. Schmitz: „Wie der Heizkessel waren auch die Radiatoren für die etwa 70 m 2 großen Wohnungen deutlich überdimensioniert. Nun helfen die großen Übertragungsflächen in Verbindung mit der speziellen Anlagenkombination, neuen Thermostatventilen und dem Hydraulischen Abgleich, die Heizlast mit einer Heizleistung der Wärmepumpe von knapp 10 kW hier am Standort Köln abzudecken.“

Was Schmitz auch mit Zahlen belegen kann: „Bei der Berechnung des tatsächlichen Energiebedarfs haben wir uns nicht nur auf Tabellenwerte verlassen, sondern den tatsächlichen Temperaturverlauf der vergangenen zehn Jahre zugrunde gelegt. Danach hat es an nur etwa 30 Tagen Temperaturen von –10 °C gegeben. Wir müssen also beim Heizwärmebedarf auch nicht mit größeren Sicherheiten rechnen.“ Und sollte wider Erwarten doch einmal eine Deckungslücke auftreten, verfügt der Multifunktionsspeicher noch über eine elektrische Heizpatrone mit 6 kW Leistung, die „aber wirklich nur für Notfälle ist“, wie Schmitz betont.

Notheizung als Übergangsheizung

Ein willkommener Nebeneffekt der Heizpatrone und der unveränderten Wärmeverteilung war, dass die Wärme- und Trinkwarmwasserversorgung für die Mieter auf den Zeitraum des Speicheraustauschs beschränkt werden konnte. Alle weiteren Arbeiten, wie die Demontage der alten Heizung, die Anbindung der Luft/Wasser-Wärmepumpe und der Solarkollektoren sowie das Einrichten der Steuerungstechnik folgten im Anschluss und von den Mietern nahezu unbemerkt.

„Nahezu unbemerkt“ – diese Beschreibung trifft nach gut einem Jahr Betrieb auch auf die im Garten aufgestellte Außeneinheit der Luft/Wasser-Wärmepumpe zu, die mit einem Abstand von etwa 10 m zum Gebäude platziert worden ist. Sie ist so geräuscharm, dass selbst der Freisitz daneben weiter genutzt werden kann. Und auch die Sicherheit für spielende Kinder und herumtollende Hunde ist gewährleistet: Die Wärmepumpe ist in Anlehnung an die DIN-Norm für Kinderspielplätze entwickelt worden.

Fazit

Wirtschaftlich sollte die grundlegende Sanierung des 4-Familien-Hauses sein, das war – neben allen technischen und ökologischen Vorgaben – eine wichtige Maßgröße des Bauherrn. Gekostet haben die Arbeiten letztlich über alles rund 190000 Euro; also weniger als 700 Eurom 2 Wohnfläche. Dafür steht jetzt in einer beliebten Kölner Wohnlage ein Objekt, das in jeder Hinsicht dem Vergleich mit Neubaustandards standhält.

Dass sich die Maßnahme in jedem Fall rechnet, liegt auch an der öffentlichen Förderung von Sanierungsmaßnahmen, die den üblichen Standard übertreffen. Diese konnte für etwa 15 % der Investitionssumme aus unterschiedlichen Töpfen – wie KfW-Mitteln, Investitions- und Tilgungszuschüssen etc. – in Anspruch ­genommen werden. Dieser Wert erhöht sich deutlich, wenn man von der Investitionssumme die „ohnehin“-Kosten abzieht. Also die Aufwendungen, die im Rahmen turnusmäßiger Unterhaltungsarbeiten für Dach-Neuein­deckung oder Fassadenanstrich sowie einen reinen Austausch der Heizungsanlage ohnehin angefallen wären. •

http://www.fahrig-architekten.de

https://www.marcschmitz.de/

https://www.vaillant.de/heizung/

Weitere Fachberichte zum Thema enthält das TGAdossier Wärmepumpe: Webcode 718

Wichtig für TGA/SHK-Planer, Anlagenbauer und Bauherren

TGA/SHK-Planer: Noch wichtiger als beim Neubau ist bei der energetischen Modernisierung bzw. bei der Erstellung eines Sanierungsfahrplans die Kombination von baulichen und anlagentechnischen ­Kompetenzen zu einem ganzheitlichen Konzept.

Anlagenbauer: Überdimensionierte Heizkörper und Dämmmaßnahmen ermöglichen es häufig, die Vorlauftemperatur ohne eine Erneuerung (aller) Heizkörper so weit abzusenken, dass mit einer Wärme­pumpe hohe Jahresarbeitszahlen erreicht werden. Voraussetzung ist ein Hydraulischer Abgleich auf Basis einer genauen Berechnung.

Bauherren: Bei einer objektiven Betrachtung einer energetischen Gebäudemodernisierung relativieren sich die Mehrkosten durch ohnehin anstehende Instandhaltungs- und Modernisierungsmaßnahmen.

Baualtersklassen

Im Rahmen eines Forschungsprojektes der Deutschen Bundesstiftung Umwelt wurde eine zehnstufige Altersklassifizierung für Bestandsbauten erstellt. Die Zeit der Altersklasse 5 (AK 5) von 1934 bis 1949 ist danach beispielsweise gekennzeichnet durch Mangelwirtschaft mit Ersatzrohstoffen, im Siedlungsbau werden nach den „Goldenen Zwanzigern“ einfache Fassaden stilprägend, und die handwerkliche Bauweise kehrt zurück. In der folgenden AK 6 (bis 1964) fällt die schlechte Bauqualität aufgrund der Baustoffknappheit nach dem Zweiten Weltkrieg auf; Wärmedämmung und Schallschutz sind im Wohnungsbau kaum zu finden. Das bessert sich auch kaum in den folgenden Jahrzehnten (AK 7; 1965 bis 1976). Diesmal ist aber vor allem der ­ungeheure Bedarf an Wohnraum während der ­Wirtschaftswunderzeit mit entsprechend kurzen Bauzeiten der Hintergrund. (Quelle: DBU)

Bautafel

4-Familien-Haus in Köln-Ehrenfeld

Wohnfläche: ca. 280 m 2

Investitionssumme: 190000 Euro

Anteil Förderung: ca. 15 %

Primärenergiebedarf alt: 216 kWh/(m 2 a)

Primärenergiebedarf neu: 58 kWh/(m 2 a)

CO 2 -Einsparung: 86 %

Dämmung

oberste Geschossdecke, Kellerdecke und 16 cm WDVS 035

Heiztechnik

Vaillant Luft/Wasser-Wärmepumpe geotherm VWL 101/3 S, Multifunktionsspeicher allstor VIH S 500, Pufferspeicher 500 l, Solaranlage mit Flachkollektoren aurotherm VFK

Akteure

Architektin: Dipl.-Ing. Eva Fahrig, Köln

Realisierung: Marc Schmitz GmbH, Köln

Dipl.-Kfm. Martin Schellhorn

ist freier Fachjournalist und ­Inhaber der Fachpresseagentur Kommunikations-Management Schellhorn in Haltern am See und Herne. Telefon (0 23 64) 10 81 99, info@die-agentur.sh , http://www.die-agentur.sh

Jetzt weiterlesen und profitieren.

+ TGA+E-ePaper-Ausgabe – jeden Monat neu
+ Kostenfreien Zugang zu unserem Online-Archiv
+ Fokus TGA: Sonderhefte (PDF)
+ Webinare und Veranstaltungen mit Rabatten
uvm.

Premium Mitgliedschaft

2 Monate kostenlos testen