Springe auf Hauptinhalt Springe auf Hauptmenü Springe auf SiteSearch
Luft/Wasser-Wärmepumpen

Wärmequelle Außenluft für großes Wohnobjekt

Am Rand der Kernstadt von Idstein entsteht auf insgesamt 27 ha das NassauViertel für Gewerbe und Wohngebäude. Drei Mehrfamilienhäuser wurden bereits erstellt, zwei weitere sind in Arbeit bzw. in Planung. Neben Ausführung und Gestaltung zeichnen sich die Neubauten insbesondere durch die unterschiedliche Art der Beheizung aus. So wird das erste Haus mit einem konventionellen Gas-Heizkessel versorgt, beim zweiten Gebäude wurde ein Pellet-Heizkessel eingebaut. Ein weiterer Neubau wird nach der Fertigstellung von einem Blockheizkraftwerk und einem Spitzenlastkessel mit Wärme versorgt.

Außergewöhnlich ist das Heizkonzept im dritten, bereits fertiggestellten Mehrfamilienhaus. Es basiert auf fünf Luft/Wasser-Wärmepumpen Buderus Logafix WPL 220 IR zur Innenaufstellung. Sie versorgen monoenergetisch die Fußbodenheizungen der Eigentumswohnungen mit Wohnflächen zwischen 50 und 100 m2 bis zu einer Außentemperatur von – 25 °C. Für rund 100 kW Heizleistung wurde eine reine Aufstellfläche von nur 8,4 m 2 benötigt. Den größten Teil des Aufstellraums belegt die Luftverteilung. Wegen des knappen Platzangebots wurden jeweils zwei Wärmepumpen übereinander installiert. Dazu ließ Heizungsfachmann Markus Weidenfeller von HEI-RO, Diez, eine Zwischenebene aus Stahl im Aufstellraum einziehen (Bild 2).

Weidenfeller hat die Wärmepumpen zwei Gebäudeabschnitten im insgesamt 2800 m 2 Wohnfläche zugeordnet. Drei Geräte versorgen den Nordflügel des Mehrfamilienhauses mit 1600 m 2 , zwei den Südflügel mit 1200 m 2 . Bevorratet wird das erwärmte Wasser in zwei 500-l-Pufferspeichern PSP 500 (Bild 3). Je drei Elektro-Heizstäbe mit einer Heizleistung von 7,5 kW unterstützen die Wärmepumpen an sehr kalten Tagen. Bei dieser monoenergetischen Betriebsweise empfiehlt es sich, dass die Wärmepumpe den Wärmebedarf bis zum Bivalenzpunkt bei etwa – 5 °C Außentemperatur vollständig decken. Erst bei niedrigeren Außentemperaturen und bei gleichzeitigem Bedarf wird die elektrische Zusatzheizung über die Regelung zugeschaltet. Bei dieser Auslegung deckt der Heizstab etwa 2 % des Wärmebedarfs gemäß DIN 4701-10 1) , über die Wärmepumpe wird ein Deckungsanteil von rund 98 % erreicht.

Aufstellung auf engstem Raum

Um Feuchtigkeitsschäden durch abtropfendes Kondensat zu verhindern, müssen bei innen ­aufgestellten Luft/Wasser-Wärmepumpen die Luft­kanäle gegen Tauwasserbildung auf der ­Außenseite isoliert werden. Dabei ist zu beachten, dass die Lufttemperatur im Fortluftkanal noch unter der im Außenluftkanal liegt. Für die Auslegung der Isolierstärke ist der Raumluft­zustand im Heizfall maßgeblich. Eine Aufstellung im Wohnbereich bzw. bei Anlagen für mehrere Nutzeinheiten im beheizten Bereich ist wegen der höheren Luftfeuchte deswegen nicht zu ­empfehlen. Je nach Umfang der Kanalführung ist auch zu bedenken, dass diese innerhalb der gedämmten Hülle eine nicht unerhebliche Verlustoberfläche darstellen würde, falls sie nicht auf das Niveau einer Außenwand gedämmt ­wird. Deshalb sind in der Regel unbeheizte Räume, wie Keller oder Garagen, für die Auf­stellung von Luft/Wasser-Wärmepumpen besser geeignet.

Die fünf Wärmepumpen im NassauViertel wurden in einem unbeheizten Aufstellraum neben der Garage installiert. Knifflig war dort eher die Anbringung der Kanäle und Regenschutzgitter, weil möglichst wenig Platz im Aufstellraum benötigt werden sollte. Eine weitere Herausforderung: Wie ordnet man fünf An- und Absaugkanäle an, ohne dass sich diese gegenseitig in der Luftversorgung beeinflussen? Jörg Schepp, Wärmepumpenspezialist von Buderus, gab hier den richtigen Tipp: Er empfahl unter anderem die Anordnung der Kanäle über Eck.

In Bild 5 sieht man die von außen an der Wand befestigten Regenschutzgitter. Sie wurden speziell für Wärmepumpen entwickelt und weisen einen deutlich geringen Luftwiderstand als in der Raumlufttechnik verwendete Wetterschutz­gitter auf. Die Regenschutzgitter können auf der Ansaug- als auch auf der Ausblasseite verwendet werden und verhindern auch das Ein­dringen von Laub.

Um eine Belästigung von Fußgängern zu ­vermeiden, ließ man sich in Idstein auch auf der Ausblasseite etwas Besonderes einfallen. Vier der fünf Wärmepumpen blasen die Luft nicht einfach ins Freie, sondern in einen speziellen ­Anbau mit großen Öffnungen (Bild 1). Davor ließ Weidenfeller Schotter auffüllen, damit anfallendes Kondensat ins Erdreich versickern kann. Das Schotterbett hat aber auch einen akustischen Vorteil: Es wirkt schalldämpfend. Die fünfte Wärmepumpe wurde so aufgestellt, dass ihre Luftführung über den offenen Innenhof vor der Garagenanlage erfolgt.

Regelung und Steuerung

Festzulegen waren auch die Regelung und die Synchronisation der fünf Wärmepumpen. Mehrere Geräte in einem System oder Gebäude kann man entweder durch eine übergeordnete Regelung (Kaskadensteuerung) oder durch Parallelschaltung steuern. Bei einer Kaskadensteuerung laufen die Informationen aus der gesamten Anlage in einer Steuerungseinheit zusammen. Um annähernd gleiche Laufzeiten der einzelnen Verdichter zu erreichen, aktiviert die Kaskadensteuerung abwechselnd die einzelnen Geräte je nach Bedarf und über mehrere Leistungsstufen.

Im NassauViertel verzichtete man auf eine übergeordnete Regelung und entschied sich für eine Parallelschaltung. Zuerst wurde das Gebäude in zwei unabhängige hydraulische Bereiche aufgeteilt; den Südteil versorgen zwei und den Nordteil drei Wärmepumpen. In beiden Fällen steht ein Pufferspeicher zur Verlängerung der Wärmepumpen-Laufzeit zur Verfügung.

Für den Nordteil des Gebäudes arbeiten alle drei Wärmepumpen unabhängig voneinander ­jeweils mit ihrer eigenen Regelung. Jede Wärmepumpe besitzt einen Außen- und einen Rücklauftemperaturfühler, die Heizungsanlagentemperatur ist abhängig von der Außentemperatur und der eingestellten Rücklauftemperatur. Logafix-Wärmepumpen werden über die Rücklauftemperatur geführt. Melden die zugehörigen Fühler der Wärmepumpenregelung eine Wärmeanforderung, wird zunächst ein Verdichter eingeschaltet. Bei Wärmepumpen mit zwei Verdichtern wie im ­NassauViertel wird die zweite Leistungsstufe zugeschaltet, wenn mindestens 25 min lang die Wärmeanforderung über den ersten Verdichter nicht gedeckt werden kann.

Bei der hier eingesetzten monoenergetischen Betriebsweise ist die Elektro-Zusatzheizung (drei elektrische Tauchheizkörper mit jeweils 7,5 kW im Pufferspeicher) als dritte Leistungsstufe definiert. Sie wird aktiviert, wenn beide ­Verdichter nach 60 min die Wärmeanforderung nicht decken können. Zusätzlich muss die Grenztemperatur, bei der die dritte Leistungsstufe zu­geschaltet werden kann, auch mindestens eine Stunde lang unterschritten worden sein. Beide Kriterien sind pro Jahr im Durchschnitt nur an ­wenigen Tagen bzw. Stunden gleichzeitig erfüllt (Bild 4).

Umgekehrt, also von der dritten zur zweiten und ersten Leistungsstufe, reagiert die Regelung schneller. Wenn die Wärmeanforderung 15 min lang unter der bisherigen liegt, schaltet das ­System auf die nächstkleinere Stufe zurück. Um annähernd gleiche Laufzeiten zu erreichen, werden die Verdichter abwechselnd zuerst an­gefordert.

Bei der Einstellung der gewünschten Rücklauftemperatur sollte man bei allen Wärmepumpen den gleichen Wert programmieren. So springen bei einer Wärmeanforderung alle Geräte etwa zum gleichen Zeitpunkt an. Programmiert man unterschiedlich hohe Rücklauftemperaturen, erhält man unterschiedliche lange Laufzeiten der Verdichter.

Pufferspeicher-Dimensionierung

Luft/Wasser-Wärmepumpen benötigen zur ­Sicherstellung des Abtaubetriebs einen Puffer­speicher. Buderus empfiehlt, diesen als Reihen­pufferspeicher einzubinden. Der Inhalt des Reihenpufferspeichers sollte bei Wärmepumpen mit zwei Verdichtern mit einem Volumen zwischen 8 und 30 % des stündlichen Heizwasserdurch­satzes bemessen werden. Pufferspeicher mit ­größerem Inhalt können dazu führen, dass der zweite Verdichter in Betrieb geht, obwohl dies gar nicht nötig ist. Besonders bei Anlagen mit Einzelraumregelung vergrößert ein Pufferspeicher das Volumen des Heizwassers und garantiert die ­Betriebssicherheit, auch wenn nur in einzelnen Räumen eine Wärmeanforderung vorliegt. Bei ­einem Parallelbetrieb von mehreren Wärme­pumpen sollte nur ein Puffer­speicher eingesetzt werden. Die Stutzen am ­Pufferspeicher müssen dann auf den Volumenstrom der gesamten Anlage ausgelegt sein.

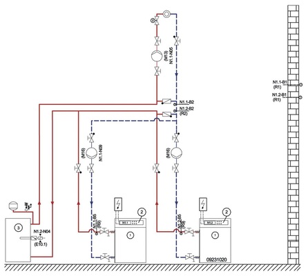
In der Hydraulik (Bild 6) befinden sich zwischen Vor- und Rücklauf zwei Verbindungen. ­Dieser doppelte Bypass sollte den gleichen ­Durchmesser wie Vor- und Rücklauf aufweisen und jeweils eine Rückschlagklappe besitzen. Der Bypass zum Heizkreis sorgt dafür, dass die Wärmepumpen während der Laufzeit immer den Mindestwasserumsatz fördern können – ­unabhängig von der momentanen Abnahme der Heizkreise.

Diese Art der Hydraulik setzt ­voraus, dass kein Überströmventil, sondern eine drehzahlgeregelte Heizkreispumpe im Vorlauf der Anlage und eine konstant geregelte ­Umwälzpumpe im Rücklauf (der Wärmepumpen) verwendet wird. Um die Laufzeiten der konstant geregelten Pumpen zu reduzieren, definiert man sie als Zusatz­umwälzpumpe. Dann ist sie nur in Betrieb, wenn gleichzeitig der oder die Ver­dichter laufen. Der Bypass zwischen den Wärmeversorgern gewährleistet in dieser Zeit den im Heizkreis erforderlichen Massenstrom.

Fazit

Die Wärmepumpenanlage im NassauViertel in Idstein ist ein gutes Beispiel, wie durch die enge Zusammenarbeit von Planer, Heizungsfachfirma und Systemanbieter individuelle Anforderungen in praxistaugliche Lösungen umgesetzt werden. Sie demonstriert zudem, dass auch Gebäude mit hohem Leistungsbedarf nicht auf moderne Heiz- und Warmwasserlösungen verzichten müssen, die dauerhaft niedrige Wärmeenergiekosten gewährleisten.

http://www.nassauviertel.de

1) DIN V 4701-10, Vornorm, Energetische Bewertung heiz- und raumlufttechnischer Anlagen – Teil 10: Heizung, Trinkwassererwärmung, Lüftung, August 2003, geändert durch DIN SPEC 4701-10/A1, Vornorm, Oktober 2009

NEU

Mehr Infos zum Thema im

TGA-Online-Dossier

Auf https://www.tga-fachplaner.de/ einfach Webcode 718 eingeben.

Hanko Völkel

ist Produktmanager Wärmepumpen Bosch Thermotechnik, Buderus Deutschland, Wetzlar, https://www.buderus.de/de