Lüftungsgeräte werden überwiegend mit einer einstufigen Wärmerückgewinnung in Form eines Kreuzstromwärmeübertragers, Rotationswärmeübertragers oder eines Kreislaufverbundsystems eingesetzt. Damit sind Wärmerückgewinnungsgrade bis ca. 75 % realisierbar. Nach der Wärmerückgewinnung wird die Zuluft im Winter meistens mit Pumpenwarmwasser bis zu ihrem Sollwert erwärmt bzw. im Sommer mit Pumpenkaltwasser gekühlt. Der hierfür benötigte Kälte- und Wärmebedarf wird vielfach von mehreren unabhängigen Systemen gedeckt.
Kompressionskältemaschinen erzeugen neben Kaltwasser aber auch gleichzeitig Wärme, die ohne Systemverbund ungenutzt an die Umgebung abgegeben werden muss. Parallel stellt eine separate Heizungsanlage Wärmeenergie bereit, die im Winterfall zur Nacherwärmung nach der Wärmerückgewinnung und im Sommerfall zum Wiederaufheizen nach einer Entfeuchtungsstufe dient. Dem etwas einfacheren Anlagenaufbau mit voneinander unabhängigen Systemen zur Wärme- und Kälteerzeugung stehen durch lange Stillstandzeiten im Jahresdurchschnitt enorme Kosten gegenüber. Dabei kann gerade auch im Heizfall mit einer Kältemaschine der Fortluft kostengünstig sehr viel Energie entzogen und der Zuluft zugeführt werden. Eine Wärmerückgewinnung von bis zu 100 % ist so möglich.
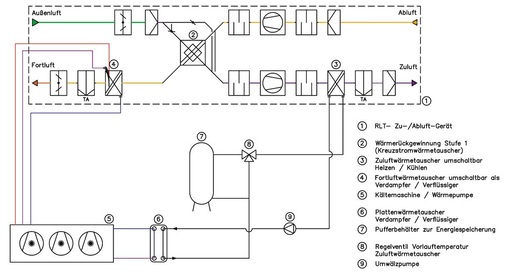
Konkret umgesetzt wird diese Technik mit einer Kältemaschine, ausgelegt für den Sommerbetriebsfall Kühlen , die im Heizfall als Wärmepumpe betrieben wird (Bild 1). Der warmen Abluft wird über einen Verdampfer Wärme entzogen und der Zuluft zugeführt bzw. in einem Energiespeicher gepuffert.
Die Wärmepumpe erreicht im Jahresdurchschnitt aufgrund der günstigen Temperaturniveaus einen mittleren COP von mehr als 6. Mit mehr als 6 kWh Wärme aus 1 kWh Strom kostet die Wärmeenergie so lediglich rund 2 ct/kWh. Konventionelle Wärmeerzeugungskosten liegen bei Heizöl- und Erdgas in einer Größenordnung von 5 ct/kWh. Die so eingesparten Energiekosten amortisieren die Mehrinvestition einer Wärmepumpenintegration in eine Raumlufttechnische Anlage abhängig vom Nutzungsfall und der -dauer häufig in weniger als drei Jahren. Noch kürzere Amortisationszeiten ergeben sich, wenn die nicht erforderliche konventionelle Heizungsinstallation angerechnet werden kann. Zusätzlich lassen sich gegenüber dem betrachteten Standardfall die CO 2 -Emissionen erheblich reduzieren.
Grundvoraussetzung für die Auslegung der Anlage, die Prognose von Energiekosten und die Berechnung von Lebenszykluskosten ist eine Energiemengensimulation der Anlage. Für die RLT-Anlage mit Wärmepumpe im Mainzer Landtag ist diese in den Bildern 3 und 4 dargestellt. Sie zeigen auf Basis der örtlichen Klimadaten die notwendige Heiz- bzw. Kühlleistung sowie den dazugehörigen Energieverbrauch in Abhängigkeit von der Außenlufttemperatur. Deutlich ist zu erkennen: Der größte Energieverbrauch entsteht, während die Außenlufttemperatur in einem Bereichen zwischen -1 und 17 °C liegt (Bild 3).
In diesem Temperaturbereich werden allerdings schon rund 50 % des Energiebedarfs durch die erste Wärmerückgewinnungsstufe (Kreuzstromwärmeübertrager) erbracht, den restlichen Energiebedarf deckt die zweite Wärmerückgewinnungsstufe (Wärmepumpe). Weiterhin ist aus Bild 4 abzulesen, dass der Anteil der benötigten Kühlenergie lediglich etwa 20 % des Jahresenergieverbrauchs beträgt.
Die Regelung für einen abgestimmten Betrieb des AL-KO AT 4 Lüftungsgeräts und der Apess -Wärmepumpentechnik wurde beim Projekt Mainzer Landtag bereits im Lüftungsgerät integriert (Bild 2). Solche steckerfertigen Systemlösungen reduziert den Schnittstellenaufwand und sind Grundbedingung, um einen funktionssicheren Betrieb mit minimalem Energieeinsatz zu gewährleisten.
Auf Basis der Apess-Wärmepumpentechnik lassen sich weitere Anwendungen erschließen. Beispielsweise sind parallel zum Lüftungsgerät die Versorgung einer Kühldecke oder einer Fußbodenheizung oder weiterer Lüftungsgeräte möglich. Besonders signifikante Energieeinsparungen lassen sich immer dann erzielen, wenn zeitgleich Wärme- und Kältebedarf zu decken sind. Durch die Wärme- und Kälteenergieverschiebung halbieren sich dabei die Energiekosten noch einmal.
Martin Törpe
Business Development, AL-KO Lufttechnik, Telefon (0 82 25) 3 92 95, Telefax (0 82 25) 3 95 52 95, E-Mail: martin.toerpe@al-ko.de, https://al-ko.com/events/demopark-2023/
 
     
     
     
     
     
     
     
     
     
     
    