Springe auf Hauptinhalt Springe auf Hauptmenü Springe auf SiteSearch
Schutz vor Fehlerströmen bei EC-Gleichstrommotoren

Richtige Auswahl von FI-Schutzschaltern

Kompakt informieren

  • Nur wenn die Planung und Ausführung FI-Schutzschalter des richtigen Typs berücksichtigt, wird Sicherheit für Menschen, Maschinen und Anlagen erreicht.
  • Bei reinen Wechselspannungsverbrauchern und EC-Geräten mit passiver Power Factor Correction erfüllen FI-Schutzschalter des Typs A mit einer Auslöseschwelle von 30 mA zuverlässig ihren Zweck.
  • Bei EC-Geräten mit aktiver Power Factor Correction als Boost Konverter können FI-Schutzschalter des Typs A einen Fehlerstrom nicht detektieren. Hier sind FI-Schutzschalter des Typs B einzusetzen.

Die Frage nach dem passenden FI-Schutzschalter stellt sich auch beim Einsatz von elektronisch kommutierten Gleichstrommotoren. Bei reinen Wechselspannungsverbrauchern und EC-Geräten mit passiver Power Factor Correction (PFC) erfüllen typischerweise im Haushaltsbereich eingesetzte FI-Schutzschalter des Typs A mit einer Auslöseschwelle von 30 mA zuverlässig ihren Zweck.

EC-Ventilatoren werden aber in vielen Fällen parallel betrieben und arbeiten dann oft mit aktiver PFC als Boost Konverter Abb. 1 (siehe Info-Kasten), um Rückwirkungen auf das Stromnetz zu vermeiden. FI-Schutzschalter des Typs A können hier einen Fehlerstrom nicht detektieren und der Stromkreis wird bei einem Fehlerstrom nicht abgeschaltet.

Unterschiede bei der PFC

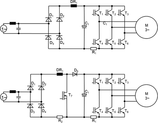
In der Elektrotechnik werden verschiedene Typen von FI-Schutzschaltern unterschieden Abb. 2. Die richtige Auswahl ist im Wesent-lichen von der Form eines eventuell auftretenden Fehlerstroms abhängig. Die Stromform im Fehlerfall ist wiederum abhängig von der Topologie der Kommutierungselektronik. Hierbei wird im Wesentlichen zwischen Motoren mit passiver Oberwellenkompensation oder mit aktiver PFC-Regelung unter-schieden Abb. 3.

Die passive PFC besteht lediglich aus einer Zwischenkreisdrossel; die Zwischenkreisspannung U ZWK , die über dem Konden-sator C 1 anliegt, hat einen Wert von U C1  = 2  U ac,rms . Mit einer Elektronik, die einen aktiven PFC als Boost-Konverter integriert hat, kann die Spannung über dem Konden-sator C 1 auf Werte von U ZWK  > 2  U ac,rms eingestellt werden. Typische Werte, die in EC-Geräten vorkommen, liegen bei Spannungen im Bereich von 380 bis 440 VDC. Die PFC-Stufe wird zur Reduzierung der Stromoberwellen benötigt.

Potenzial der Zwischenkreisspannung

Entsprechend der Zwischenkreisspannung über dem Kondensator C 1 bildet sich zwischen dem positiven Anschluss des Kondensators (Anode) und dem PE-Potenzial eine Spannung, die je nach Topologie anders aussieht. Abb. 4zeigt die Spannung zwischen U ZWK + und PE bei einem Inverter mit passiver PFC. Es ist deutlich zu erkennen, dass das Potenzial der Zwischenkreisspannung U ZWK bei der passiven PFC zwischen den Werten 0 V und U max  = 2  U ac,rms wechselt.

Zum Vergleich zeigt Abb. 5 die gleiche Spannung bei einem Inverter mit aktiver PFC als Boost-Konverter. Hierbei ist das Spannungspotenzial immer größer 0 V. Der minimale Wert liegt bei U min  = U ZWK  – 2  U ac,rms .

Liegt in beiden Fällen ein Isolationsfehler vor, so ist dies derselbe Zustand, als wenn ein Widerstand zwischen dem Potenzial U ZWK + und PE eingebracht wird. Korrespondierend zu den Spannungen verhalten sich dann auch die entsprechenden Fehlerströme. Beim Inverter mit passiv PFC wird der Strom periodisch bis auf 0 A, bei Inverter mit aktiv PFC auf einen Minimalwert von I Fehler  = 2  U ZWKmin  / R Fehler zurückgehen. Bei letzterem fließt immer ein momentaner Gleichstrom.

Berücksichtigung eines Isolationsfehlers

Die Messungen zeigen das Verhalten der beiden Schaltungstopologien unter der Berücksichtigung eines Isolationsfehlers. Hierzu wurde bei der Elektronik mit passiv PFC ein Widerstand von R Fehler  =  440  zwischen U ZWK + und PE (Aluminiumgehäuse des Motors) eingebaut. Bei der Variante mit aktiver PFC betrug der Widerstand R Fehler  = 950 . Da sich die Zwischenkreisspannung zwischen den beiden Elektroniken unterscheidet, wurden die Widerstände so angepasst, dass der Fehlerstrom sich knapp über der Auslöseschwelle des FI-Schutzschalters befindet. Es wurde bei beiden Fehlersimulationen ein FI-Schutzschalter mit einem Auslösestrom von I Auslöse  = 300 mA verwendet.

In der grünen Messkurve bei der Messung bei einer Kommutierungselektronik mit passiver PFC Abb. 6 ist der Spannungsabfall über dem „Fehlerwiderstand“ und in der violetten Messkurve der daraus resultierende Strom durch den Widerstand dargestellt. Die gleiche Messung wurde bei Verwendung einer Kommutierungselektronik mit aktiver PFC als Boost-Konverter durchgeführt Abb. 7. Bei beiden Messungen war in der Installation kein FI-Schutzschalter verbaut, um den auftretenden Stromverlauf im Fehlerfall zu demonstrieren.

Typ A: Kein Schutz bei aktiver PFC

Für Messungen wurde in die Spannungsversorgung ein FI-Schutzschalter des Typs A eingebaut. In Abb. 6 und Abb. 7 zeigt Ch 2 (blaue Messkurven) die sinusförmige Eingangsspannung und Ch 4 (grüne Messkurven) die Spannung zwischen U ZWK + und PE. Der Fehlerstrom durch den Widerstand R Fehler wird durch Ch 3 (violette Messkurven) dokumentiert.

Jeweils zum Zeitpunkt T 1 wird der Widerstand R Fehler zugeschaltet. Es stellt sich ein Fehlerstrom entsprechend obiger Beschreibung ein, dessen Stromstärke in beiden Fällen über dem Auslösewert des verwendeten FI-Schutzschalters liegt. Die Messung zeigt, dass der FI-Schutzschalter Typ A bei der Schaltung mit passiver PFC ca. 30 ms nach Auftreten des Isolationsfehlers die Spannungsversorgung trennt Abb. 8.

Der gleiche Versuchsaufbau, jedoch mit einer Elektronik mit aktiver PFC als Boost-Konverter führt zu einem anderen Ergebnis. Der Fehlerwiderstand wurde wieder auf R Fehler  = 950  eingestellt. Trotz des eingefügten Isolationsfehlers zum Zeitpunkt T 1 löst der FI-Schutzschalter des Typs A nicht aus. Ein Schutz ist mit diesem Typ Schutzschalter für derartige Applikationen nicht gegeben Abb. 9.

Typ B bietet Schutz bei aktiver PFC

Daraufhin wurde die gleiche Messung nochmals wiederholt, jedoch wurde der FI-Schutzschalter des Typs A durch einen FI-Schutzschalter des Typs B ersetzt Abb. 10. Mit diesem Schutzschalter-Typ wird in dieser Messung ca. 160 ms nach dem Auftreten des Fehlers die Schaltung durch die Schutzeinrichtung vom Netz getrennt.

FI-Schutzschalter des Typs A können also bei Geräten mit aktiver PFC keine Fehlströme detektieren, es wird im Fehlerfall nicht abgeschaltet. Um bei EC-Antrieben in Schaltung mit einer Elektronik mit aktiver PFC als Boost-Konverter die nötige Sicherheit für Menschen, Maschinen und Anlagen zu bieten, sind FI-Schutzschalter des Typs B die richtige Wahl.

Dipl.-Ing. (FH) Günter Haas, MEng

arbeitet in der Entwicklung Elektronik bei ebm-papst Mulfingen, 74671 Mulfingen, info1@de.ebmpapst.com , www.ebmpapst.com

Aktive Power Factor Correction (PFC)

Gebläsekonvektoren in Büroräumen, Hotelzimmern oder kommunalen Einrichtungen sind meist keine Einzelkämpfer, sondern werden oft in Parallelschaltung betrieben. Das Schaltungsprinzip der in diesen Geräten aus Gründen der Energieeffizienz und Geräuschoptimierung meist eingesetzten EC-Ventilatoren ist dann nicht völlig frei von Rückwirkungen auf das Netz. Durch den pulsförmigen Aufnahmestrom von EC-Ventilatoren entstehen Stromoberschwingungen. Diese belasten das Versorgungsnetz und können zu erhöhten Verlusten aufgrund von Blindleistung führen. Beim parallelen Betrieb mehrerer EC-Ventilatoren kann dies unter Umständen zur Folge haben, dass die zulässigen Grenzwerte nach EN 61 000-3-2 überschritten und andere Geräte im Anlagennetz negativ beeinflusst werden.

ebm-papst Mulfingen bieten deshalb speziell für den Einsatz in Gebläsekonvektoren ausgelegte EC-Radialventilatoren auch mit aktiver Power Factor Correction (PFC) an. Diese integrierte „Leistungsfaktorkorrektur“ wandelt den pulsförmigen Aufnahmestrom der EC-Motoren in einen sinusförmigen Strom um. Im zweiten Schritt wird die Lage der Stromkurve so verschoben, dass sie gleichphasig zur Spannung ist. Somit werden die Oberschwingungsanteile im Eingangsstrom stark reduziert. Ebenso wird der Spitzenwert des Eingangsstromes minimiert und es kann in vielen Anwendungsfällen ein kleinerer Leitungsquerschnitt für die Versorgungsleitungen der Ventilatoren gewählt werden.