Springe auf Hauptinhalt Springe auf Hauptmenü Springe auf SiteSearch
Mini-BHKW

Richtig ausgelegt schnell amortisiert

Mini-BHKW verwerten die eingesetzte Energie gekoppelt und erreichen so einen wesentlich höheren Wirkungsgrad als bei der getrennten, konventionellen Strom- und Wärmeerzeugung. Das Resultat ist ein um etwa 35 % reduzierter Primärenergieverbrauch, eine Verringerung der CO 2 -Emissionen um bis zu 50 % sowie deutlich niedrigere Energiekosten für den Betreiber. Dabei gilt: Je länger die Laufzeit der Geräte über das Jahr und je höher der daraus resultierende Jahresnutzungsgrad, umso höher die Stromproduktion und umso wirtschaftlicher arbeitet das Mini-BHKW. Darum sind die kleinen Kraftwerke vor allem für den Einsatz in Gebäuden mit höherem Wärmebedarf, wie in öffentlichen Einrichtungen, Gewerbegebieten sowie im Freizeit- und Gesundheitssektor prädestiniert.

Modulation erhöht Wirtschaftlichkeit

Grundsätzlich lassen sich zwei verschiedene Betriebsweisen unterscheiden: Mini-BHKW mit konstanter Motordrehzahl, die immer die maximal mögliche Menge an Wärme und Strom erzeugen und Geräte mit Leistungsmodulation. Durch die stufenlose Anpassung der Motordrehzahl richten modulierende Mini-BHKW ihre Strom- und Wärmeproduktion am tatsächlichen Bedarf aus. Dadurch bieten sie vor allem in Zeiten mit geringeren Wärmeanforderungen – etwa im Sommer oder in Gebäuden mit stark schwankendem Energiebedarf – erhebliche Vorteile.

Sinkt nämlich die Energieanforderung unter die Nennleistung des Mini-BHKW, gehen Geräte mit konstanter Strom- und Wärmeproduktion in den Taktbetrieb über, während modulierende Anlagen mit verminderter Leistung weiterarbeiten. Auf diese Weise wird ein vorzeitiges Abschalten wegen einer zu geringen Leistungsanforderung verhindert und eine erheblich längere Laufzeit über das Jahr realisiert. Das ermöglicht eine bis zu 60 % höhere Stromproduktion und senkt die Einsatzgrenze. Leistungsmodulierende Mini-BHKW können auch in kleineren Objekten wirtschaftlich eingesetzt werden.

Aber auch die Art der Leistungsregelung hat einen großen Einfluss auf die Wirtschaftlichkeit. Erfolgt die Regelung der Motordrehzahl direkt über eine Lastveränderung des Stromgenerators und nicht über eine mechanische Drosselklappe, kann diese auch bei niedrigen Drehzahlen vollständig geöffnet bleiben. Das ecopower Mini-BHKW von PowerPlus Technologies arbeitet so über den gesamten Modulationsbereich von 1,3 bis 4,7 kW el bzw. 4,0 bis 12,5 kW th mit einem gleichbleibend hohen Gesamtwirkungsgrad von über 90 % bei einer Stromkennzahl von 0,38. So wird auch bei geringem Wärmebedarf ein Betrieb ohne Effizienzverluste erreicht. Die Abgaswerte liegen dabei aufgrund des serienmäßigen 3-Wege-Katalysators in Kombination mit der Lambda-Regelung deutlich unter den Vorgaben der TA-Luft.

Zusätzlich steigert ein Abgaswärmeübertrager zur Brennwertnutzung den Gesamtnutzungsgrad der Geräte. Dabei bezieht sich der erreichbare Vorteil auf den gesamten Brennstoffeinsatz und kann somit bezogen auf die ausgekoppelte Wärme damit höhere Werte als bei einem Brennwert-Heizkessel erzielen.

Bedarfsorientierte Betriebsweise

Mit dem Ziel, möglichst lange Laufzeiten über das Jahr zu erreichen, werden Mini-BHKW vorwiegend so ausgelegt, dass sie die Wärmegrundlast eines Objektes abdecken. Die Regelung der thermischen Leistung richtet sich bei dieser wärmegeführten Betriebsweise nach dem zu erwartenden Wärmebedarf. Für den wirtschaftlichen Betrieb wird ein Mini-BHKW in der Regel auf ca. 10 bis 40 % der maximalen Heizlast ausgelegt. Mit dieser Grundlastabdeckung stellt das Gerät dann 40 bis 75 % der benötigten Wärmemenge für Heizung und Warmwasser bereit. Spezielle Programme ermöglichen hierbei eine Optimierung des Mini-BHKW-Betriebs, indem z.B. Zeiten für erhöhten Strombedarf vorgegeben werden.

In Gebäuden mit ganzjährig hohem Stromverbrauch und einem ausreichenden Grundwärmebedarf können die Geräte auch stromgeführt betrieben werden. Die Leistungsregelung des Mini-BHKW erfolgt dann nach dem gegenwärtigen Strombedarf des Betreibers. Auf diese Weise wird die elektrische Grundlast abgedeckt und gleichzeitig die Kappung teurer Stromspitzen während der Hochbetriebszeiten ermöglicht. Diese Vorgehensweise eignet sich besonders für Kleingewerbe, wie Metzgereibetriebe, Hotels und Gaststätten.

Ansteuerung des Spitzenlastkessels

Wenn Mini-BHKW den Grundbedarf eines Objekts decken, werden sie im bivalenten Betrieb zusammen mit einem Spitzenlastkessel eingesetzt. Der liefert dann die über die Grundlast hinaus angeforderte Wärme und kann entsprechend kleiner dimensioniert werden, als es bei alleiniger Versorgung der Fall wäre. Optimal ist, wenn der Heizkessel dabei vom Mini-BHKW nicht nur einen Einschaltbefehl sondern eine bedarfsabhängige Leistungsanforderung erhält, beispielsweise durch die Übergabe der Vorlauftemperatur. Hierdurch startet das Spitzenlastgerät ebenfalls im modulierenden Betrieb und führt dem Heizsystem die zusätzlich benötigte Wärme kontrolliert zu.

Vorlauftemperaturschwankungen werden so vermieden, was die Auslegung des hydraulischen Systems und der Steuer- und Regelungstechnik erheblich vereinfacht. Ein gleichmäßiger Betrieb der gesamten Heizungsanlage ist dann sowohl bei geringerem Energiebedarf, wenn nur das Mini-BHKW arbeitet, als auch bei höherer Heizlast, wenn das Spitzenlastgerät hinzugeschaltet wird, gewährleistet. Die Vermeidung von Temperaturspitzen verhindert auch ein ungewolltes Heruntermodulieren oder gar Abschalten des Mini-BHKWs aufgrund eines Wärmeüberschusses im Heizsystem.

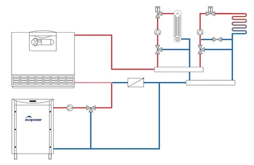
Einbindung in die Heizungsanlage

Vorwiegend wird die vom Mini-BHKW erzeugte thermische Energie parallel zum Spitzenlastkessel eingebunden. Beide Geräte arbeiten dann auf einem Pufferspeicher, von dem aus die Wärme weiter an die Heizkreise abgegeben wird. Die Trinkwassererwärmung kann wahlweise über einen separaten indirekt beheizten Speicher oder durch einen Kombi- bzw. Multispeicher erfolgen. Handelt es sich beim Spitzenlastkessel um ein Gas-Brennwertgerät, kann in Abstimmung mit dem Schornsteinfegermeister sogar ein gemeinsames Abgassystem installiert werden.

Im Rahmen einer Gebäude-Modernisierung ist auch die nachträgliche Einbindung eines Mini-BHKW einfach. Anstatt die gesamte Heizungsanlage zu erneuern, kann es über die Anhebung des Heizungsrücklaufs integriert werden, der vorhandene Heizkessel wird dann zur Abdeckung der Spitzenlasten weiter genutzt. Der Vorteil dieser Lösung besteht darin, dass nur geringfügige Anpassungen am bestehenden Heizungssystem erforderlich sind und sie kostensparend und ohne längere Betriebsunterbrechung erfolgen kann. Durch den geringen Platzbedarf der kompakten, anschlussfertigen Geräte ist eine Anlagenerweiterung meistens im vorhandenen Heizungsraum möglich.

Mini-BHKW und Spitzenlastkessel können auch in Serie geschaltet werden. Dies ist beispielsweise bei Anlagen mit großem Heizwasserinhalt oder zur Erzeugung von Prozesswärme der Fall, wenn die vom Mini-BHKW erzeugte Vorlauftemperatur von maximal 75 °C nicht ausreicht. Der Heizkessel liefert dann den fehlenden Temperaturhub bis zur erforderlichen Vorlauftemperatur. Für den effizienten Betrieb des Mini-BHKW sollten die Rücklauftemperaturen dabei maximal 60 °C betragen.

Geht der Strom- und Wärmebedarf des Objektes über die Leistung eines einzelnen Gerätes hinaus, können auch mehrere Mini-BHKW im Paral­lelbetrieb eingesetzt werden. Eines fungiert hierbei als Mastereinheit und übernimmt die Ansteuerung der nachgeschalteten Anlagen. Mit der Anzahl der eingesetzten Geräte steigt üblicherweise auch die Anzahl der möglichen Heizkreise. Kann die im Mini-BHKW integrierte Regelung zwei unabhängig voneinander arbeitende Heizkreise ansteuern, so können bei drei parallel betriebenen Kraftwerken bis zu sechs Heizkreise geregelt werden.

Stromerzeugung spart Energiekosten

Der wirtschaftliche Nutzen von BHKW ergibt sich aus der Stromproduktion. Grundsätzlich gilt: Je höher die jährliche Betriebsstundenzahl, desto mehr Strom wird produziert und umso schneller amortisiert sich die Investition. Die selbst erzeugte elektrische Energie kann dabei direkt im Objekt genutzt oder an den Stromnetzbetreiber verkauft werden. Die Netzbetreiber sind hierbei nach § 5 des Kraft-Wärme-Kopplungsgesetzes (KWKModG) zum Anschluss der Anlage und zur Abnahme des Stroms verpflichtet.

Allerdings ist zu beachten, dass der Eigenverbrauch der selbst erzeugten elektrischen Energie aufgrund der eingesparten Stromkosten für den Betreiber wesentlich rentabler ist als die Einspeisung in das öffentliche Netz. Diese erfolgt gegen den im KWKModG festgelegten „üblichen Preis“, welcher als der durchschnittliche Preis für Baseload-Strom an der Strombörse EEX in Leipzig im jeweils vorangegangenen Quartal definiert ist (Stand 3. Quartal 2007: 3,101 ct/kWh).

Die Energieerzeugung mit Mini-BHKW wird zudem vom Staat gefördert. Betreiber erhalten die ersten 10 Jahre ab Inbetriebnahme für jede ins öffentliche Netz eingespeiste Kilowattstunde Strom einen Bonus von 5,11 ct/kWh zusätzlich zur gesetzlich festgelegten Vergütung des Ener­gieversorgers. Weiterhin ist die selbst erzeugte und genutzte elektrische Energie von der Stromsteuer befreit (2,05 ct/kWh) und die Energiesteuer für den verbrauchten Brennstoff wird zurückerstattet (Erdgas: 0,55 ct/kWh bzw. Flüssiggas 60,6 Euro/t). Die Anschaffung eines Mini-BHKW wird darüber hinaus mit zinsgünstigen Krediten im Rahmen des CO 2 -Gebäudesanierungsprogramms der KfW-Förderbank sowie weiteren Programmen auf allen staatlichen Ebenen unterstützt.

Mini-BHKW bieten somit angesichts einer dauerhaften Senkung der Energiekosten, umfangreicher Förderungen sowie einer größeren Unabhängigkeit von zukünftigen Preissteigerungen erhebliche wirtschaftliche Vorteile im Vergleich zu konventionellen Wärmeerzeugern. Planer können ihren Kunden zudem eine Alternative anbieten, die neben ihrer Wirtschaftlichkeit durch verringerte CO 2 -Emissionen und einen reduzierten Primär­energieverbrauch auch einen direkten Beitrag zum Umwelt- und Ressourcenschutz liefert.

Objektbeispiel Doppel-Mikro-KWK in einem Hotel

Die Betriebsweise der beiden nachträglich installierten ecopower Mini-BHKW ist wärmegeführt. Die gekoppelte Wärmeerzeugung deckt die Wärmegrundlast ab, während für die Zeitabschnitte mit höherem Wärmebedarf ein zusätzlicher Spitzenlastkessel eingesetzt wird. In die Wirtschaftlichkeitsberechnung fließen die durch den selbst erzeugten Strom eingesparten Stromkosten, die Vergütung für eingespeisten Strom sowie die Steuervergünstigungen (eingesparte Stromsteuer und Energiesteuerrückerstattung) ein. In dem Objektbeispiel wird aufgrund des hohen Strombedarfs der durch die Mini-BHKW erzeugte Strom im Gebäude nahezu vollständig selbst genutzt (99,38 %), wodurch jährlich Stromkosten in einer Höhe 9000 Euro eingespart werden können. Die von vornherein weniger ertragreiche Einspeisung des Mini-BHKW-Stroms ins öffentliche Netz fällt bei der Wirtschaftlichkeitsbetrachtung kaum ins Gewicht.

Hartmut Meißner

Dipl.-Ing., ist Vertriebsleiter bei dem Vaillant-Tochterunternehmen PowerPlus Technologies GmbH, 07548 Gera Telefon (03 65) 83 04 03 00 E-Mail: hartmut.meissner@ecopower.de http://www.ecopower.de

Datenblatt ecopower Mini-BHKW

1: Steuerschrank, 2: Abgaswärmeübertrager mit integriertem Katalysator, 3: Motorblock, 4: Generator, 5: Schalldämpfer, 6: Wärmeübertrager für Heizungswasser, 7: Elektro-Anschlüsse, 8: Gaszufuhr, 9: Zuluft/Abgas, 10: Heizungsanschlüsse. - PowerPlus Technologies
1: Steuerschrank, 2: Abgaswärmeübertrager mit integriertem Katalysator, 3: Motorblock, 4: Generator, 5: Schalldämpfer, 6: Wärmeübertrager für Heizungswasser, 7: Elektro-Anschlüsse, 8: Gaszufuhr, 9: Zuluft/Abgas, 10: Heizungsanschlüsse.