Springe auf Hauptinhalt Springe auf Hauptmenü Springe auf SiteSearch
Referenzprojekt SEW: GSWT im St.-Johannes-Hospital

Vertrauen ist gut – Redundanz ist besser

Durch die jahrelange und vertrauensvolle Zusammenarbeit und gemeinsame Planung zwischen dem St.-Johannes-Hospital und SEW konnten bis heute elf RLT-Anlagen mit der GSWT-Technologie erfolgreich und nachhaltig umgesetzt werden. Eine Bilanz nach 20 Jahren GSWT-Technologie vor Ort.

Kompakt zusammengefasst
■ Die Ausrüstung von inzwischen elf RLT-Anlagen im St.-Johannes-Hospital Dortmund mit multifunktionalen Wärmerückgewinnungs-Systemen auf Basis der Gegenstrom-Schicht-Wärmetauscher(GSWT)-Technologie ist weit mehr als eine gute Referenz für den GSWT-Erfinder SEW:
■ Die hohen Betriebskosteneinsparungen zeigen, wie sich hocheffiziente und über die klassischen Systemgrenzen hinweg konzipierte Systeme selbst refinanzieren und sogar nachhaltig Mittel für neue Einsparinvestitionen freisetzen können.
 

Das St.-Johannes-Hospital (JoHo) inmitten von Dortmund (Bild 1) versteht sich als Schwerpunktkrankenhaus mit einer Kapazität von 570 Betten, 2100 Mitarbeitern, 14 medizinische Fachabteilungen und blickt auf eine lange Historie bis zur Gründung 1871 zurück.

Mit dem Wachstum des JoHo wuchs auch der Bedarf an Energie und an vorzuhaltenden Wärme-, Kälte- und Elektroleistungen – doch gerade mit der Innenstadtlage sind Technikflächen knapp und endlich. Kompakte Lösungen im Bestand sind gefragt. Darüber hinaus sind in Pandemiezeiten die Anforderungen an Hygiene zum Schutz der Patienten und des Klinikpersonals wichtig.

Wärmerückgewinnungs-Systeme, die eine Keim- und Schadstoffübertragung schon konstruktiv ausschließen, tragen zur Sicherung des Klinikbetriebes bei. Das JoHo hat hier bereits in der Vergangenheit Wert auf konsequente Einhaltungen von hohen Austauschgraden, hoher Effizienz und maximale Hygiene gelegt.

Aber wie zahlt sich dieses Wirtschaften aus und wie nachhaltig ist es?

Die für ein Krankenhaus erforderlichen Lüftungs- und Klimaanlagen gehören zu den größten Energieverbrauchern und verursachen entsprechend hohe Betriebskosten. Es gibt aber Stellschrauben, um diese Kosten dauerhaft zu senken.

Die Luftmengen ergeben sich durch die hygienischen und thermischen Anforderungen und sind kaum beeinflussbar. Ein Prüfen der möglichen Teillastzustände sollte jedoch in Betracht gezogen werden.

Ein prinzipieller Ansatz ergibt sich mit dem Einsatz von Wärmerückgewinnungs-Systemen (WRG-System). Dabei wird der Fortluft die Wärme oder Kälte entzogen und in verschiedenen Weisen der ins Gebäude geführten Außenluft wieder zugeführt. Damit ist nur noch ein Bruchteil der Lufterwärmung bzw. -kühlung erforderlich. Aber WRG-System ist nicht gleich WRG-System, wenn zwei das gleiche machen, ist es noch lange nicht dasselbe! Wo liegen die Unterschiede?

In der Klima- und Raumlufttechnik übliche WRG-Systeme sind Rotations-Wärmeübertrager sowie Akkumulatoren als Regeneratoren, Kreuzstrom- und Gegenstrom-Platten-Wärmeübertrager als Rekuperator und Kreislaufverbund-Systeme (KVS) als Mischform von Regenerator und Rekuperator.

Mit der absoluten Trennung von Außen- und Fortluft für eine astreine Hygiene, den hohen Austauschgraden und Effizienzwerten sind KVS universell einsetzbar. Ab einer Rückwärmzahl von ca. 75 % sind KVS multifunktional einsetzbar und ermöglichen über die Wärme- und Kälterückgewinnung hinaus weitere Funktionen, z. B. Indirekt adiabatische Kühlung, Freie Kühlung, Entfeuchtungskälterückgewinnung oder Kältemaschinenrückkühlung.

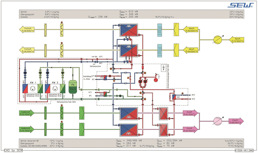
Bild 2 Schema der Anlage OP im St.-Johannes-Hospital Dortmund.

SEW GmbH, Kempen

Bild 2 Schema der Anlage OP im St.-Johannes-Hospital Dortmund.

Diese und viele weitere Zusatzfunktionen entstanden bei der Entwicklung des KVS mit der Gegenstrom-Schicht-Wärmetauscher-Technologie durch SEW im Jahr 1983. Eine zentrale Rolle kommt dem speziellen Gegenstrom-Schicht-Wärmeaustauscher (GSWT) zu. Mit modularem Aufbau und einer Vielzahl paralleler Wärmetauscher-Module kann jede Luftleistung bewältig werden; auch die Rückwärmzahl und Effizienz sind damit konstruktiv einstellbar. Die energetischen Rückwärmzahlen gemäß der EN 13 053 sind auch im Einbauzustand nachweisbar.

Basis für multifunktionale und hocheffiziente Wärme- und Kälterückgewinnungs-Systeme ist die Redundanz des GSWT, sie bietet neben der hohen Energieeinsparung auch eine hohe Betriebssicherheit.

Mit der ersten GSWT-Anlage im JoHo im Jahr 1999 im war der Grundstein für eine sehr interessante Entwicklung gelegt. Die Anlage OP (Bild 2) mit einer Luftleistung von ca. 70 600 m3/h hatte bereits sieben Zusatzfunktionen:

● Nacherwärmung
● Indirekte adiabatische Kühlung
● Entfeuchtungskühlung
● Entfeuchtungskälterückgewinnung
● Freie Kühlung und eine
● Kältemaschinenrückkühlung über die Fortluft für eine integrierte Kältemaschine

Für diese Funktionen sind eine erhöhte Redundanz / Betriebssicherheit und ein hoher Austauschgrad erforderlich.

Nacherwärmung

Da WRG in der Regel nicht die gewünschte Zulufttemperatur im Winter erbringt, muss nacherwärmt werden. Dabei wird der luftseitige Nacherwärmer durch einen Wasser-/Wasser-Platten-Wärmeübertrager ersetzt. Dieser ist in das KVS integriert und erwärmt das KV-Fluid bis die gewünschte Zulufttemperatur erreicht wird. Für die oben genannte Anlage wird das KV-Fluid von 19,2 °C auf nur 26 °C erwärmt. Damit lässt sich die Außenluft von − 12 °C auf 22 °C erwärmen.

Für dieses Temperaturniveau kann auch der Heizungsrücklauf angezapft werden und so die Rücklaufauskühlung verbessert werden; das ist die Wirkung des GSWT. Die Ansteuerung erfolgt wie bei einem luftseitigen Nacherwärmer.

Freie Kühlung

Die Funktion Freie Kühlung bietet für den Winter- und Übergangsfall Kälte ohne Kältemaschine an, beispielsweise für Medizingeräte, wie MRT, CT oder EDV-Anlagen. Die bereitgestellte Kälte 8/14 °C wird mit einer überragenden Leistungszahl erstellt. Für die Anlage im JoHo werden 30 kW bei 8/14 °C ab einer Außenlufttemperatur von 5 °C und kälter erzielt. Auch wenn nur 1 K von 14 °C auf 13 °C erbracht wird, liegt die Leistungszahl dieser „Kälteerzeugung“ bei 1 : 10. Das schafft im Kompressionsbetrieb keine Kältemaschine.

Indirekt adiabatische Kühlung (IAVK)

Bislang konnte ein KVS immer dann, wenn die Ablufttemperatur unter der Außentemperatur war, Kälterückgewinnung anbieten. Um diesen Effekt zu verstärken setzt SEW seit 1985 einen Fortluftbefeuchter ein. Der Oberflächenbefeuchter kann mit Stadtwasser betrieben werden und erzeugt keine Aerosole. Damit kann die erforderliche Kältemaschine für die oben genannte Anlage um 200 kW kleiner ausgeführt werden, beim Elektroanschluss wurden ca. 70 kW eingespart.

Entfeuchtungskühlung

Mit der IAVK lässt sich die Luft allerdings nicht soweit kühlen, dass damit entfeuchtet werden kann. Also muss nachgekühlt werden. Dies geschieht im JoHo mit einer voll integrierten Kältemaschine. Der sonst übliche luftseitige Kühler entfällt und damit auch der anteilige Strom für den Ventilator. In 22 Jahren ist allein dadurch eine Einsparung von 419 000 kWh elektrischer Energie zusammen gekommen. Darüber hinaus ist zur Entfeuchtung Kaltwasser von 8/18 °C anstelle 6/12 °C erforderlich. Dies wirkt sich effizienzsteigernd auf den Kältemaschinenbetrieb aus.

Entfeuchtungskälterückgewinnung

Diese Funktion wird von SEW seit 1994 verwendet und erwärmt die entfeuchtete Luft, beispielsweise von 14 °C auf 18 °C. Das Fluid von der Fortluft kommend wird nach der IAVK dabei ein weiteres Mal gekühlt, sodass die Kältemaschine um weitere 70 kW reduziert werden kann.

Kältemaschinenrückkühlung

Mit den bereits genannten Funktionen konnte die Kältemaschine um ca. 270 kW kleiner ausgeführt werden. Mit der ohnehin vorhandenen Fortluftmenge kann die notwendige Abfuhr von 336 kW Abwärme aus dem Kompressionsprozess erbracht werden. Gegenüber einer Lösung ohne GSWT-System wären eine Kältemaschine mit 517 kW und ein Rückkühlwerk von ca. 660 kW erforderlich gewesen. Insbesondere in der Innenstadt und bei knappen Platzverhältnissen ist die realisierte Lösung mehr als nur eine Alternative.

In den letzten 20 Jahren sind zehn weitere GSWT-Systeme im JoHo hinzugekommen. Nicht alle Systeme haben dieselbe Ausstattung oder die hohe Luftleistung. Addiert man jedoch die eingesparten Heiz-, Kälte-, Rückkühl- und Elektroleistungen, so ergeben sich imposante Werte (Bild 3). Annahme für alle Anlagen: Betriebszeiten: Mo – Fr: 07:00 – 19:00 Uhr 100 %; Mo – Fr 19:00 – 07:00 Uhr 35 %; Sa – So: 00:00 – 24:00 Uhr 35 %; t fin Winter = 22 °C; t fin Sommer = 18 °C.

Bild 3 Erfolgsbilanz: Eingesparten Leistungen durch die GSWT-Technologie der elf RLT-Anlagen im St.-Johannes-Hospital Dortmund. (*) Aufgrund der hohen Redundanz der GSWT-Technologie können für diese Leistungen bei den Wärme- und Kälteerzeugungsanlagen die Investitionskosten eingespart werden.

SEW GmbH, Kempen

Bild 3 Erfolgsbilanz: Eingesparten Leistungen durch die GSWT-Technologie der elf RLT-Anlagen im St.-Johannes-Hospital Dortmund. (*) Aufgrund der hohen Redundanz der GSWT-Technologie können für diese Leistungen bei den Wärme- und Kälteerzeugungsanlagen die Investitionskosten eingespart werden.

Mit jeder neuen Anlage steigt die Betriebskosteneinsparung (Bild 4 und Bild 5) und die Einsparkurve wird immer steiler und für Investitionen stehen immer höhere Betriebskosteneinsparungen zur Verfügung. In Bild 6 sind die Investitionen der WRG-Systeme, deren Wartungskosten und Betriebskosteneinsparungen aufgetragen. In 2022 werden über 2,5 Mio. Euro netto eingespart worden sein.

Bild 4 Erfolgsbilanz: Jährlich eingesparte Wärme, Kälte und elektrische Arbeit für die elf RLT-Anlagen im St.-Johannes-Hospital Dortmund durch die GSWT-Technologie.

SEW GmbH, Kempen

Bild 4 Erfolgsbilanz: Jährlich eingesparte Wärme, Kälte und elektrische Arbeit für die elf RLT-Anlagen im St.-Johannes-Hospital Dortmund durch die GSWT-Technologie.
Bild 5 Erfolgsbilanz: Kumulierten Energieeinsparungen für die elf RLT-Anlagen im St.-Johannes-Hospital Dortmund durch die GSWT-Technologie (unterschiedliche Laufzeiten nach Inbetriebnahmedatum).

SEW GmbH, Kempen

Bild 5 Erfolgsbilanz: Kumulierten Energieeinsparungen für die elf RLT-Anlagen im St.-Johannes-Hospital Dortmund durch die GSWT-Technologie (unterschiedliche Laufzeiten nach Inbetriebnahmedatum).

Mit den Einsparungen von ca. 365 000 Euro/a sind Investitionen in neue Anlagen oder Sanierungen mit entsprechender Qualität und Effizienz jederzeit durchführbar. Die Anlagen amortisieren sich innerhalb ihrer Lebensdauer mehrfach selbst.

Bild 6 Vermiedene Kosten durch Einsparungen. Die Zacken nach unten entsprechen den Investitionskosten. Mit jeder Investition erhöht sich die Steilheit der Einsparkurve.

SEW GmbH, Kempen

Bild 6 Vermiedene Kosten durch Einsparungen. Die Zacken nach unten entsprechen den Investitionskosten. Mit jeder Investition erhöht sich die Steilheit der Einsparkurve.

Und wenn diese Investitionsbeträge nicht zur Verfügung stehen?

Eine Möglichkeit besteht in einer anderen Herangehensweise. Bislang werden zunächst die Volumenströme ermittelt, danach die Heiz- und Kühllasten und dann kommen die Auslegung der Heiztechnik, der Kältemaschine und des Rückkühlwerks.

Erst danach wird über eine Wärmerückgewinnung gesprochen. Leider ist dann die mögliche Substitution der vorzuhaltenden Leistungen kaum noch möglich. Faktisch müsste man dann eine zweite Planung machen, was zeitlich und wirtschaftlich nicht zu erbringen ist.

Legt man jedoch nach den Heiz- und Kühllasten das WRG-System aus und kommt durch Redundanz / Betriebssicherheit und multifunktionale Anwendung auf kleinere Leistungen, dann kommen diese Einsparungen dem WRG-System zugute und der Anschaffungspreis relativiert sich.

So erreicht man mit einer etwas anderen Herangehensweise bei der Planung, mit der GSWT-Technologie und dem konsequenten Investieren den Punkt, dass in jedem Jahr Mittel für weitere Investitionen rein aus den Betriebskosteneinsparungen heraus getätigt werden können.

Bild 7 Die GSWT-Technologie im St.-Johannes-Hospital virtuell erleben unter www.sew-kempen.de/joho  

SEW GmbH, Kempen

Bild 7 Die GSWT-Technologie im St.-Johannes-Hospital virtuell erleben unter www.sew-kempen.de/joho 
 

Die Nachhaltigkeit ergibt sich dadurch, dass einmal „weg“-substituierte Heiz- und Kühlleistungen auch bei zukünftigen Sanierungen nicht mehr beplant werden müssen – oder es stehen Reserven zur Verfügung. Das St.-Johannes-Hospital ist damit Vorreiter und Referenz für einen umweltgerechten und nachhaltigen Betrieb des Krankenhauses. Der Technische Leiter des JoHo, Dipl.-Ing. Michael Afhüppe, weiß, was er an SEW-Technik hat.

Alle Fachberichte zu diesem Thema bündeln wir im TGAdossier Industrie- und Gewerbelüftung

Dipl.-Ing. Michael Schilling
ist Geschäftsführer der SEW GmbH, 47906 Kempen, Telefon (0 21 52) 9 15 60, michael.schilling@sew-kempen.de, www.sew-kempen.de

SEW GmbH, Kempen