Springe auf Hauptinhalt Springe auf Hauptmenü Springe auf SiteSearch
Referenzprojekt SEW

Lüftung mit hocheffizientem WRG-System modernisiert

Bild 1 Das historische Konzerthaus Berlin am Gendarmenmarkt mit Blick auf den Deutschen Dom.

rh2010 – stock.adobe.com

Bild 1 Das historische Konzerthaus Berlin am Gendarmenmarkt mit Blick auf den Deutschen Dom.

Um die Energiekosten zu senken, sollten die Lüftungsanlagen für das Konzerthaus Berlin am Gendarmenmarkt mit einer Wärmerückgewinnung (WRG) ausgestattet werden. Zum Einsatz kamen Gegenstrom-Schicht-Wärmetauscher (GSWT), deren spezieller Aufbau auch bei schwierigen Randbedingungen hocheffiziente Konzepte ermöglicht.

Der Artikel kompakt zusammengefasst
■ Im Konzerthaus Berlin am Gendarmenmarkt wurde in zwei 50 000-m3/h-Lüftungszentralen ein hocheffizientes Krauslaufverbrundsystem auf Basis der GSWT-Technologie von SEW integriert.
■ Aufgrund der beschränkten Einbringmöglichkeiten wurden die modular aufgebauten Gegenstrom-Schicht-Wärmetauscher erst am Verwendungsort zu einer Einheit montiert. Das Kreislaufverbundsystem für drei Fortluft- und vier Außenluftanlagen wird über eine gemeinsame zentrale Pumpen- und Armaturenbaugruppe geregelt.
■ Neben der Wärme- und Kälterückgewinnung trägt auch eine adiabatische Verdunstungskühlung direkt und indirekt zur Energieeinsparung bei.
 

Das Konzerthaus Berlin am Gendarmenmarkt (Bild 1) ist ein bedeutendes kulturelles Zentrum und eine renommierte Spielstätte für klassische Musik in Europa. Um die Energiekosten zu senken und die CO2-Emissionen im Betrieb zu verringern, sollten im Rahmen einer energetischen Sanierung die Lüftungsanlagen für das Konzerthaus und die Funktionsgebäude mit einer Wärmerückgewinnung ausgestattet werden. Das Projekt wurde durch die Berliner Immobilienmanagement GmbH BIM, im Berliner Programm für Nachhaltige Entwicklung (BENE) aus Mitteln des Europäischen Fonds für Regionale Entwicklung, und des Landes Berlin gefördert.

Die Herausforderungen: Das Gebäude entstand zwischen 1818 und 1821 und gilt als eines der Hauptwerke von Karl Friedrich Schinkel. Nach dem Zweiten Weltkrieg wurde es detailgenau rekonstruiert und in den 1980er-Jahren mit Lüftungstechnik ausgestattet. Öffnungen auf dem Dach oder an der Fassade zur Einbringung moderner Technik sind heute wie damals aus Gründen des Denkmalschutzes nicht zulässig.

Trotz dieser Beschränkung war die Aufgabe für die Planer fixiert: Einen nachhaltigen Betrieb ermöglichen, ohne dabei Kompromisse bei der akustischen Qualität oder dem Komfort für Künstler und Besucher einzugehen. Somit war klar, dass eine maßgeschneiderte Lösung zu entwickeln ist, die den spezifischen Anforderungen des Konzerthauses gerecht wird und dabei eine hohe Energieeffizienz gewährleistet.

Doch damit nicht genug: Bei der Modernisierung musste alle Baumaßnahme im laufenden Spielbetrieb des Konzerthauses erfolgen. Die Montagearbeiten an der Haustechnik konnten nur innerhalb der wöchentlichen Betriebspausen oder Ruhezeiten (Lärmzeitfenster) durchgeführt werden, damit der Konzertbetrieb und die Proben uneingeschränkt weiterlaufen konnten.

Modernisierung im Bestand

Die optimale Lösung für die Planer war der Gegenstrom-Schicht-Wärmetauscher (GSWT) von SEW: Durch seinen modularen Aufbau kann er „schichtweise“ in eine Technikzentrale eingebracht werden (Bild 2). Da bei vielen Modernisierungsprojekten ähnliche Herausforderungen existieren, konnte SEW die Planung mit umfangreicher Expertise und Erfahrung in der Bestandssanierung unterstützen.

Der patentierte Wärmeübertrager besteht aus einzelnen Schichten (Bild 2) und ermöglicht für jedes Objekt eine flexible und genaue Dimensionierung. Jede Schicht funktioniert separat und kann im Bedarfsfall ausgetauscht werden. Dies sorgt für eine hohe Betriebssicherheit. Bei Sanierungen mit beengten Platzverhältnissen, wie im Konzerthaus Berlin, werden die Module einzeln geliefert und erst vor Ort zum fertigen Gegenstrom-Schicht-Wärmetauscher konfektioniert.

Bild 2 Hier wird deutlich, welche Herausforderungen eine Sanierung im Bestand mit sich bringt: Lange schmale und verbaute Gänge erfordern durchdachte Konzepte, um neue Technik bis zu ihrem Bestimmungsort zu transportieren.

SEW

Bild 2 Hier wird deutlich, welche Herausforderungen eine Sanierung im Bestand mit sich bringt: Lange schmale und verbaute Gänge erfordern durchdachte Konzepte, um neue Technik bis zu ihrem Bestimmungsort zu transportieren.

Die GSWT-Technologie ermöglicht in einem Kreislaufverbundsystem (KVS) eine besonders effiziente Rückgewinnung der Wärme aus der Abluft und eine Übertragung dieser Wärmeströme auf die Außen- bzw. Zuluft. Das senkt die Energiekosten durch einen geringeren Energieverbrauch und mindert entsprechend den CO2-Ausstoß. Besonders effizient ist das System durch eine hohen Wärmerückgewinnungsgrad (eine kleine verbleibende, physikalisch notwendige Temperaturdifferenz) und einen geringen Hilfsenergiebedarfs. Zudem ermöglicht das KVS-Prinzip die Wärmerückgewinnung ohne zusätzliche Kanalstrecken, da die beteiligten Luftströme nicht zusammengeführt werden müssen.

Die Umsetzung

Um die Wärmeübertrager mit der GSWT-Technologie in Verbindung mit einem KVS erfolgreich zum Einsatz zu bringen, haben die SEW-Konstrukteure eng mit der IWB Ingenieurgesellschaft, Braunschweig, und dem Konzerthaus Berlin zusammengearbeitet. Durch umfangreiche Analysen haben sie den spezifischen Wärme- und Kältebedarf des Objekts ermittelt. So konnten sie das Kreislaufverbundsystem optimal in die bestehende Infrastruktur integrieren.

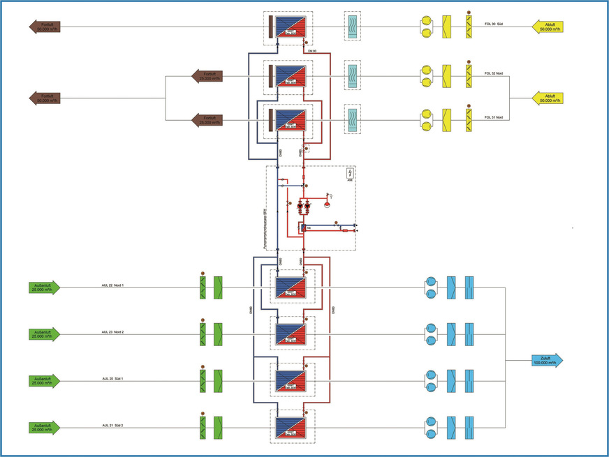
Im Konzerthaus befinden sich zwei Lüftungszentralen, eine auf der Nord- und eine auf der Südseite. Sie haben jeweils einen zentralen Abluftvolumenstrom mit 50 000 m3/h und zwei Außenluftvolumenströme mit je 25 000 m3/h (Bild 4). Eine zentrale Pumpen- und Armaturenbaugruppe (PAG) mit Zonenregelung steuert die gemeinsame Hydraulik im KVS für beide Anlagen (Bild 3). Dazu gehören drehzahlgeregelte Pumpen mit integriertem Frequenzumformer, Absperr- und Regelungseinheiten, ein Ausdehnungsgefäß und eine Steuerung mit Notfall-Handbedienebene.

Bild 3 Die Pumpenarmaturenbaugruppe (PAG) in der Lüftungszentrale.

SEW

Bild 3 Die Pumpenarmaturenbaugruppe (PAG) in der Lüftungszentrale.

Aus Platzgründen wurde die Fortluftanlage auf der Nordseite in zwei Stränge geteilt. Somit steuert die PAG die Hydraulik von drei Fortluft- und vier Außenluftanlagen.

Im Sommer wird Kälte von der kühleren Abluft auf die warme Außenluft übertragen. Zur Unterstützung wird die Abluft über einen Oberflächenbefeuchter adiabatisch (ohne Austausch von Wärmeenergie) befeuchtet und kühlt sich dabei ab. Dadurch konnten der Kältebedarf reduziert, die maschinelle Kälteerzeugung entlastet, Druckverluste eingespart und Leistungsreserven für steigende Temperaturen im Sommer geschaffen werden.

Als Systemanbieter hat SEW mit einem umfangreichen Servicepaket für eine reibungsfreie Installation des Wärmerückgewinnungssystems gesorgt. Dazu gehörte die Einbringung der GSWT-Module und der Pumpen- und Armaturenbaugruppe, die Endmontage, die Schnittstellenklärung, die Glykolfüllung des Kreislaufverbundsystems, die Inbetriebnahme, die Einweisung und der ErP-Nachweis.

Das Ergebnis

Das Konzerthaus Berlin hat durch die Integration des KVS mit der GSWT-Technologie zur Wärme- und Kälterückgewinnung seine Energiekosten deutlich verringert. Die umgesetzte Lösung trägt zu einem optimalen Raumklima im Konzerthaus Berlin bei, mit Vorteilen für Musiker und Publikum.

Die Lüftung mit einem Kreislaufverbundsystem verhindert eine Übertragung von Keimen sowie Geruchs- und Schadstoffen von der Abluft in die Zuluft und schützt so die Personen, die sich im Gebäude aufhalten.

Durch die Erweiterung der Anlage um die indirekte adiabatische Kühlung erreicht die Anlage bei 33 °C Außenlufttemperatur mit einem sehr geringen Energieeinsatz eine Zulufttemperatur von 24 °C nach dem Zuluft-Wärmeübertrager –

ohne den Einsatz einer mechanischen Kälteerzeugung. Die GSWT-Technologie zur Wärme- und Kälterückgewinnung kann so einen bedeutenden Beitrag zur Nachhaltigkeit in der Kulturbranche leisten. Torsten Pötzsch, SEW

Bild 4 GSWT-Funktionsschema.

SEW

Bild 4 GSWT-Funktionsschema.

Fachberichte mit ähnlichen Themen bündelt das TGA+E-Dossier Industrie- und Gewerbelüftung

Kontakt
SEW
47906 Kempen
Telefon (0 21 52) 9 15 60
info@sew-kempen.de
www.sew-kempen.de

Jetzt weiterlesen und profitieren.

+ TGA+E-ePaper-Ausgabe – jeden Monat neu
+ Kostenfreien Zugang zu unserem Online-Archiv
+ Fokus TGA: Sonderhefte (PDF)
+ Webinare und Veranstaltungen mit Rabatten
uvm.

Premium Mitgliedschaft

2 Monate kostenlos testen