Springe auf Hauptinhalt Springe auf Hauptmenü Springe auf SiteSearch
Referenzprojekt SEW

Rückgewinnung von Wärme und Kälte im Krankenhaus

Bild 1 Das Leopoldina-Krankenhaus alias „Leo“ der Stadt Schweinfurt.

VM-Photodesign / Volker Martin

Bild 1 Das Leopoldina-Krankenhaus alias „Leo“ der Stadt Schweinfurt.

Wärme oder Kälte ungenutzt in die Atmosphäre zu entlassen, kommt für die Verantwortlichen im Leopoldina-Krankenhaus der Stadt Schweinfurt nicht infrage – wegen der Kosten und auch aus Umweltschutzgründen. Seit inzwischen 17 Jahren gewinnt man in dem 700-Bettenhaus Wärme und Kälte aus der Abluft zurück und spart damit beachtliche Mengen Energie, Betriebskosten und auch Kosten für zusätzliche Technik.

Der Artikel kompakt zusammengefasst
■ Das Leopoldina-Krankenhaus der Stadt Schweinfurt setzt seit dem Jahr 2006 für die Wärme- und Kälterückgewinnung aus der Belüftung auf Kreislaufverbundsysteme mit der GSWT-Technologie von SEW.
■ Inzwischen sind Anlagen in drei Gebäuden mit einem Gesamtvolumenstrom von 540 000 m3/h in Betrieb. Sie vermeiden die Erzeugung von rund 11 GWh/a Heizenergie und rund 1,6 GWh/a Kälteenergie.
■ In die Kreislaufverbundsysteme wurden Anlagen zur Freien Kühlung medizinischer Geräte und des Rechenzentrums integriert. Zudem sind sie mit einer indirekten adiabatischen Kühlung kombiniert.
 

Insgesamt werden im „Leo“, wie das Schweinfurter Leopoldina-Krankenhaus von seinen Mitarbeitenden liebevoll genannt wird, 4353 kW Heizleistung und 1634 kW Kälteleistung durch Anlagen zur Rückgewinnung von Wärme und Kälte aus der Abluft substituiert. „Das bedeutet auch, dass diese Heiz- und Kälteleistung gar nicht vorgehalten werden muss, weil sie dem System aus dem Betrieb zur Verfügung gestellt wird“, erklärt Wolfgang Köhler, Geschäftsbereichsleiter Technik im Leopoldina-Krankenhaus.

Die erste im Leo Schweinfurt installierte Anlage ist für SEW bis heute die größte Wärmerückgewinnungsanlage, die als Einzelanlage im Krankenhausbereich verbaut wurde. Das liegt an einer baulichen Besonderheit, die in diesem speziellen Fall die Wärme- und Kälterückgewinnung besonders wirtschaftlich macht: Die Raumlufttechnik der in den 1970er-Jahren errichteten Klinik verfügt über sehr große zentrale Außen- und Fortluftanlagen. Dadurch mussten lediglich wenige, dafür aber sehr große Wärmeübertrager eingebaut und zu einem Kreislaufverbundsystem zusammengeführt werden.

Die erste SEW-Anlage im Behandlungsbau wurde 2006 installiert. Im Ansaugkanal der Klimaanlage beträgt der Luftvolumenstrom bis zu 300 000 m3/h. Die Außen- und Fortluft für diesen Funktionstrakt werden über jeweils drei Kammern angesaugt bzw. abgeleitet. Das System ist redundant ausgelegt. Auch mit nur zwei Kammern (im Regelbetrieb werden sie nicht unter Volllast gefahren) kann das Gebäude sicher versorgt werden.

Für den Einbau der Wärme- bzw. Kälterückgewinnungsanlage wurde jeweils eine Kammer temporär stillgelegt, um die erforderlichen Komponenten nach und nach in allen drei Kammern zu installieren. Auf diese Weise konnte die GSWT-Technologie – das Herzstück der Wärme- und Kälterückgewinnung von SEW – im laufenden Krankenhausbetrieb montiert werden.

Die Außen- und Fortluft-Wärmeübertrager wurden zu einem Kreislaufverbundsystem (KVS) verrohrt. Die Wärme-/Kälterückgewinnung erfolgt damit absolut keim- und schadstoffübertragungsfrei und ist Mittel der Wahl für eine sichere Belüftung.

Zusätzliche Features steigern Effizienz

Bild 2 Links: Die vor den Fortluft-Wärmeübertragern installierten Wabenbefeuchter erzeugen eine Kälteleistung von bis zu 3,5 kW je 1000 m3/h Luftvolumenstrom ohne mechanische Kältetechnik. Rechts: In Rohrrahmengestellen montierte GSWT-Wärmetauscher zur freien Aufstellung im Ansaugbauwerk.

SEW GmbH, Kempen

Bild 2 Links: Die vor den Fortluft-Wärmeübertragern installierten Wabenbefeuchter erzeugen eine Kälteleistung von bis zu 3,5 kW je 1000 m3/h Luftvolumenstrom ohne mechanische Kältetechnik. Rechts: In Rohrrahmengestellen montierte GSWT-Wärmetauscher zur freien Aufstellung im Ansaugbauwerk.

Das Kreislaufverbundsystem ermöglicht es, zusätzliche sehr effizienzsteigernde Features zu integrieren. Über die Wärmerückgewinnung hinaus kommt im Behandlungsbau des Leopoldina-Krankenhauses eine Freie Kühlung zum Einsatz. Durch die hohen Austauschgrade des GSWT von über 85 % kühlt sich das KVS-Fluid bis fast auf die Außenlufttemperatur ab.

Die Freie Kühlung nutzt dazu das Kältepotenzial der Außenluft und kühlt damit in erster Linie medizinische Großgeräte wie CT oder MRT und auch das Rechenzentrum ohne mechanische Kälteerzeugung. „Die Freie Kühlung nutzen wir allerdings nur im Winter bei Temperaturen unter 6 °C“, erklärt Köhler, „und sparen damit nicht nur Energie, sondern vermeiden auch Instandhaltungsaufwand und Schallemissionen, ausgehend von den sonst laufenden Kältemaschinen.“ Durch den Einsatz der GSWT-Technologie ist die Frostgefahr bei den üblichen Rückkühlwerken eliminiert.

Ferner wird im Behandlungsbau das Prinzip der indirekten adiabatischen Kühlung genutzt. Verdunstungskälte von Wasser dient hier als natürliche Kältequelle ohne mechanische Kältetechnik. Je 1000 m3/h Abluft kann damit zwischen 2,7 und 3,5 kW Kälteleistung gewonnen werden.

Mit einer integrierten Nacherwärmung speist die SEW-Anlage noch fehlende Wärme ein und konditioniert so die Luft vor. Der sonst übliche Erhitzer im Luftstrom entfällt, ebenso werden die luftseitigen Druckverluste vermieden.

Die hohen Einsparungen haben weitere Investitionen ermöglicht

Wärme- und Kälterückgewinnung wird, wie so viele Energieeffizienzmaßnahmen, schnell zum Selbstläufer: Weitere Investitionen können aus den beachtlichen Einsparungen vorangegangener Maßnahmen finanziert werden. So wurde 2010 das Bettenhaus des Schweinfurter Leopoldina-Krankenhauses mit einem Luftvolumenstrom von 200 000 m3/h ebenfalls mit einem GSWT-System mit Nacherwärmung und indirekter adiabatischer Kühlung nachgerüstet.

Bild 3 Die Pumpen- und Armaturen-Baugruppe fungiert als Schnittstelle für das Kreislaufverbundsystem.

SEW GmbH, Kempen

Bild 3 Die Pumpen- und Armaturen-Baugruppe fungiert als Schnittstelle für das Kreislaufverbundsystem.

2014 folgte das damals neu errichtete Gebäude C (Privatstation, Psychosomatik, Labor, Strahlentherapie, Nuklearmedizin, Untersuchungs- und Behandlungsräume) mit einem Luftvolumenstrom von 40 000 m3/h. Auch hier kommen die WRG, Nacherwärmung und die indirekte adiabatische Kühlung zum Einsatz. Auf Freie Kühlung wurde in dem Neubau verzichtet, weil der Kältebedarf im Winter aktuell nicht ausreichend groß ist, um die Anlage zu amortisieren. Köhler: „Durch die Offenheit der SEW-Technologie könnten wir eine Freie Kühlung aber auch noch später integrieren. Das SEW-Baukastenprinzip erlaubt nicht nur eine sehr flexible und maßgeschneiderte Dimensionierung der Anlagen, sondern auch ein problemloses Nachrüsten und Erweitern nach Bedarf.“

2018 wurden die großen WRG-Systeme so für zusätzliche Funktionen erweitert. Die Hauptanlage wurde mit einem Anschluss für eine Kältemaschinen-Rückkühlung aufgerüstet. Dieser hydraulische Anschluss hat ein separates Rückkühlwerk inklusive Verrohrung eingespart. Auch die Anlage Bettenhaus erhielt in diesem Zuge eine Freie Kühlung. Jährlich spart das Leopoldina-Krankenhaus der Stadt Schweinfurt durch die hocheffizienten WRG-Anlagen rund 12,6 GWh Wärme- und Kälteenergie (Heizenergie: 11 GWh, Kälteenergie: 1,6 GWh).

Ein BHKW deckt einen großen Teil des Strom- und Wärmebedarfs

Das Leopoldina-Krankenhaus der Stadt Schweinfurt hat einen Strombedarf von ca. 10 GWh/a. Davon werden ca. 8,5 GWh/a über eine BHKW-Anlage erzeugt und nur etwa 1,5 GWh/a zugekauft. Die BHKW-Anlage besteht aus vier Modulen und hat eine elektrische Gesamtleistung von 1440 kW.

Der Wärmebedarf der Klinik liegt bei ca. 14 GWh. Die Wärmeenergie wird über die BHKW-Anlage und Dampfheizkessel erzeugt. Die BHKW-Anlage hat eine thermische Leistung von 1520 kW. Die zwei installierten Dampfheizkessel haben jeweils eine Dampfleistung von 10 t/h (7,5 MW). Die Wärmeenergie wird für die Raumheizung, zur Dampferzeugung, zur Trinkwassererwärmung und zur Kälteerzeugung über eine Absorptionskältemaschine eingesetzt.

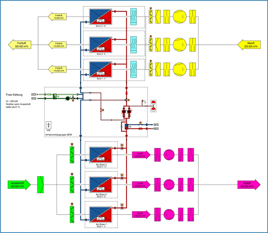
Bild 4 Funktionsschema eines GSWT-Systems im Leo Schweinfurth.

SEW GmbH, Kempen

Bild 4 Funktionsschema eines GSWT-Systems im Leo Schweinfurth.

Beachtliche Effizienz

Basisbaustein der GSWT-Technologie ist der „Gegenstrom-Schicht-Wärmeaustauscher“ (GSWT). Er ermöglicht eine hocheffiziente Wärmeübertragung zwischen Luft und Fluiden, mit Austauschgraden von bis zu 90 % für beide Medien. Die Effizienz, also das Verhältnis Nutzen (Wärme, Kälte, Rückkühlung) zum Aufwand (Strom zur Überwindung der luft- und fluidseitigen Druckverluste) liegt bezogen auf ein Jahr zwischen 15 bis 25 und höher. Zum Vergleich: Bei Wärmepumpen in Heizungsanwendungen liegt das Verhältnis von Nutzen zum Aufwand in einer typischen Größenordnung von 3 bis 6.

Durch die Modulbauweise ist der GSWT für beliebige Luftmengen und Abmessungen anpassbar, in Einzelteile zerlegbar und luft- und wasserseitig abschott- bzw. absperrbar. Weiterhin entstehen Zwangsströmungen ohne innere Verzweigungen oder Stoßstellen. So wird eine geringe Verschmutzungsneigung erzielt und eine maximale Reinigungsfähigkeit gewährleistet.

Fachberichte mit ähnlichen Themen bündelt das TGA+E-Dossier Wärmerückgewinnung

Kontakt
SEW
47906 Kempen
Telefon (0 21 52) 9 15 60
info@sew-kempen.de
www.sew-kempen.de

Jetzt weiterlesen und profitieren.

+ TGA+E-ePaper-Ausgabe – jeden Monat neu
+ Kostenfreien Zugang zu unserem Online-Archiv
+ Fokus TGA: Sonderhefte (PDF)
+ Webinare und Veranstaltungen mit Rabatten
uvm.

Premium Mitgliedschaft

2 Monate kostenlos testen