Springe auf Hauptinhalt Springe auf Hauptmenü Springe auf SiteSearch
Erweiterung des Dräxlmaier-Technologie-Zentrums

Wärmerückgewinnung der 3. Generation

Kompakt informieren

  • Für ein Technologiezentrum wurden alle Wärmeströme in ein Wärmerückgewinnungs-Verbund­system integriert.
  • So konnte auf ein separates Rückkühlbauwerk ­verzichtet werden. Gleichzeitig war es möglich, die Kälteerzeugung kleiner zu dimensionieren und ihre Abwärme zur Deckung des Wärmebedarfs zu nutzen.
  • Die Gesamtrentabilität des Gebäudes ist durch die Platzeinsparungen deutlich höher als bei einer konventionellen Lösung mit getrennt arbeitenden Systemen.

Unternehmen, die für sich selbst bauen, wollen sichergehen, dass ihre Gebäude – über den Lebenszyklus betrachtet – möglichst wirtschaftlich und flexibel nutzbar sind. Besonders hohe Anforderungen an Flexibilität, Variabilität der Nutzung sowie Nachhaltigkeit stellte die Firma Dräxlmaier an das hier vorgestellte Gebäude. Es handelt sich um einen Erweiterungsbau Abb. 1 des bestehenden Dräxlmaier-Technologie-Zentrums (DTZ) im niederbayerischen Vilsbiburg. Die Aufgabe bestand darin, ein integriertes Konzept von der Planung über die Realisierung bis zum Anlagenbetrieb für das Gebäude zu ent­wickeln.

Die Verantwortung für Planung, Realisierung und den späteren Betrieb lag bei der Delta Gruppe, Geisenhausen. Die Federführung für die Erstellung des Gebäudes mit allen Leistungsphasen der HOAI lag bei der Delta ImmoTec, ebenso die Bauleitung und die Projektsteuerung. Für die Planung der gebäudetechnischen Anlagen schaltete Delta ImmoTec das Planungsbüro GFI, München, ein. Vorgabe war, ein im DTZ-Masterplan vorgesehenes Multifunktionsgebäude (Büroflächen, Lager) zu errichten. Mit zunehmendem Planungsfortschritt wurde das Nutzungskonzept präzisiert.

Gebäude ohne Technikaufbauten

Eine besondere Herausforderung für die Ingenieure des Delta-Geschäftsbereichs Gebäudetechnik war es, eine Lösung zu finden, wie die gesamte Raumlufttechnik inklusive Kälteerzeugung und Rückkühlung möglichst platzsparend eingebaut werden kann. Vorgabe der Dräxlmaier-Geschäftsführung war, keine von außen sichtbare Technik auf, neben oder abgesetzt in der Nähe des neuen Gebäudes bzw. des DTZ zu platzieren Abb. 2 .

Reinhard Bachl, Bereichsleiter der Delta ImmoTec, erinnert sich: „Wir verfolgten zunächst eine konventionelle TGA-Lösung mit einer Dachzentrale und mit getrennten Systemen für die Luftaufbereitung, die Kälteerzeugung sowie die Rückkühlung.“ Durch die Entscheidung, ein Rechenzentrum einzubauen und das als Dachzentrale vorgesehene 5. Obergeschoss als Büroetage zu nutzen, war klar, dass die gesamt HLK-Technik inklusive Rückkühlwerk in den unteren Geschossen platziert werden muss.

Probleme bereitete dabei die Integration des Rückkühlwerkes in das Gebäude. Bachl: „Ein Rückkühlwerk für zwei Kältemaschinen mit einer Gesamtleistung von ca. 760 kW quasi unsichtbar von außen in ein Untergeschoss zu integrieren ist mit konventioneller Technik fast nicht realisierbar. Allein die Luftführung für ein im 2. Untergeschoss angeordnetes Rückkühlbauwerk hätte immense Kanalquerschnitte ­erfordert.“

GSWT-System

Das mit der Planung der TGA-Anlagen be­auftragte externe Ingenieurbüro GFI – Gesellschaft für Ingenieurplanung – brachte daraufhin das Gegenstrom-Schicht-Wärmeaustauscher-System (GSWT-System) Abb. 3 von SEW ins Spiel. „Herr Walk von GFI hatte bereits Erfahrung mit der GSWT-Technik“, erklärt Bachl. „Er war von Anfang an überzeugt, dass ein Wärmerückgewinnungs-Verbundsystem mit der Option, die Abwärme aus der Kälteerzeugung in den Kreislauf einzukoppeln, die Lösung unseres Problems ist.“

Allerdings kannte Bachl den Hersteller SEW und das GSWT-System bisher nur aus Fach­artikeln. Die Besichtigung einer von GFI ge­planten Referenzanlage beim Bayerischen Rundfunk (BR) in München half bei der Entscheidungsfindung. Bachl: „Das Anlagenkonzept beim BR hat mich auf Anhieb überzeugt, insbesondere wegen der standardisierten baukastenartigen Funktionsmodule Abb. 5 von SEW. Diese vereinfachen die Planung der komplexen Funktionen zur Einsparung von Energie ganz wesentlich.“

Auch die Geschäftsleitung der Delta Gruppe konnte rasch von den Vorzügen des GSWT-Systems überzeugt werden. Gerhard Gilch, Geschäftsführer der ausführenden Firma Delta Gebäudetechnik, dazu: „Das GSWT-System passte genau in unser Gebäudekonzept und in unsere Gebäudephilosophie. Besonders gefallen hat uns beim Angebot der Firma SEW die Art der Bündelung der Funktionsverantwortung für die Luftaufbereitung, die Kälteanlagen und die Rückkühlung. Bei konventionellen Ausschreibungen haben wir es in der Regel mit mehreren Gewerken zu tun; Funktionsfehler sind deshalb sehr schwer einzelnen Firmen zuzuordnen.“ Von Vorteil war, dass die Installation der gesamten heizungs-, lüftungs-, klima- und sanitärtechnischen Anlagen in der Hand der Delta Gebäudetechnik lag. Die Ausführung konnte deshalb ohne Schnittstellenverluste innerhalb kürzester Zeit realisiert werden.

Jedes GSWT-System ist ein Unikat

Dennoch war die Umsetzung des Projekts eine Herausforderung. Michael Schilling, Prokurist und Vertriebsleiter von SEW: „Jedes Gebäude und damit auch jede Anlage ist ein Unikat Abb. 4 . Deshalb wird jede GSWT-Anlage an die Bedürfnisse des Kunden angepasst.“ Vor dem Einbau einer GSWT-Anlage müsse der Bauherr jedoch entscheiden, ob er eine nachhaltige Anlagentechnik wolle oder ob er eine rein investiv optimierte Anlage bevorzuge, so Schilling. Grundsätzlich schaffe das GSWT-System eine hohe Redundanz und damit eine überdurchschnittliche Betriebssicherheit. Schilling weiter: „Der Bauherr entschied sich für eine hocheffiziente, multifunktionale Wärme- und Kälterückgewinnung der 3. Generation mit einem Systemaustauschgrad von bis zu 80 %.“

Damit waren die Vorgaben des Premium-Zulieferers der Automobilindustrie an die Klimatechnik klar: hohe Wirtschaftlichkeit und optimale CO 2 -Reduktion. Bachl: „Jeder Automobilhersteller achtet heute darauf, dass seine Zulieferer CO 2 -arm produzieren, denn im Zuge der Nachhaltigkeitszertifizierung werden auch die Lieferketten der Autozulieferer mit in die CO 2 -Umweltbilanz des Autoherstellers einbezogen.“ Umso wichtiger seien künftig multifunktionale Kreislaufverbundsysteme wie das GSWT-System, das eine hohe Variabilität bei der Bemessung der einzelnen Systembauteile zulasse. Dies betreffe insbesondere den Anteil der freien Kühlung, die Aufteilung zwischen konventioneller Kühlung und adiabatischer Kühlung sowie die zeitweise Nutzung der Kältemaschinen als Wärmepumpe.

Wärmepumpe statt Fernwärme

Bei der Option Wärmepumpenbetrieb zeigt sich, mit welcher Genauigkeit GFI-Planer Richard Walk das Energieeffizienzpotenzial der Gesamtanlage anhand der Wärmeströme analysiert hat. So ist es beispielsweise bereits bei Außentemperaturen kleiner 15 °C primärenergetisch günstiger, die Kältemaschinen als Wärmepumpe für das Heizsystem zu betreiben, obwohl das werksinterne Fernwärmenetz weitgehend aus einer Kraft-Wärme-Kopplungsanlage gespeist wird.

Der Wärmepumpenbetrieb lohnt sich, weil in der Übergangszeit nur ein Teil der EDV-Abwärme frei gekühlt werden kann. Die nicht frei kühlbare Abwärme muss also ohnehin über die Kältemaschine dem Rückkühlwerk zugeführt werden. Dabei wird die Rückkühlung zur Zuluft-Nacherwärmung genutzt, ohne hierbei das Kühlwasser-Temperaturniveau anheben zu müssen. Walk: „Genau genommen arbeitet die Kältemaschine erst als Wärmepumpe, wenn die freie Kühlung gedrosselt wird und das Kühlwasser-Temperaturniveau über das zur reinen Kältemaschinen-Rückkühlung erforderliche Temperaturniveau angehoben wird. Ein weiterer Beleg für die Effizienz der Niedertemperatur-Zuluft-Nacherwärmung über ein Kreislaufverbundsystem ist die erzielbare Heizungs-Rücklauftemperatur von 20 bis 25 °C, die knapp über der zulässigen Mindestkühlwasser-Eintrittstemperatur der Kältemaschine liegt.

Für Gilch ist es wichtig, dass er als Verantwortlicher für das Errichten der Anlage bei einem derart komplexen Zusammenspiel von Lüftungs-, Kälte-, Rückkühl- und Kreislaufverbund-Wärmerückgewinnungssystem optimal beraten wird, damit die Planungsvorgaben des Bauherrn verlustfrei umgesetzt werden können: „Von Vorteil war, dass wir durch die enge Zusammenarbeit von Fachplaner, Systemanbieter und Anlagenbauer bereits in der Planungsphase die Schnittstellen klären konnten. Bei so einer komplexen Anlage müssen alle am selben Strang ziehen.“

Es wird mehr als nur Energie gespart

Da jedes Gebäude und jede Klimaanlage aufgrund des jeweiligen Nutzungsprofils indivi­duell zu betrachten ist, lassen sich keine ­pauschalen Energieeinsparungen durch das GSWT-System ausweisen. In der Regel liegen diese zwischen 60 und 90 %, so die Angaben von SEW.

Doch die rein energetische Bewertung des Wärmerückgewinnungssystems greift beim GSWT-System zu kurz. Bezogen auf das neue Gebäude im Dräxlmaier-Technologie-Zentrum ergeben sich über die Energieeinsparungen hinaus folgende Entlastungen bzw. Gewinne:

  • Nutzung des ursprünglich geplanten ­Technik-Dachgeschosses als Büroetage
  • Verzicht auf Kältemaschinen-Rückkühl­werke, ca. 1300 kW (ohne indirekte adiaba­tische Vorkühlung) im Untergeschoss oder in einem unterirdischen bzw. separaten ­Bauwerk; für die Kälteanlage wären Nassrückkühler mit ca. 220000 m3/h bzw. ein Trockenkühler mit rund 400000 m3/h Luftleistung erforderlich gewesen
  • Wegfall von Zu- und Abluftkanälen mit ­einem geschätzten Kanalquerschnitt von 12 bzw. 22 m2, wenn im 2. UG ein separater Rückkühler eingebaut worden wäre
  • Wegfall von Stellfläche für Rückkühler im 2. UG durch Doppelnutzung der vorhandenen Wärmeübertrager des GSWT-Systems
  • Einsparung von Kälteleistung durch die ­adiabatische Abluftkühlung; der Wärmeübertrager dafür ist durch das GSWT-System bereits vorhanden
  • Reserveleistung durch adiabatische Abluft­kühlung bei Ausfall der Kältemaschinen, z.B. zur Notkühlung des Rechenzentrums
  • kürzeres Außenluftgerät (um ca. 2 m) durch die Nutzung bzw. Einspeisung von Wärme oder Kälte in das Kreislaufverbund-Wärmerückgewinnungssystem, wodurch die bei konventionellen Vollklimaanlagen notwendigen Vorerhitzer, Kühler und Nacherhitzer entfallen.

Durch die höhere Kaltwassertemperatur konnte außerdem die Kältemaschine Abb. 8 kleiner dimensioniert werden, sodass weniger treibhausrelevantes Kältemittel im Umlauf ist. Dadurch reduzieren sich auch die Wartungskosten für die Kältemaschinen. Da kein Rückkühlwerk vorhanden ist, entfallen diese Wartungskosten vollständig.

Energieoptimierte Regelungsstrategien

Das HLK-Anlagen- und Regelungskonzept ist so aufgebaut, dass primär die Kühlung des Rechenzentrums gewährleistet ist und die Abwärme aus der EDV über den Kältemaschinen-Kühlwasserkreislauf vorzugsweise zur Vorerwärmung der Zuluft verwendet wird.

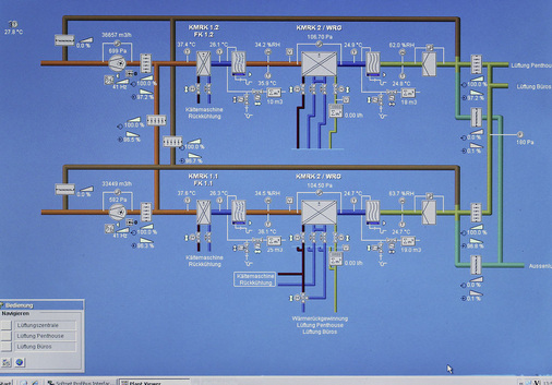
Zu diesem Zweck hat das Ingenieurbüro GFI ein Regelungskonzept entwickelt Abb. 7 , das die energieeffizientesten Wärmeflusswege in Abhängigkeit des aktuellen Wärme- bzw. Kühlbedarfs bzw. der Außenluftbedingungen (Tag/Nacht/saisonal) auswählt. Vorrang haben insbesondere die adiabatische Kühlung sowie die Nutzung der verfügbaren EDVAbwärme zur Nacherwärmung der Zuluft im Heizfall. Darauf abgestimmt ist eine stetige Leistungsregelung der freien Kühlung zur indirekten Regelung der Kältemaschine als Wärmepumpe. Die Entscheidung, welches Energiepotenzial aktuell am wirtschaftlichsten nutzbar ist, erfolgt durch eine um­fangreiche Temperaturerfassung von Luft- und Medienströmen sowie deren Verarbeitung zu energieoptimierten Regelungsstra­tegien.

Nach dem jetzigen Stand lassen sich im ­Gebäude durch das GSWT-System und die realisierten Ein- und Auskopplungen von Wärme- und Kältepotenzialen rund 90 % der Wärme zurückgewinnen und etwa 50 bis 60 % der Gesamtkühlarbeit über Freikühlung und adiabatische Kühlung generieren.

Fazit

In Gebäuden mit ganzjährigem Klimatisierungsbedarf kann durch den Einbau eines ­Kreislaufverbundsystems in Gegenstrom-Schicht-Wärmetauscher-Bauweise und Einsatz der multifunktionalen GSWT-Technologie auf die getrennte Wärme- und Kälte­erzeugung verzichtet werden. Bei dem hier ­beschriebenen Bauvor­haben übernahm das Kreislaufverbundsystem außerdem die Funk­tionen Vorwärmer, Nachwärmer, Freikühler und Rückkühler.

Zusätzliches Kältepotenzial wird durch die funktionale Einkopplung von adiabatischer ­Verdunstungskühlung generiert. Auch hierfür werden die bereits vorhandenen Wärmeübertrager genutzt. Die Optimierung der energetisch günstigsten Betriebsweise erfolgt über kundenspezifisch angepasste „Wenn-Dann-Sonst“-Regelungsfunktionen. Die Mehrfachnutzung von Gegenstrom-Schicht-Wärmetauschern führt nicht nur zu erheblichen ­Einsparungen bei der Wärme- und Kälte­erzeugung bzw. der Luftaufbereitung, sondern auch zu schlankeren Anlagen bis zum vollständigen Verzicht auf konventionelle Rückkühleinrichtungen. Die Gesamtren­tabilität des Gebäudes ist durch die Platz­einsparungen deutlich höher als bei einer ­konventionellen Lösung mit getrennt arbei­tenden Systemen. Daraus folgt: Die getrennte Wärme- und Kälte­erzeugung gehört in ganzjährig klimatisierten Gebäuden der Vergangenheit an. •

Kontakt zum Anbieter

SEW Systemtechnik für Energierecycling und Wärmeflußbegrenzung

47906 Kempen

Telefon (0 21 52) 91 56 70

info@sew-kempen.de

https://www.sew-kempen.de/

Wichtig für TGA-Planer, Anlagenbauer und Bauherren

TGA-Planer: Über hocheffiziente Gegenstrom-Schicht-Wärmeaustauscher (GSWT) in einem Kreislaufverbundsystem und eine standardisierte Pumpen- und Armaturenbaugruppe können Wärme-/Kälterückgewinnungskonzepte mit geringer äußerer Energie­zufuhr entwickelt werden.

Anlagenbauer: Die GSWT-Module werden werkseitig in Leerteile der RLT-Geräte eingebaut. Dafür kann häufig auf Vor- und Nacherhitzer vollständig verzichtet werden. Große Einsparpotenziale ergeben sich auch durch die Integration der Rückkühlung für die Kältemaschinen.

Bauherren: Mit einem multifunktionalen GSWT-Wärmerückgewinnungssystem lassen sich nicht nur die Energie- und Ökobilanz deutlich verbessern, sondern auch Investitionskosten am Bauwerk durch kleine Technikflächen einsparen.

Dräxlmaier Group

Die Dräxlmaier Group, Vilsbiburg, gegründet 1958 mit Hauptsitz in Deutschland, beliefert namhafte Automobilhersteller mit modernen Bordnetzsystemen, exklusivem Interieur sowie Elektrik- und Elektronikkomponenten. Dräxlmaier beschäftigt rund 44000 Mitarbeiter an mehr als 55 Standorten in über 20 Ländern. Das inhabergeführte Unternehmen ist in seinen Kernkompetenzen führender Systemlieferant im Premiumsegment der Automobilindustrie und deckt als Full Service Supplier die gesamte Prozesskette ab: von der ersten Idee, über Entwicklung, Prototypen- und Werkzeugbau bis hin zur Serienbelieferung mit innovativen Produkten und Systemen. Nachhaltigkeit und Zukunftsfähigkeit sind integrale Bestandteile der Unternehmensphilosophie. Das Unternehmen setzt auf nachwachsende Rohstoffe, energieeffiziente Leichtbautechnologie und überzeugende Hochvolt- und Powermanagement-Konzepte für konventionelle und alternative Antriebssysteme. http://www.draexlmaier.com

Delta ImmoTec

Die Delta ImmoTec GmbH, Geisenhausen, ist ein weltweit agierendes Planungs- und Beratungs­büro und ein Unternehmen der Delta Gruppe, zu der auch die Delta Management GmbH, Delta Gebäudetechnik GmbH, Delta Investment GmbH und die Delta Versorgungsmanagement GmbH gehören. Die Architekten und Ingenieure von Delta ImmoTec planen und verwirklichen anspruchsvolle Projekte in der Architektur, im Bauingenieurwesen sowie in der Elektro-, Versorgungs-, Energie- und Umwelttechnik. Im Team werden maßgeschneiderte gewerkeübergreifende Lösungen und mögliche Alternativen erarbeitet. Delta Gebäudetechnik konstruiert und installiert HLK-Anlagen für Kunden aus Industrie, Gewerbe und öffentlicher Hand. Die Anzahl der Beschäftigten bei der Delta Gruppe ist von 24 im Jahr 2000 auf 170 im Jahre 2012 gestiegen. http://www.delta-gruppe.de

GFI

GFI Gesellschaft für Ingenieurplanung mbH mit Sitz in München – geleitet durch Harald Traub (GF) und Josef Huber – projektiert seit über 40 Jahren nationale und internationale Objekte für private und öffentliche Auftraggeber. Ein fester Mitarbeiterstamm von 35 Experten gewährleistet optimale TGA-Systemlösungen für Gebäude aller Art wie Rechenzentren, Verwaltungsgebäude, Reinraum-/Laborgebäude, Flugsicherungsgebäude etc. Das Leistungsspektrum für die technische Gesamtplanung umfasst das komplette HOAI-Leistungsbild, Energie- und Systemberatung, Wirtschaftlichkeitsbetrachtungen etc. Die Schwerpunkte liegen dabei auf der Optimierung von Heizungs-, Kälte- und Klimaanlagen mit zugehöriger Elektro-, GA-, MSR-, Wasser- und Abwasser-Technik. https://www.gfi-ingenieure.de/

DTZ-Erweiterung

Das HLK-Konzept

  • Alle Büro- und Sozialräume werden mit vorkonditionierter Primärluft be- und entlüftet. Aus wirtschaftlichen Überlegungen ist die Anlage auf einen zweifachen Luftwechsel ausgelegt.
  • Die individuelle Raumtemperierung erfolgt über Gebläsekonvektoren (4-Leiter-Netz).
  • Je nach Jahreszeit wird die Primär-Zulufttemperatur angehoben (Kühlfall) oder abgesenkt (Heizfall), um Fremdwärmegewinne bzw. vermiedene Kühlung (Sonneneinstrahlung) zu maximieren.
  • Die lastabhängige Regelung der Umluftklimaschränke im Rechenzentrum Abb. 6 erfolgt mengenvariabel ­mittels Durchgangs-Regelventilen (hohe Spreizung), Kühlmedium ist Klima-Kaltwasser mit 14/19 °C.
  • Die Redundanz zur gebäudeinternen Kälteerzeugung bildet eine Kaltwasser-Noteinspeisung aus einem anderen Gebäude (Kälteerzeugung über Kraft-Wärme-Kälte-Kopplung).

– Die Kälteversorgung erfolgt über zwei Kältemaschinen (KM):

– KM 1, Nennkälteleistung 323 kW, Kaltwassertemperatur 8/14 °C

– KM 2, Nennkälteleistung 453 kW, Kaltwassertemperatur 14/19 °C

– Kälte- und Abwärmeverteilung zur stetigen Regelung der Wärmeflusswege nach Priorität ­(absteigend):

– Abwärmenutzung (WP-Funktion)

– Freie Kühlung überschüssiger Abwärme

– Rückkühlung nicht nutzbarer und nicht frei kühlbarer Abwärme

Das GSWT-Kreislaufverbundsystem

  • 1 Zuluftgerät zur Primärluftversorgung für Rechenzentrum und Büros (1. bis 4. OG) mit den Funktionen Heizen, Kühlen, Entfeuchten und Nacherwärmen; Nennluftleistung: 60000 m3/h
  • 1 Zuluftgerät zu Primärluftversorgung der Büros im 5. OG mit den Funktionen wie vor (in Kreislauf­verbundsystem eingebunden); Nennluftleistung: 10000 m3/h
  • 1 Abluftgerät, längs geteilt, 2×40000 m3/h mit den Zusatzfunktionen:

– Wärme-/Kälterückgewinnung

– indirekte adiabatische Verdunstungskühlung zur Kälterückgewinnung über das Kreislaufverbundsystem, dadurch Reduzierung der bereitzustellenden Kältemaschinenleistung

– dementsprechend reduzierte, redundante Kältemaschinen-Rückkühlung (ca. 1020 statt 1300 kW)

  • Plattenwärmetauscher zur Niedertemperatur-Nacherwärmung der Zuluft über das Kreislauf­verbundsystem, damit optimierter COP der Kältemaschine im Wärmepumpenbetriebsfall.

Wolfgang Schmid

ist freier Fachjournalist für Technische Gebäudeausrüstung, München, wsm@tele2.de

Jetzt weiterlesen und profitieren.

+ TGA+E-ePaper-Ausgabe – jeden Monat neu
+ Kostenfreien Zugang zu unserem Online-Archiv
+ Fokus TGA: Sonderhefte (PDF)
+ Webinare und Veranstaltungen mit Rabatten
uvm.

Premium Mitgliedschaft

2 Monate kostenlos testen